电脑桌面
添加小米粒文库到电脑桌面
安装后可以在桌面快捷访问

建筑工程制图基础知识复习

建筑工程制图基础知识复习_第1页
1/6
建筑工程制图基础知识复习_第2页
2/6
建筑工程制图基础知识复习_第3页
3/6
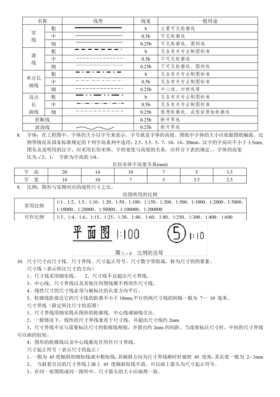
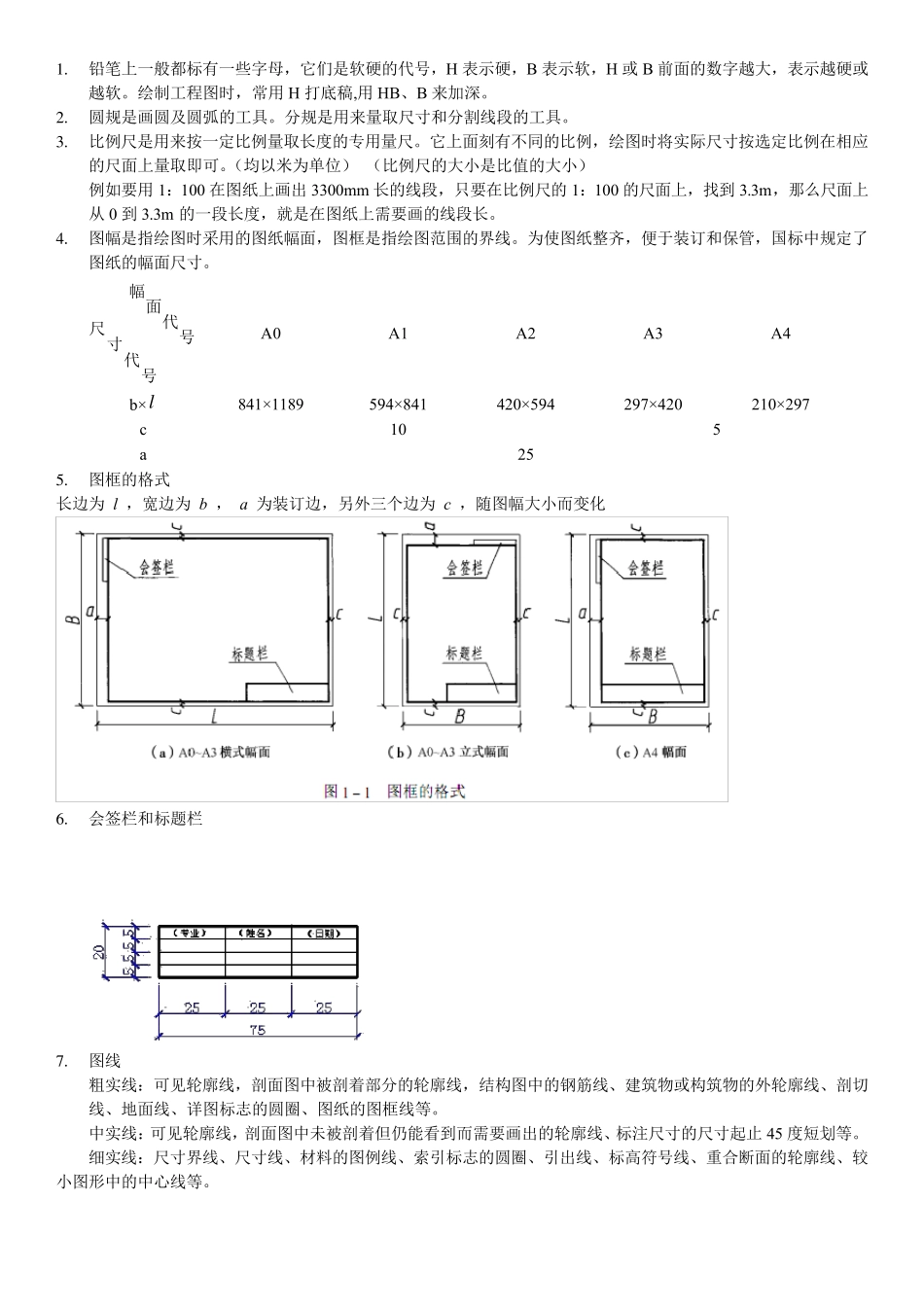
1 . 铅笔上一般都标有一些字母,它们是软硬的代号,H 表示硬,B 表示软,H 或B 前面的数字越大,表示越硬或越软。绘制工程图时,常用H 打底稿,用HB、B 来加深。 2 . 圆规是画圆及圆弧的工具。分规是用来量取尺寸和分割线段的工具。 3 . 比例尺是用来按一定比例量取长度的专用量尺。它上面刻有不同的比例,绘图时将实际尺寸按选定比例在相应的尺面上量取即可。(均以米为单位) (比例尺的大小是比值的大小) 例如要用1:100 在图纸上画出 3300mm 长的线段,只要在比例尺的1:100 的尺面上,找到 3.3m,那么尺面上从 0 到 3.3m 的一段长度,就是在图纸上需要画的线段长。 4 . 图幅是指绘图时采用的图纸幅面,图框是指绘图范围的界线。为使图纸整齐,便于装订和保管,国标中规定了图纸的幅面尺寸。 A0 A1 A2 A3 A4 b×l 841×1189 594×841 420×594 297×420 210×297 c 10 5 a 25 5 . 图框的格式 长边为 l ,宽边为 b , a 为装订边,另外三个边为 c ,随图幅大小而变化 6 . 会签栏和标题栏 7 . 图线 粗实线:可见轮廓线,剖面图中被剖着部分的轮廓线,结构图中的钢筋线、建筑物或构筑物的外轮廓线、剖切线、地面线、详图标志的圆圈、图纸的图框线等。 中实线:可见轮廓线,剖面图中未被剖着但仍能看到而需要画出的轮廓线、标注尺寸的尺寸起止 45 度短划等。 细实线:尺寸界线、尺寸线、材料的图例线、索引标志的圆圈、引出线、标高符号线、重合断面的轮廓线、较小图形中的中心线等。 幅 面 代 号 尺 寸 代 号 名称 线型 线宽 一般用途 实 线 粗 b 主要可见轮廓线 中 0.5b 可见轮廓线 细 0.25b 可见轮廓线、图例线 虚 线 粗 b 见各有关专业制图标准 中 0.5b 不可见轮廓线 细 0.25b 不可见轮廓线、图例线 单点长 画线 粗 b 见各有关专业制图标准 中 0.5b 见各有关专业制图标准 细 0.25b 中心线、对称线等 双点 长 画线 粗 b 见各有关专业制图标准 中 0.5b 见各有关专业制图标准 细 0.25b 假想轮廓线、成型前原始轮廓线 折断线 0.25b 断开界线 波浪线 0.25b 断开界线 8 . 字体:在工程图中,字体的大小以字号来表示,字号就是字体的高度。图纸中字体的大小应依据图纸幅面、比例等情况从国家标准规定的下列字高系列中选用:2.5,3.5,5,7,10,14,20mm。汉字的字高应不小于 3.5mm,图名及说明用的汉字,应...

1、当您付费下载文档后,您只拥有了使用权限,并不意味着购买了版权,文档只能用于自身使用,不得用于其他商业用途(如 [转卖]进行直接盈利或[编辑后售卖]进行间接盈利)。
2、本站所有内容均由合作方或网友上传,本站不对文档的完整性、权威性及其观点立场正确性做任何保证或承诺!文档内容仅供研究参考,付费前请自行鉴别。
3、如文档内容存在违规,或者侵犯商业秘密、侵犯著作权等,请点击“违规举报”。

碎片内容

建筑工程制图基础知识复习

小辰5+ 关注
实名认证
内容提供者

出售各种资料和文档

相关文档

确认删除?
VIP
微信客服
  • 扫码咨询
会员Q群
  • 会员专属群点击这里加入QQ群
客服邮箱
回到顶部