电脑桌面
添加小米粒文库到电脑桌面
安装后可以在桌面快捷访问

建筑施工现场安全质量标准化考核评分表VIP专享

建筑施工现场安全质量标准化考核评分表_第1页
1/19
建筑施工现场安全质量标准化考核评分表_第2页
2/19
建筑施工现场安全质量标准化考核评分表_第3页
3/19
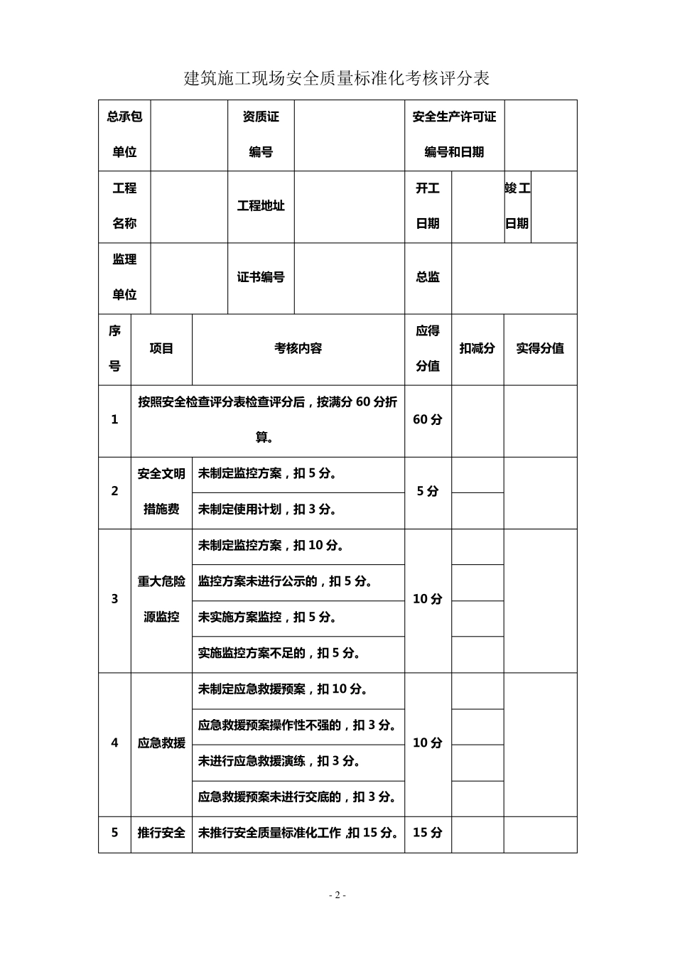
- 1 - 评分方法 一 、各分项评分满分分值未 100 分,各表评分的实得分应为相应评分表中各评分项目实得分之和。 二、评分表中的各评分项目的实得分不应采用负值,扣减分数总和不得超过该评分项目应得分分值。 三、各分项评分表中如有实得分为零的评分项目,该分项评分表实得分为零。 四、评分项目有缺项的,其评分的实得分应按下式换算 遇有缺项的项目 可评项目的实得分之和 = x100 评分的实得分 可评项目的应得分值之和 五、单项评分实得分应为其 7 个分项实得分的加权平均值。本办法中附表 1-1 至附表1-6 相应分项的权数分别为 0.1、0.16、0.16、0.16、0.16、0.16、0.1。 六、安全生产业绩评分实得分应为各项分项目实得分之和。 七、当评分项目涉及到重复奖励或处罚时,其加、扣分数应以该评分项可加、扣分数的最高分计算,不得重复加分或扣分。 - 2 - 建筑施工现场安全质量标准化考核评分表 总 承 包单 位 资 质 证 编 号 安 全 生 产 许 可 证编 号 和 日 期 工 程 名 称 工 程 地 址 开 工 日 期 竣 工日 期 监 理 单 位 证 书 编 号 总 监 序号 项 目 考 核 内 容 应 得分 值 扣 减 分 实 得 分 值 1 按 照 安 全 检 查 评 分 表 检 查 评 分 后 , 按 满 分 60 分 折算 。 60 分 2 安 全 文明措施费 未制定监 控方案, 扣 5 分 。 5 分 未制定使用计划, 扣 3 分 。 3 重大危险源监 控 未制定监 控方案, 扣 10 分 。 10 分 监 控方案未进行公示的, 扣 5 分 。 未实 施方案监 控, 扣 5 分 。 实 施监 控方案不足的, 扣 5 分 。 4 应 急救援 未制定应 急救援预案, 扣 10 分 。 10 分 应 急救援预案操作性不强的, 扣 3 分 。 未进行应 急救援演练, 扣 3 分 。 应 急救援预案未进行交底的, 扣 3 分 。 5 推行安 全 未推行安 全 质 量标准化工 作,扣 15 分 。 15 分 - 3 - 质 量 标 准化 工 作 未 落 实 安 全 质 量 标 准 化 工 作 制 度 , 缺 一项 扣 3 分 。 总 计 100分 5 一 票 否 决 发 生 一 起 一 般 以 上 ( 含 ) 生 产 安 全 事 故 的 被 责 令 全 面 停 工 二 次 及 以 上 的 市 以 上 安 全 大 检 查 评 定 为 ...

1、当您付费下载文档后,您只拥有了使用权限,并不意味着购买了版权,文档只能用于自身使用,不得用于其他商业用途(如 [转卖]进行直接盈利或[编辑后售卖]进行间接盈利)。
2、本站所有内容均由合作方或网友上传,本站不对文档的完整性、权威性及其观点立场正确性做任何保证或承诺!文档内容仅供研究参考,付费前请自行鉴别。
3、如文档内容存在违规,或者侵犯商业秘密、侵犯著作权等,请点击“违规举报”。

碎片内容

建筑施工现场安全质量标准化考核评分表

确认删除?
VIP
微信客服
  • 扫码咨询
会员Q群
  • 会员专属群点击这里加入QQ群
客服邮箱
回到顶部