电脑桌面
添加小米粒文库到电脑桌面
安装后可以在桌面快捷访问

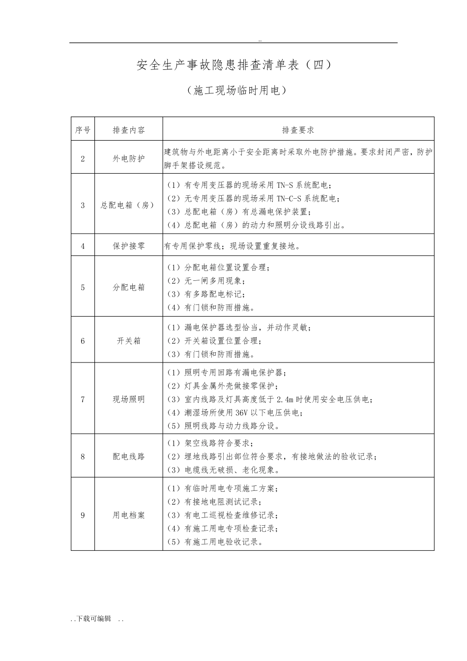
建筑施工现场安全隐患排查清单表

建筑施工现场安全隐患排查清单表_第1页
1/7
建筑施工现场安全隐患排查清单表_第2页
2/7
建筑施工现场安全隐患排查清单表_第3页
3/7
.. . .下载可编辑 . . 安 全 生 产 事 故 隐 患 排 查 清 单 表 ( 一 ) ( 安 全 管 理 ) 序 号 排 查 内 容 排 查 要 求 1 安 全 操 作 规 程 ( 1) 项 目 部 制 定 各 工 种 或 各 分 部 ( 项 ) 工 程 安 全 技 术 操 作 规 程 ; ( 2) 操 作 规 程 在 作 业 部 位 进 行 悬 挂 。 2 安 全 检 查 ( 1) 制 定 定 期 安 全 检 查 制 度 ; ( 2) 按 定 期 安 全 检 查 制 度 的 时 间 和 内 容 进 行 安 全 检 查 并 进 行 记 录 ; ( 3) 对 检 查 出 的 隐 患 制 定 措 施 , 定 人 定 时 进 行 有 效 整 改 , 并 记 录 。 3 安 全 教 育 ( 1) 建 立 三 级 安 全 教 育 卡 , 并 按 现 场 人 员 名 册 填 写 ; ( 2) 经 常 性 安 全 教 育 情 况 ; ( 3) 各 工 种 及 变 换 工 种 的 安 全 操 作 技 能 等 安 全 教 育 情 况 。 4 班 组 活 动 分 班 组 的 安 全 活 动 记 录 。 5 持 证 上 岗 ( 2) 特 种 作 业 人 员 名 册 及 与 之 对 应 的 上 岗 证 复 印 件 , 特 种 作 业 人 员 无 过 期 情况 。 其 它 操 作 工 由 企 业 培 训 发 证 上 岗 并 建 立 档 案 。 安 全 生 产 事 故 隐 患 排 查 清 单 表 ( 二 ) ( 文 明 施 工 ) 序 号 排 查 内 容 排 查 要 求 1 现 场 围 档 ( 2) 围 挡 材 料 选 用坚固、稳定 、美观; ( 3) 围 挡 必须连续设置。 围 挡 边不得堆放重压物。 2 施 工 地场 ( 2) 有 排 水措 施 , 现 场 无 明 显积水; ( 3) 工 程 施 工 的 废水, 经 沉淀处理 后排 放; ( 4) 设置吸烟室 或 吸烟处; 3 材 料 堆放 ( 1) 有 材 料 堆放平 面 布 置图 , 并 按 图 堆放; ( 2) 作 业 区 及 建 筑 物楼 层 内 建 筑 垃 圾 及 时 清 理 ; ( 3) 易 燃 易 爆 物品 存 放符 合 规 定 。 4 现 场 住 宿 ( 1) 施 工 现 场 办 公 区 、生 活 区 与 施 工 区 严 格 分 开 ; ( 2...

1、当您付费下载文档后,您只拥有了使用权限,并不意味着购买了版权,文档只能用于自身使用,不得用于其他商业用途(如 [转卖]进行直接盈利或[编辑后售卖]进行间接盈利)。
2、本站所有内容均由合作方或网友上传,本站不对文档的完整性、权威性及其观点立场正确性做任何保证或承诺!文档内容仅供研究参考,付费前请自行鉴别。
3、如文档内容存在违规,或者侵犯商业秘密、侵犯著作权等,请点击“违规举报”。

碎片内容

建筑施工现场安全隐患排查清单表

确认删除?
VIP
微信客服
  • 扫码咨询
会员Q群
  • 会员专属群点击这里加入QQ群
客服邮箱
回到顶部