电脑桌面
添加小米粒文库到电脑桌面
安装后可以在桌面快捷访问

建筑结构实训大作业任务书

建筑结构实训大作业任务书_第1页
1/18
建筑结构实训大作业任务书_第2页
2/18
建筑结构实训大作业任务书_第3页
3/18
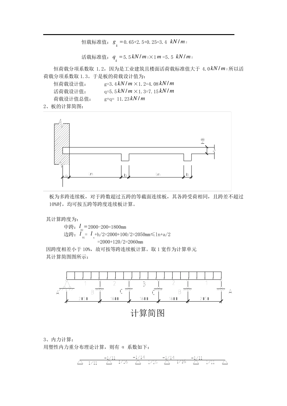
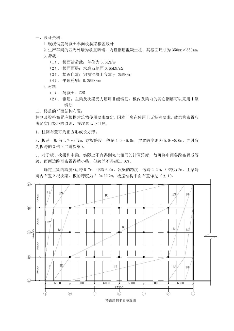
一、设计资料: 1.现浇钢筋混凝土单向板肋梁楼盖设计 2.生产车间的四周外墙为承重砖墙,内设钢筋混凝土柱,其截面尺寸为350mm×350mm。 3.荷载: (1). 楼面活荷载:单位为5.5KN/m2 (2). 楼面面层:水磨石地面0.65KN/m2 (3). 楼盖自重:钢筋混凝土容重γ=25KN/m2 (4). 平顶粉刷:0.25KN/m2 4.材料: (1). 混凝土:C25 (2). 钢筋:主梁及次梁受力筋用Ⅱ级钢筋,板内及梁内的其它钢筋可以采用Ⅰ级钢筋 二、楼盖的平面结构布置: 柱网及梁格布置应根据建筑物使用要求确定,因本厂房在使用上无特殊要求,故结构布置应满足实用经济的原则,并注意以下问题。 1、柱网布置可为正方形或长方形。 2、板跨一般为1.7~2.7m,次梁跨度一般是 4.0~6.0m,主梁跨度则为5.0~8.0m,同时宜为板跨的3 倍(二道次梁)。 3、对于板、次梁和主梁,实际上不宜得到完全相同的计算跨度,故可将中间各跨布置成等跨,而两边跨可布置得稍小些,但跨差不得超过10%。 确定主梁的跨度:边跨 5.7m,中跨 6.0m。次梁的跨度:边跨 2.2 m,中跨为2m。主梁每跨内布置 2 根次梁,板的跨度为2.2m 和2m,楼盖结构平面布置详见 (图 1)。 66006000ABCDB1B3B4B2B1B3B5B5B6B1B3B4B1B3B260006000600066007654321楼盖结构平面布置图37200E570060006000570023400二、板的设计(按塑性内力重分布计算): 1、板、次梁、主梁的截面尺寸确定。 (规范) 板厚 mmhB8 0,(当 lh4 01时,满足刚度要求,可不验算挠度)。 次梁 1 21(ch~L)1 81, 21(b~ch)31。 主梁 81(zh~L)1 41, 21(b~zh)31。 板厚:为了保证刚度,单向板的厚度尚应不小于跨度的1/40(连续板)、1/25(简支板)、以及1/12(悬臂板)本设计为连续板,按跨度比条件h≥2200/40=55mm 对于工业建筑的楼盖板要求h≥80mm,取板厚h=100mm. 次梁:次梁截面高度应满足h=(1/18~1/12)L=6000/18~6000/12=(333~500)mm,取h=400mm.截面宽度取b=(1/3~1/2)h=(133~200)mm 取b=200mm. 主梁:主梁的截面高度应满足h=(1/15~1/10)L=6600/15~6600/10=(440~660)mm 取h=600mm.截面宽度取b=(1/3~1/2)h=(200~300)mm 取=300mm。 2、板的计算简图: 板为多跨连续板,对于跨数超过五跨的等截面连续板,其各跨受荷相同,且跨差不超过10%时,均可按五跨等跨度连续板计算。 当按塑性内力重分布计算时,其计算跨度: 中跨: nll 0=2000-200=1800mm 边跨: alh...

1、当您付费下载文档后,您只拥有了使用权限,并不意味着购买了版权,文档只能用于自身使用,不得用于其他商业用途(如 [转卖]进行直接盈利或[编辑后售卖]进行间接盈利)。
2、本站所有内容均由合作方或网友上传,本站不对文档的完整性、权威性及其观点立场正确性做任何保证或承诺!文档内容仅供研究参考,付费前请自行鉴别。
3、如文档内容存在违规,或者侵犯商业秘密、侵犯著作权等,请点击“违规举报”。

碎片内容

建筑结构实训大作业任务书

小辰5+ 关注
实名认证
内容提供者

出售各种资料和文档

确认删除?
VIP
微信客服
  • 扫码咨询
会员Q群
  • 会员专属群点击这里加入QQ群
客服邮箱
回到顶部