电脑桌面
添加小米粒文库到电脑桌面
安装后可以在桌面快捷访问

建设工程检测收费标准

建设工程检测收费标准_第1页
1/12
建设工程检测收费标准_第2页
2/12
建设工程检测收费标准_第3页
3/12
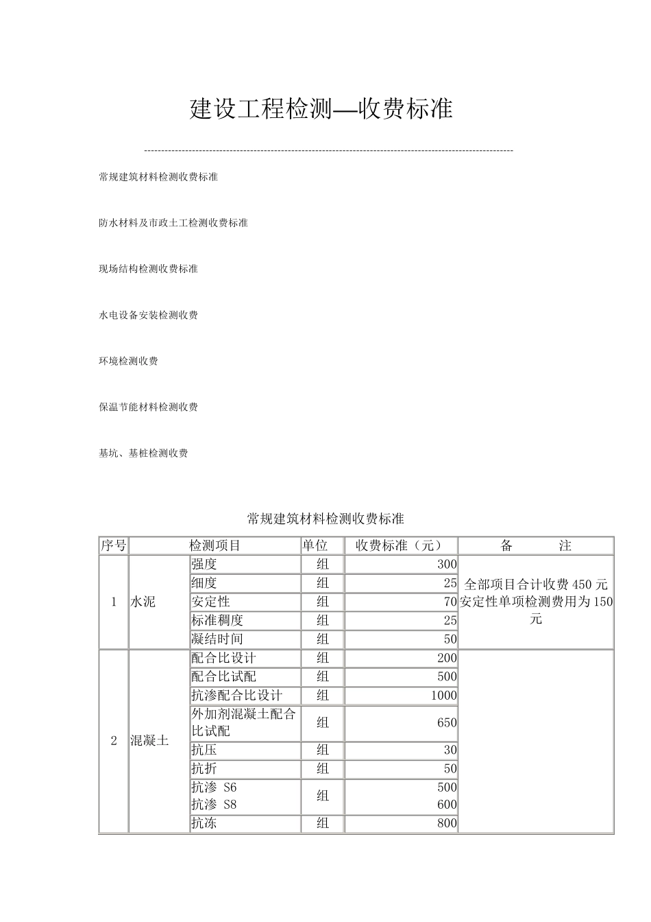
建设工程检测—收费标准 ------------------------------------------------------------------------------------------------------------ 常规建筑材料检测收费标准 防水材料及市政土工检测收费标准 现场结构检测收费标准 水电设备安装检测收费 环境检测收费 保温节能材料检测收费 基坑、基桩检测收费 常规建筑材料检测收费标准 序号 检测项目 单位 收费标准(元) 备 注 1 水泥 强度 组 300 全部项目合计收费450 元 安定性单项检测费用为 150元 细度 组 25 安定性 组 70 标准稠度 组 25 凝结时间 组 50 2 混凝土 配合比设计 组 200 配合比试配 组 500 抗渗配合比设计 组 1000 外加剂混凝土配合比试配 组 650 抗压 组 30 抗折 组 50 抗渗 S6 抗渗 S8 组 500 600 抗冻 组 800 碳化 组 400 弹性模量 组 1000 混凝土收缩性能 组 2000 3 砂浆 配合比设计 组 200 稠度 组 90 密度 组 90 分层度 组 120 抗压 组 30 抗渗 组 200 4 建筑用石 颗粒级配 组 100 全部常规项目合计收费340 含泥量 组 80 泥块含量 组 80 针片状含量 组 80 *压碎指标 组 120 *坚固性 组 280 *堆积密度、紧密密度 组 80 *表观密度 组 80 含水率 组 50 吸水率 组 50 5 建筑用砂 颗粒级配 组 80 全部常规项目合计收费240 含泥量 组 80 泥块含量 组 80 *堆积密度、紧密密度 组 80 *表观密度 组 80 *含水率 组 50 *吸水率 组 50 *云母含量 组 80 *轻物含量 组 80 *坚固性 组 280 6 混凝土外加剂 减水率 组 150 另加材料费150 元 泌水率 组 150 含气量 组 150 凝结时间差 组 200 固体含量 组 50 抗压强度 组 500 比重 组 40 PH 酸度 组 100 7 烧结普通 强度等级(抗压) 组 150 砖 *尺寸偏差 组 130 *外观质量 组 50 *饱和系数 组 80 *石灰爆裂 组 80 8 烧结多孔砖 强度等级 组 170 *尺寸偏差 组 130 *外观质量 组 50 *石灰爆裂 组 80 9 烧结空心砖和空心砌块 强度等级 组 170 尺寸偏差 组 130 外观质量 组 50 *石灰爆裂 组 80 吸水率 组 90 抗折 组 70 泛霜 组 80 抗冻 组 500 碳化 组 400 10 混凝土小型空心砌块 强度等级 组 190 *尺寸偏差 组 80 *外观质量 组 80 *相对含水率 组 220 11 粉煤灰...

1、当您付费下载文档后,您只拥有了使用权限,并不意味着购买了版权,文档只能用于自身使用,不得用于其他商业用途(如 [转卖]进行直接盈利或[编辑后售卖]进行间接盈利)。
2、本站所有内容均由合作方或网友上传,本站不对文档的完整性、权威性及其观点立场正确性做任何保证或承诺!文档内容仅供研究参考,付费前请自行鉴别。
3、如文档内容存在违规,或者侵犯商业秘密、侵犯著作权等,请点击“违规举报”。

碎片内容

建设工程检测收费标准

您可能关注的文档

小辰7+ 关注
实名认证
内容提供者

出售各种资料和文档

确认删除?
VIP
微信客服
  • 扫码咨询
会员Q群
  • 会员专属群点击这里加入QQ群
客服邮箱
回到顶部