电脑桌面
添加小米粒文库到电脑桌面
安装后可以在桌面快捷访问

蒸压加气混凝土内隔墙板(AAC板)施工技术交底

蒸压加气混凝土内隔墙板(AAC板)施工技术交底_第1页
1/12
蒸压加气混凝土内隔墙板(AAC板)施工技术交底_第2页
2/12
蒸压加气混凝土内隔墙板(AAC板)施工技术交底_第3页
3/12
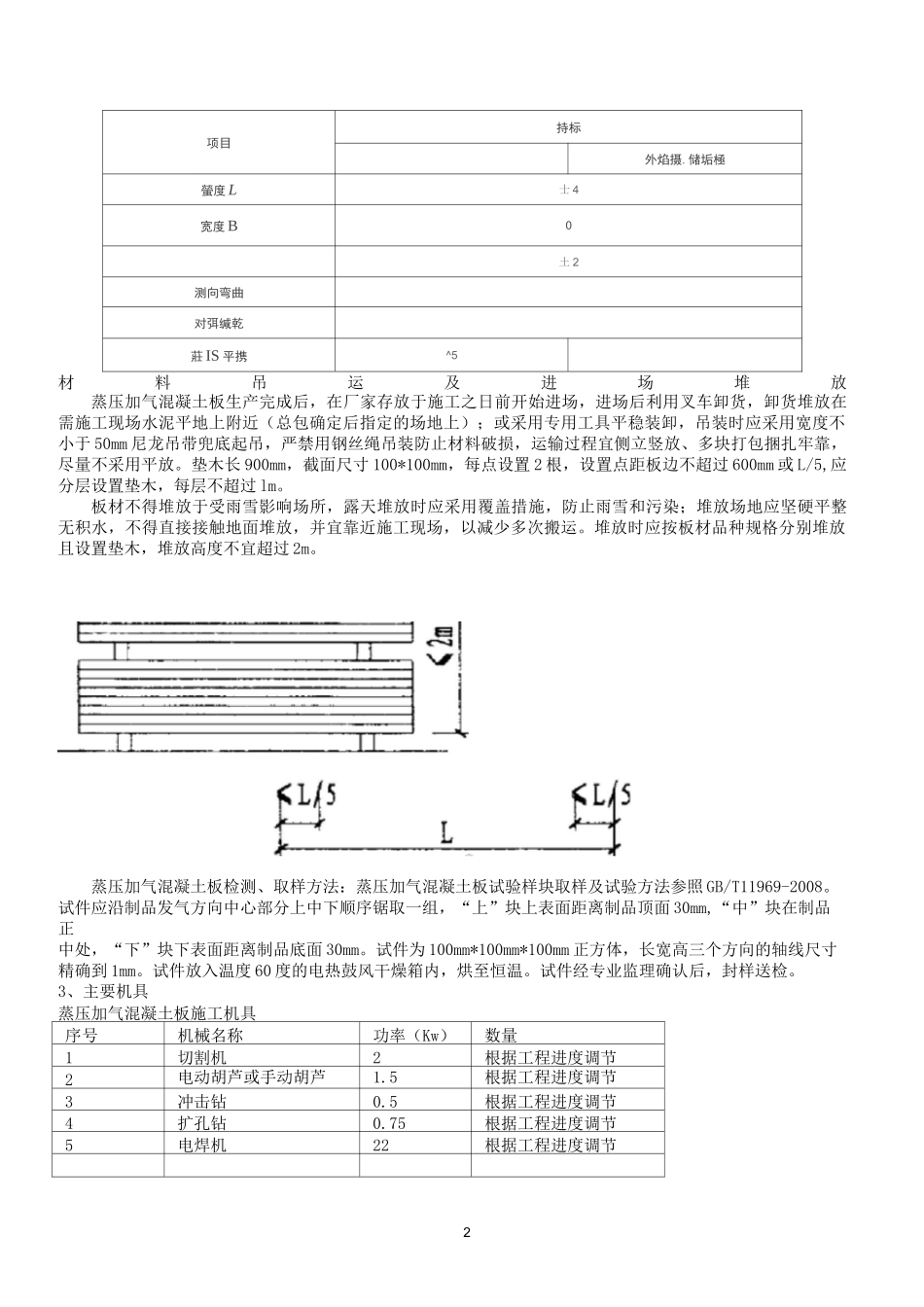
1技术质量安全交底记录建设单位XXXXX 有限公司工程名称XXXXX 项目交底日期交底地点施工现场交底部位蒸压加气混凝土板施工技术交底引用规范规程1、XXXXX 项目 C 地块工程合同和施工图纸2、施工组织设计3、《建筑砂浆配合比设计规程》JGJ/T_98-20114、《砌体填充墙结构构造》12G614-15、《砌体结构设计规范》GB50003-20116、《建筑抗震设计规范》GB50011-20107、《砌体结构工程施工质量验收规范》GB50203-20118、《蒸压加气混凝土砌块、板材构造》13J1049、《蒸压加气混凝土砌块》GB11968-200610、《建筑工程施工质量验收统一标准》GB50300-201311、《建筑施工安全检查标准》JGJ59—201112、《江苏省住宅工程质量通病控制标准》DGJ32J16-201413、《蒸压轻质加气混凝土板》GB15762-200815、《蒸压加气混凝土砌块和板材构造图集》13J10415、其他相关的国家、行业和现行建筑施工的各类规程、规范及验收标准控制要点:一、施工准备1、技术准备1)进行图纸会审,复核设计做法是否符合现行国家规范的要求。2)根据施工组织设计,施工图及国家相应的规范要求,确定各种材料的标准和数量,确定出各部位的施工方法、施工工序以及不同工种间的交叉作业。3)项目相关管理人员对各操作班组作好岗前培训,明确各项工程施工标准及要求。4)根据施工进度由劳务分包单位根据合同及生产要求提前做好各项材料的进场计划及施工进度计划,施工员协同配合完成相关材料的进场,确保砌筑工程按规定时间保质保量完成。5)应对现场砌块的规格、数量、外观尺寸、含水率及强度进行检查。6)测量人员复核建筑物的标高是否引自标准水准点或设计指定的水准点。复核各层轴线控制线及细部轴线,并弹出每层楼层轴线,墙体线、门窗洞口位置线及构造位置线进行二次放线。7)实施样板引路制度,在工程正式施工之前,首先根据常州南广场建设有限公司要求在 14#房 1 楼施工样板墙,以确定相关质量标准和要求。样板墙施工完毕后,必须经建设单位、监理单位、项目部生产、技术、质量部门验收。待样板墙验收合格后再进行大面积施工。8)根据施工方案和施工规范编写技术交底,并经批准然后实施。9)由技术负责人向工长进行方案交底,工长向操作人员进行施工技术交底。10)板墙施工前,应深化排版图。2、材料准备本项目内隔墙板使用 A5.0,B06 蒸压加气混凝土板,板宽度 600,厚度 120/200,长度根据蒸压加气混凝土板所在位置的楼层净高进行加工。蒸压加混凝土板使用的原材料需要符合...

1、当您付费下载文档后,您只拥有了使用权限,并不意味着购买了版权,文档只能用于自身使用,不得用于其他商业用途(如 [转卖]进行直接盈利或[编辑后售卖]进行间接盈利)。
2、本站所有内容均由合作方或网友上传,本站不对文档的完整性、权威性及其观点立场正确性做任何保证或承诺!文档内容仅供研究参考,付费前请自行鉴别。
3、如文档内容存在违规,或者侵犯商业秘密、侵犯著作权等,请点击“违规举报”。

碎片内容

蒸压加气混凝土内隔墙板(AAC板)施工技术交底

您可能关注的文档

确认删除?
VIP
微信客服
  • 扫码咨询
会员Q群
  • 会员专属群点击这里加入QQ群
客服邮箱
回到顶部