电脑桌面
添加小米粒文库到电脑桌面
安装后可以在桌面快捷访问

节后复工检查表

节后复工检查表_第1页
1/3
节后复工检查表_第2页
2/3
节后复工检查表_第3页
3/3
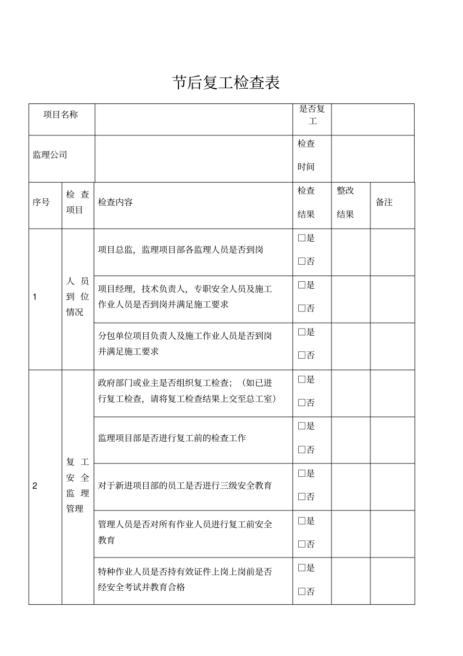
节后复工检查表项目名称是否复工监理公司检查时间序号检 查项目检查内容检查结果整改结果备注1人 员到 位情况项目总监,监理项目部各监理人员是否到岗□是□否项目经理,技术负责人,专职安全人员及施工作业人员是否到岗并满足施工要求□是□否分包单位项目负责人及施工作业人员是否到岗并满足施工要求□是□否2复 工安 全监 理管理政府部门或业主是否组织复工检查;(如已进行复工检查,请将复工检查结果上交至总工室)□是□否监理项目部是否进行复工前的检查工作□是□否对于新进项目部的员工是否进行三级安全教育□是□否管理人员是否对所有作业人员进行复工前安全教育□是□否特种作业人员是否持有效证件上岗上岗前是否经安全考试并教育合格□是□否复工前是否进行安全隐患排查,是否整改闭合□是□否3复 工施 工材 料及 设备 情况复工所需施工材料是否合格并准备齐全□是□否复工所用到的施工机具及相关机械设备是否符合使用要求□是□否4复 工现 场安 全隐 患检查临时用电设施是否进行复工前检查□是□否复工前是否对现场起重设备(包括塔吊和人货梯等)进行安全检查设备是否进行定期保养并满足使用要求□是□否序号检 查项目检查内容检查结果整改结果备注4复 工现 场安 全隐 患检查起重设备特种作业人员的操作证是否在有效期内□是□否复工前是否对基坑支护结构进行安全隐患检查是否有基坑支护的变形监测记录基坑是否有积水情况等□是□否复工前是否对基础进行安全隐患检查暴露在室外的地基是否满足设计及规范要求□是□否复工前是否对受限空间安全隐患进行检查是否对进入人员和监护人进行施工培训等□是□否复工前是否对模板支撑、脚手架、卸料平台等支撑体系进行安全隐患检查□是□否复工前是否对安全防护措施进行检查(如“三宝”、“四口”、“五临边”的检查)□是□否复工前是否对消防设施进行检查灭火器是否在有效期内□是□否作业区的安全警示标志设置是否齐全合理□是□否电梯井、孔洞等围蔽是否牢固可靠□是□否5现 场文 明施 工检查施工现场出入口车辆冲洗设施是否完好并正常使用□是□否工地围蔽、交通疏解道、广告画、防撞杆等设施破损是否修复□是□否施工场地道路是否畅通场地内是否积水□是□否施工现场是否存在住人现象□是□否说明:1. 本表为复工检查通用表格,如所在项目没有该项检查内容,在相应备注栏内注明。2. 本表格需打印后使用,现场总监/ 总代及检查人员签名确认后将扫描件上传。专业监理工程师:总监理工程师:

1、当您付费下载文档后,您只拥有了使用权限,并不意味着购买了版权,文档只能用于自身使用,不得用于其他商业用途(如 [转卖]进行直接盈利或[编辑后售卖]进行间接盈利)。
2、本站所有内容均由合作方或网友上传,本站不对文档的完整性、权威性及其观点立场正确性做任何保证或承诺!文档内容仅供研究参考,付费前请自行鉴别。
3、如文档内容存在违规,或者侵犯商业秘密、侵犯著作权等,请点击“违规举报”。

碎片内容

节后复工检查表

您可能关注的文档

确认删除?
VIP
微信客服
  • 扫码咨询
会员Q群
  • 会员专属群点击这里加入QQ群
客服邮箱
回到顶部