电脑桌面
添加小米粒文库到电脑桌面
安装后可以在桌面快捷访问

储油罐加工制作工艺守则VIP免费

储油罐加工制作工艺守则_第1页
1/6
储油罐加工制作工艺守则_第2页
2/6
储油罐加工制作工艺守则_第3页
3/6
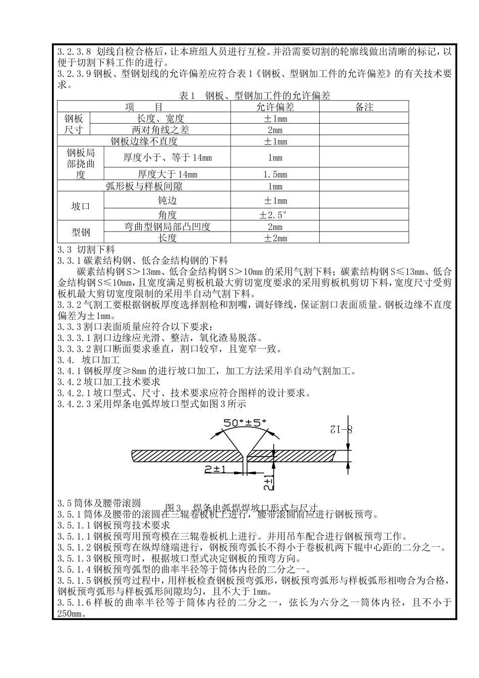
1范围本守则规定了储油罐下料、滚圆、焊装、试漏、喷漆的工艺流程。本守则适用于变压器的储油柜加工及焊装,也适用于运输油罐的加工及焊装。2目的为了规范储油柜及油罐制作的加工工艺,保证加工质量。3加工3.1.材料要求3.1.1.所用钢材及焊材必须符合国家标准,并有制造厂的材料质量证明书原件或盖有经营商红章的复印件。3.1.2.凡属钢材及焊材的质量证明书检验项目不全或对资料有怀疑的钢材与焊材,必须进行复验,复验合格后,方可领用。3.1.3为了降低生产材料成本,油柜壁、腰带、筒壁等卷筒件允许使用开平板,其它如法兰、盖板等平板件不允许使用开平板,要求使用原平板。3.2.划线3.2.1划线工具角尺、钢板尺、钢卷尺、划规、地规、粉笔、粉线、石笔、洋冲、手锤、划针、划线专用样板。3.2.2划线技术要求3.2.2.1划线尺寸应符合图样技术要求。注意筒节拼接宽度不得小于300mm。3.2.2.2划线时先检查钢材来料情况。如果钢板是毛边钢板,应在钢板内距毛边40~100mm处划切割线,以便除去钢板在轧制过程中在边缘形成的夹层等缺陷,以切割线为基准线进行下料划线工作。3.2.2.3检查钢材的表面质量。钢材的表面不得有裂纹、结疤、折叠、严重锈蚀及杂物等缺陷。3.2.2.4划线时,应将钢板表面的铁锈及杂物清除干净,并将钢板垫起40~60mm。筒节的展开尺寸,应以筒节的平均直径为计算依据,其公式如下(见图1所示):L=π(Φ+S)mm式中:L—按筒节的平均直径计算的展开长度(mm);Φ—筒节内直径(mm);S—筒节的名义壁厚(mm)。3.2.2.5划线时,应考虑拼接位置应避开集气室、腰带等位置,以便让可漏焊道外露。3.2.2.6为了便于筒节的装配及管孔放线,应根据展开图在钢板上划出筒体纵向中心线并打上洋冲眼,以作为筒节的装配及筒体的管孔划线的基准线。3.2.3以筒节为例介绍下料划线的一种方法见图23.2.3.1以钢板整齐的一端作为划线基准,如图1中的A端为划线基准。3.2.3.2在划线基准的一端以钢板的一角a点为起点,取线段ab。3.2.3.3分别以a和b两点为圆心,以ab线段长为半径,划两弧相交于d点,过b和d作直线bc,并使bc=2ab。3.2.3.4连接ac并延长至e,使ae等于筒节的展开长度L,同理,在ab的延长线上取ag等于筒节的长度l。即ae=L,ag=l.3.2.3.5做gf⊥ag,ef⊥ac,垂直线gf和ef相交于f点。3.2.3.6检验筒节下料钢板长度尺寸L,宽度尺寸l,量对角线长度尺寸,其互差不大于2mm。3.2.3.7按图样要求,在下料后找出中心线,并按中心定位划出所钻孔的位置及所开孔的轮廓线,并检查划线尺寸,做好检查记录。图2图1柜壁示意图3.2.3.8划线自检合格后,让本班组人员进行互检。并沿需要切割的轮廓线做出清晰的标记,以便于切割下料工作的进行。3.2.3.9钢板、型钢划线的允许偏差应符合表1《钢板、型钢加工件的允许偏差》的有关技术要求。表1钢板、型钢加工件的允许偏差项目允许偏差备注钢板尺寸长度、宽度±1mm两对角线之差2mm钢板边缘不直度±1mm钢板局部挠曲度厚度小于、等于14mm1mm厚度大于14mm1.5mm弧形板与样板间隙1mm坡口钝边±1mm角度±2.5°型钢弯曲型钢局部凸凹度2mm长度±2mm3.3切割下料3.3.1碳素结构钢、低合金结构钢的下料碳素结构钢S>13mm、低合金结构钢S>10mm的采用气割下料;碳素结构钢S≤13mm、低合金结构钢S≤10mm,且宽度满足剪板机最大剪切宽度要求的采用剪板机剪切下料,宽度尺寸受剪板机最大剪切宽度限制的采用半自动气割下料。3.3.2气割工要根据钢板厚度选择割枪和割嘴,调好锋线,保证割口表面质量。钢板边缘不直度偏差为±1mm。3.3.3割口表面质量应符合以下要求:3.3.3.1割口边缘应光滑、整洁,氧化渣易脱落。3.3.3.2割口断面要求垂直,割口较窄,且宽窄一致。3.4.坡口加工3.4.1钢板厚度≥8mm的进行坡口加工,加工方法采用半自动气割加工。3.4.2坡口加工技术要求3.4.2.1坡口型式、尺寸、技术要求应符合图样的设计要求。3.4.2.3采用焊条电弧焊坡口型式如图3所示3.5筒体及腰带滚圆3.5.1筒体及腰带的滚圆在三辊卷板机上进行,腰带滚圆前应进行钢板预弯。3.5.1.1钢板预弯技术要求3.5.1.1钢板预弯用预弯模在三辊卷板机上进行。并用吊车配合进行钢板预弯工作。3.5.1.2钢板预弯在纵焊缝端进行,钢...

1、当您付费下载文档后,您只拥有了使用权限,并不意味着购买了版权,文档只能用于自身使用,不得用于其他商业用途(如 [转卖]进行直接盈利或[编辑后售卖]进行间接盈利)。
2、本站所有内容均由合作方或网友上传,本站不对文档的完整性、权威性及其观点立场正确性做任何保证或承诺!文档内容仅供研究参考,付费前请自行鉴别。
3、如文档内容存在违规,或者侵犯商业秘密、侵犯著作权等,请点击“违规举报”。

碎片内容

储油罐加工制作工艺守则

确认删除?
VIP
微信客服
  • 扫码咨询
会员Q群
  • 会员专属群点击这里加入QQ群
客服邮箱
回到顶部