电脑桌面
添加小米粒文库到电脑桌面
安装后可以在桌面快捷访问

建设工程质量检测参数汇总表

建设工程质量检测参数汇总表_第1页
1/34
建设工程质量检测参数汇总表_第2页
2/34
建设工程质量检测参数汇总表_第3页
3/34
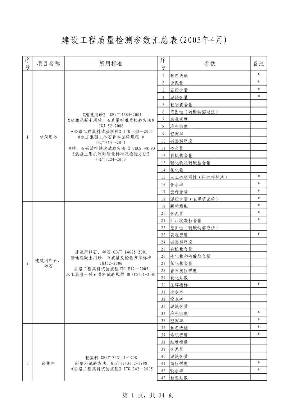
序号项目名称所用标准序号参数备注1颗粒级配*2含泥量*3石粉含量*4泥块含量*5轻物质含量6坚固性(硫酸钠溶液法)7表观密度8堆积密度9空隙率10碱集料反应11砂当量12有机物含量13硫化物及硫酸盐含量14氯化物15人工砂坚固性(压碎指标法)*16含水率*17云母含量*18泥粉含量(亚甲篮试验)*19颗粒级配*20含泥量*21针片状颗粒含量*22坚固性(硫酸钠溶液法)23表观密度*24碱集料反应25有机物含量26硫化物和硫酸盐含量27氯化物含量28岩石抗压强度29软化系数30压碎指标*31含水率32吸水率33泥块含量34堆积密度*35空隙率*36颗粒级配*37堆积密度*38细度模数39含泥量40泥块含量41筒压强度*42吸水率*43粒型系数轻集料3轻集料 GB/T17431.1-1998轻集料试验方法. GB/T17431.2-1998《公路工程集料试验规程》JTG E42—2005《建筑用砂》 GB/T14684-2001《普通混凝土用砂、石质量标准及检验方法》JGJ 52-2006《公路工程集料试验规程》JTG E42—2005《水工混凝土砂石骨料试验规程 》DL/T5151-2001《砂、石碱活性快速试验方法 》CECS 48:93《混凝土用机制砂质量标准及检验方法》GB/T5224-2003建筑用砂建筑用卵石、碎石 GB/T 14685-2001普通混凝土用砂、石质量及检验方法标准JGJ52-2006公路工程集料试验规程JTG E42—2005水工混凝土砂石骨料试验规程 DL/T5151-2001建筑用卵石、碎石12建设工程质量检测参数汇总表(2005年4月)第 1 页,共 34 页序号项目名称所用标准序号参数备注44软化系数*45表观密度*46空隙率*47强度标号48表面含水率49硫化物及硫酸盐含量50有机物含量51烧失量*52沸煮质量损失53氧化镁54三氧化硫55比表面积56细度*57凝结时间*58安定性*59强度*60碱含量61水化热62水泥标准稠度用水量*63密度64氧化钙65色度66水泥颗粒级配67不溶物68烧失量69线膨胀率70水泥胶砂流动度71泌水性72游离液73稠化时间74不透水性75自由膨胀率76自应力值77自应力增进率78水化水泥胶砂中硫酸钙含量79水泥用铁质原料化学分析80水泥胶砂干缩试验81水泥抗硫酸盐侵蚀试验82含固量*83对水泥的适应性84泡沫性能85还原糖份86表面张力87密度88含水量43轻集料轻集料试验方法. GB/T17431.2-1998《公路工程集料试验规程》JTG E42—2005砂浆、混凝土外加剂混凝土外加剂 GB8076-1997混凝土外加剂应用技术规范 GB50119-2003混凝土泵送剂 JC473-2001砂浆、混凝土防水剂 JC474-1999混凝土防冻剂 JC475-2004混凝土膨胀剂 JC476-2001水工混凝土外加剂技术规程 DL/T5100-1999混...

1、当您付费下载文档后,您只拥有了使用权限,并不意味着购买了版权,文档只能用于自身使用,不得用于其他商业用途(如 [转卖]进行直接盈利或[编辑后售卖]进行间接盈利)。
2、本站所有内容均由合作方或网友上传,本站不对文档的完整性、权威性及其观点立场正确性做任何保证或承诺!文档内容仅供研究参考,付费前请自行鉴别。
3、如文档内容存在违规,或者侵犯商业秘密、侵犯著作权等,请点击“违规举报”。

碎片内容

建设工程质量检测参数汇总表

您可能关注的文档

确认删除?
VIP
微信客服
  • 扫码咨询
会员Q群
  • 会员专属群点击这里加入QQ群
客服邮箱
回到顶部