电脑桌面
添加小米粒文库到电脑桌面
安装后可以在桌面快捷访问

2024年监理工程师理论与法规章节复习重点及典型例题VIP免费

2024年监理工程师理论与法规章节复习重点及典型例题_第1页
1/4
2024年监理工程师理论与法规章节复习重点及典型例题_第2页
2/4
2024年监理工程师理论与法规章节复习重点及典型例题_第3页
3/4
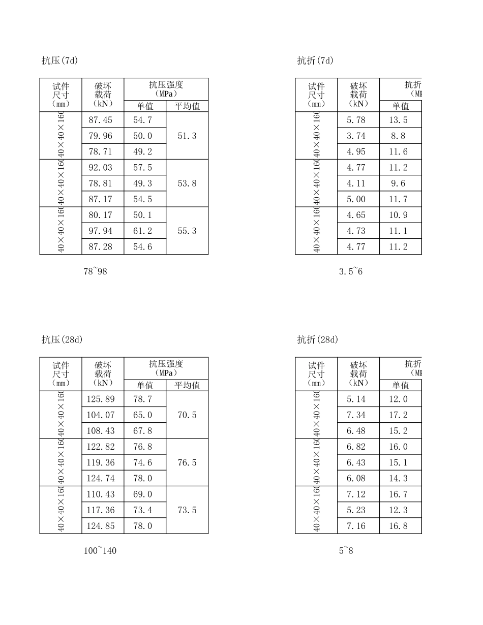
单值平均值单值40×40×16087.4554.751.340×40×1605.7813.579.9650.03.748.878.7149.24.9511.640×40×16092.0357.553.840×40×1604.7711.278.8149.34.119.687.1754.55.0011.740×40×16080.1750.155.340×40×1604.6510.997.9461.24.7311.187.2854.64.7711.278~98单值平均值单值40×40×160125.8978.770.540×40×1605.1412.0104.0765.07.3417.2108.4367.86.4815.240×40×160122.8276.876.540×40×1606.8216.0119.3674.66.4315.1124.7478.06.0814.340×40×160110.4369.073.540×40×1607.1216.7117.3673.45.2312.3124.8578.07.1616.8100~140抗压(7d)抗折(7d)试件尺寸(mm)破坏载荷(kN)抗压强度(MPa)试件尺寸(mm)破坏载荷(kN)抗折强度(MPa)3.5~6抗压(28d)抗折(28d)试件尺寸(mm)破坏载荷(kN)抗压强度(MPa)试件尺寸(mm)破坏载荷(kN)抗折强度(MPa)5~8单值平均值单值40×40×16073.2545.838.340×40×1603.408.058.2236.43.377.952.3832.73.508.240×40×16050.4731.536.140×40×1603.117.371.1144.42.997.051.6432.33.197.540×40×16059.7437.338.440×40×1603.979.358.2436.43.989.366.2041.44.239.950~75抗压(3d)抗折(3d)试件尺寸(mm)破坏载荷(kN)抗压强度(MPa)试件尺寸(mm)破坏载荷(kN)抗折强度(MPa)2.5~4.5平均值11.3抗折10.8Rf=3PfL/2bh²=2.34Pf(MPa)2.3437511.1平均值14.815.115.3抗折强度(MPa)抗折强度(MPa)平均值8.07.39.5抗折强度(MPa)

1、当您付费下载文档后,您只拥有了使用权限,并不意味着购买了版权,文档只能用于自身使用,不得用于其他商业用途(如 [转卖]进行直接盈利或[编辑后售卖]进行间接盈利)。
2、本站所有内容均由合作方或网友上传,本站不对文档的完整性、权威性及其观点立场正确性做任何保证或承诺!文档内容仅供研究参考,付费前请自行鉴别。
3、如文档内容存在违规,或者侵犯商业秘密、侵犯著作权等,请点击“违规举报”。

碎片内容

2024年监理工程师理论与法规章节复习重点及典型例题

山水人家+ 关注
实名认证
内容提供者

读万卷书,行万里路。

确认删除?
VIP
微信客服
  • 扫码咨询
会员Q群
  • 会员专属群点击这里加入QQ群
客服邮箱
回到顶部