电脑桌面
添加小米粒文库到电脑桌面
安装后可以在桌面快捷访问

张坞大桥现浇箱梁支架预压报告

张坞大桥现浇箱梁支架预压报告_第1页
1/11
张坞大桥现浇箱梁支架预压报告_第2页
2/11
张坞大桥现浇箱梁支架预压报告_第3页
3/11
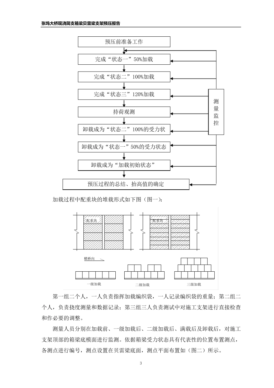
张 坞 大 桥 现 浇 简 支 箱 梁 贝 雷 梁 支 架 预 压报告 1 目 录 一、支架预压目的.......................................................2 二、 预压方法..........................................................2 三、预压过程...........................................................4 四、钢管支架的预压数据.................................................5 五、 理论跨中绕度预估..................................................9 六、 预压数据分析......................................................9 七、预压分析及数据采纳.................................................9 八、预拱度设置.........................................................9 张 坞 大 桥 现 浇 简 支 箱 梁 贝 雷 梁 支 架 预 压报告 2 一、支架预压目的 通过对现浇箱梁的施工支架加载预压,检查箱梁施工支架的承载力及其稳定性。通过测试得出在实体荷载作用下支架的弹性和非弹性变形参数,为后期箱梁施工中底模预拱度设置提供依据,保证箱梁结构线形符合施工图纸要求。 二、预压方法 支架预压取张坞大桥5号墩~6号台跨箱梁支架范围27.5m 段作支架预压段。根据施工图纸,按1.2的恒载分项系数计算得预压段箱梁自重(包括钢筋、钢绞线等786.02t)×1.2+模板重量(79.39t)+附加荷载(12t)=1034.6t,加载最大荷载为该箱梁梁段自重的1.2倍。加载采用1.2 m ×1.2 m ×1.0 m 的编织袋,每袋装土碎石土自重约1.2吨。 整个预压加载过程模拟实际混凝土施工时的荷载分布,按照先二端底板,再腹板,最后堆载顶板和翼板的顺序进行,并分三级进行加载,各级加载重量及间隔时间如下表 5号墩~6号台跨现浇箱梁施工支架分级加载和卸载重量表 分级 加载值(吨) 持荷载时间 加载前(0) 0 / 第一级荷载(50%) 431.1 24小 时 第二级荷载(100%) 865.41 12小 时 第三级荷载(120%) 1034.6 72小 时 卸载(0) 0 / 箱梁施工“ 预压-卸载” 试验 流 程图 张 坞 大 桥 现 浇 简 支 箱 梁 贝 雷 梁 支 架 预 压报告 3 加载过程中配重块的堆载形式如下图(图一): 配重块配重块横桥向一级加载二级加载三级加载 第一组二个人,一人负责指挥加载编织袋,一人记录编织袋的重量;第二组二个人,负责挠度测量和数据记录;第三组三人负...

1、当您付费下载文档后,您只拥有了使用权限,并不意味着购买了版权,文档只能用于自身使用,不得用于其他商业用途(如 [转卖]进行直接盈利或[编辑后售卖]进行间接盈利)。
2、本站所有内容均由合作方或网友上传,本站不对文档的完整性、权威性及其观点立场正确性做任何保证或承诺!文档内容仅供研究参考,付费前请自行鉴别。
3、如文档内容存在违规,或者侵犯商业秘密、侵犯著作权等,请点击“违规举报”。

碎片内容

张坞大桥现浇箱梁支架预压报告

您可能关注的文档

确认删除?
VIP
微信客服
  • 扫码咨询
会员Q群
  • 会员专属群点击这里加入QQ群
客服邮箱
回到顶部