电脑桌面
添加小米粒文库到电脑桌面
安装后可以在桌面快捷访问

弹簧管压力表的校验_学习材料

弹簧管压力表的校验_学习材料_第1页
1/7
弹簧管压力表的校验_学习材料_第2页
2/7
弹簧管压力表的校验_学习材料_第3页
3/7
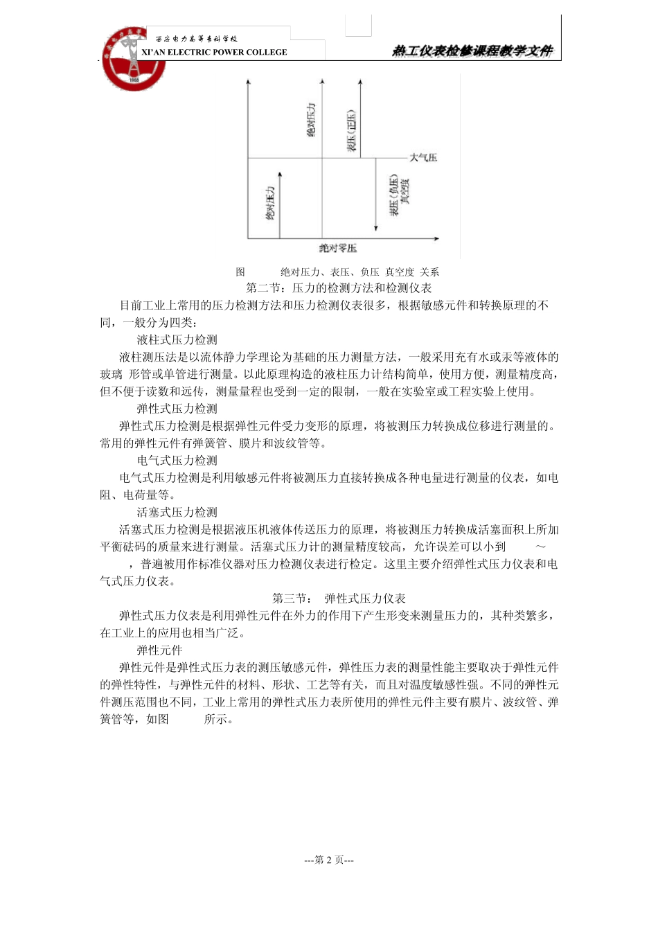
---第1 页--- XI’AN ELECTRIC POWER COLLEGE 西安电力高等专科学校 “热工仪表检修”学习材料 工作任务 2.1 弹簧管压力表的校验 压力和差压是工业生产过程中常见的过程参数之一。在许多场合需要直接检测、控制的压力参数,如锅炉的气包压力、炉膛压力、烟道压力;化学生产中的反应斧压力、加热炉压力等。此外,还有一些不易直接测量的参数,如液位、流量等参数往往需要通过压力或差压的检测来间接获取。因此,压力和差压的测量在各类工业生产领域中如石油、电力、化工、冶金、航天航空、环保、轻工等占有很重要的地位。 第一节 压力的概念和表示方法 在工程上将垂直而均匀作用在单位面积上的力称为压力,两个测量压力之间的差值称为压力差或压差,工程上习惯叫差压。 在国际单位制和我国的法定计量单位中,压力的单位采用牛顿/米2(N/m2),通常称为帕斯卡或简称帕(Pa)。帕(Pa)这个单位在实际应用中太小,不方便,目前我国生产的各种压力表都统一用kPa(103Pa)或MPa(106Pa)为压力或差压的基本单位。我国在试行法定计量单位以前还常用工程大气压(kg/cm2)、毫米水柱(mmH2O)和毫米汞柱(mmHg)等单位。另外在英美等西方国家的一些变送器中还常用bar(巴)作压力的单位。表6.1.1为几种压力单位的换算关系。 表6.1.1 压力单位换算表 在工程上,被测压力通常有绝对压力、表压和负压(真空度)之分。三者关系如图 6.1.1 所示。绝对压力是指作用在单位面积上的全部压力,用来测量绝对压力的仪表称为绝对压力表。地面上空气柱所产生的平均压力称为大气压力,高于大气压的绝对压力与大气压力之差称为表压,低于大气压力的被测压力称为负压或真空度,其值为大气压力与绝对压力之差。由于各种工艺设备和检测仪表通常是处于大气之中,本身就承受着大气压力,因此工程上通常采用表压或者真空度来表示压力的大小,一般的压力检测仪表所指示的压力也是表压或者真空度。 除特殊说明之外,以后所提及的压力均指表压。 ---第2 页--- XI’AN ELECTRIC POWER COLLEGE 西安电力高等专科学校 图 6.1.1 绝对压力、表压、负压(真空度)关系 第二节:压力的检测方法和检测仪表 目前工业上常用的压力检测方法和压力检测仪表很多,根据敏感元件和转换原理的不同,一般分为四类: 1) 液柱式压力检测 液柱测压法是以流体静力学理论为基础的压力测量方法,一般采用充有水或汞等液体的玻璃U形管或单管进行测量。以此原理构造的液柱压力计结构简单,使用...

1、当您付费下载文档后,您只拥有了使用权限,并不意味着购买了版权,文档只能用于自身使用,不得用于其他商业用途(如 [转卖]进行直接盈利或[编辑后售卖]进行间接盈利)。
2、本站所有内容均由合作方或网友上传,本站不对文档的完整性、权威性及其观点立场正确性做任何保证或承诺!文档内容仅供研究参考,付费前请自行鉴别。
3、如文档内容存在违规,或者侵犯商业秘密、侵犯著作权等,请点击“违规举报”。

碎片内容

弹簧管压力表的校验_学习材料

确认删除?
VIP
微信客服
  • 扫码咨询
会员Q群
  • 会员专属群点击这里加入QQ群
客服邮箱
回到顶部