电脑桌面
添加小米粒文库到电脑桌面
安装后可以在桌面快捷访问

施工噪声监测记录表附表C

施工噪声监测记录表附表C_第1页
1/6
施工噪声监测记录表附表C_第2页
2/6
施工噪声监测记录表附表C_第3页
3/6
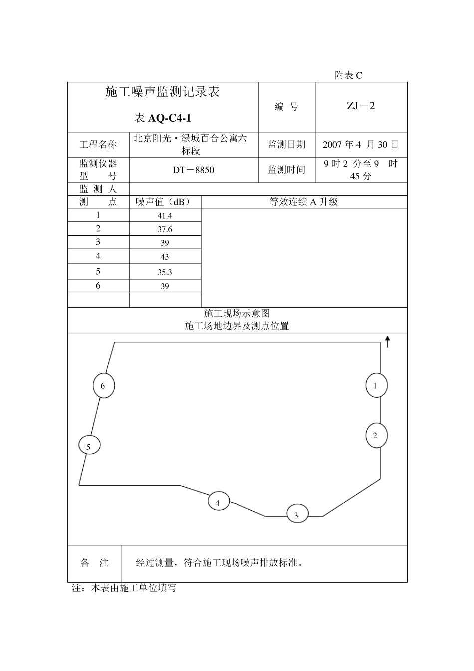
附表C 施工噪声监测记录表 表AQ-C4-1 编 号 ZJ-1 工程名称 北京阳光·绿城百合公寓六 标段 监测日期 2007 年 3 月 31 日 监测仪器 型 号 DT-8850 监测时间 8 时 5 分至 8 时 50 分 监 测 人 测 点 噪声值(dB) 等效连续 A 升级 1 35.3 2 32 3 43.8 4 36.2 5 30.5 6 36 施工现场示意图 施工场地边界及测点位置 备 注 经过测量,符合施工现场噪声排放标准。 注:本表由施工单位填写 1 2 3 4 5 6 附表C 施工噪声监测记录表 表AQ-C4-1 编 号 ZJ-2 工程名称 北京阳光·绿城百合公寓六 标段 监测日期 2007 年 4 月 30 日 监测仪器 型 号 DT-8850 监测时间 9 时 2 分至 9 时 45 分 监 测 人 测 点 噪声值(dB) 等效连续 A 升级 1 41.4 2 37.6 3 39 4 43 5 35.3 6 39 施工现场示意图 施工场地边界及测点位置 备 注 经过测量,符合施工现场噪声排放标准。 注:本表由施工单位填写 1 2 3 4 5 6附表C 施工噪声监测记录表 表AQ-C4-1 编 号 ZJ-3 工程名称 北京阳光·绿城百合公寓六 标段 监测日期 2007 年 5 月 31 日 监测仪器 型 号 DT-8850 监测时间 20 时 10 分至 20 时 50 分 监 测 人 测 点 噪声值(dB) 等效连续 A 升级 1 30.7 2 40 3 35.3 4 41 5 39.6 6 43.2 施工现场示意图 施工场地边界及测点位置 备 注 经过测量,符合施工现场噪声排放标准。 注:本表由施工单位填写 1 2 3 4 5 6附表C 施工噪声监测记录表 表AQ-C4-1 编 号 ZJ-4 工程名称 北京阳光·绿城百合公寓六 标段 监测日期 2007 年 6 月 30 日 监测仪器 型 号 DT-8850 监测时间 8 时 3 分至 8 时 40 分 监 测 人 测 点 噪声值(dB) 等效连续 A 升级 1 43 2 45.4 3 40.1 4 38 5 48.2 6 39 施工现场示意图 施工场地边界及测点位置 备 注 经过测量,符合施工现场噪声排放标准。 注:本表由施工单位填写 1 2 3 4 5 6附表C 施工噪声监测记录表 表AQ-C4-1 编 号 ZJ-5 工程名称 北京阳光·绿城百合公寓六 标段 监测日期 2007 年 7 月 31 日 监测仪器 型 号 DT-8850 监测时间 10 时 30 分至 11 时 10 分 监 测 人 测 点 噪声值(dB) 等效连续 A 升级 1 36 2 40.9 3 45 4 39 5 37.8 6 43 施工现场示意图 施工场地边界及测点位置 备 注 经过测量,符合施工现场噪声排放标准。 注:本表由施工单位填写 1 2 3 4 5 6附表C 施工噪声监测记录表 表AQ-C4-1 编 号 ZJ-6 工程名称 北京阳光·绿城百合公寓六 标段 监测日期 2007 年 8 月 31 日 监测仪器 型 号 DT-8850 监测时间 9 时 20 分至 10 时 5 分 监 测 人 测 点 噪声值(dB) 等效连续 A 升级 1 40 2 38.4 3 29.5 4 33.8 5 42 6 45.2 施工现场示意图 施工场地边界及测点位置 备 注 经过测量,符合施工现场噪声排放标准。 注:本表由施工单位填写 1 2 3 4 5 6

1、当您付费下载文档后,您只拥有了使用权限,并不意味着购买了版权,文档只能用于自身使用,不得用于其他商业用途(如 [转卖]进行直接盈利或[编辑后售卖]进行间接盈利)。
2、本站所有内容均由合作方或网友上传,本站不对文档的完整性、权威性及其观点立场正确性做任何保证或承诺!文档内容仅供研究参考,付费前请自行鉴别。
3、如文档内容存在违规,或者侵犯商业秘密、侵犯著作权等,请点击“违规举报”。

碎片内容

施工噪声监测记录表附表C

您可能关注的文档

确认删除?
VIP
微信客服
  • 扫码咨询
会员Q群
  • 会员专属群点击这里加入QQ群
客服邮箱
回到顶部