电脑桌面
添加小米粒文库到电脑桌面
安装后可以在桌面快捷访问

施工图制图规范

施工图制图规范_第1页
1/9
施工图制图规范_第2页
2/9
施工图制图规范_第3页
3/9
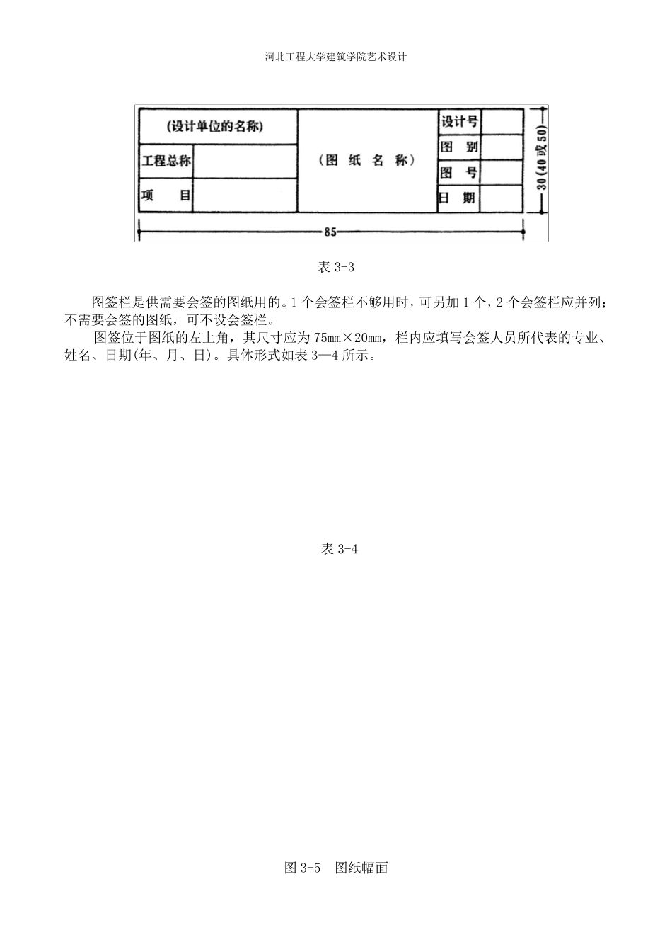
河 北 工 程 大 学 建 筑 学 院 艺 术 设 计 制 图 标 准 和 有 关 规 定 第 一 节 图 纸 的 幅 面 为 了 做 到 工 程 图 基 本 统 一 , 清 晰 简 明 , 提 高 制 图 效 率 , 满 足 设 计 、 施 工 、 存 档 的 要 求 ,关 于 图 纸 幅 面 大 小 的 尺 寸 , 国 家 制 订 了 全 国 统 一 的 标 准 :《 房 屋 建 筑 制 图 统 一 标 准 》 (GBJl~86)。 该 标 准 规 定 , 图 纸 幅 面 的 基 本 尺 寸 为5 种 , 其 代 号 分 别 为A0、 A1、 A2、 A3、 A4、 各类 尺 寸 大 小 。 如 表 3— 1 所 示 。 表 3-1 其 图 纸 幅 面 如 图 3— 2 所 示 。 图 3-2 图 纸 幅 面 为 了 适 应 建 筑 物 的 具 体 情 况 , 平 面 尺 寸 有 时 要 适 当 放 大 , 所 以 《 标 准 》 中 又 规 定 了 图 纸长 边 可 以 加 长 的 尺 寸 。 允 许 加 长 A0—A3 号 图 纸 的 边 长 ; 加 长 部 分 的 尺 寸 应 为 长 边 的1/8 及其 倍 数 。 如 图 3— 2 所 示 。 注 : 图 纸 的 短 边 不 得 加 长 。 第 二 节 图 框 线 图 框 线 格 式 用 粗 实 线 画 出 , 如 图 3— 2 所 示 。 第 三 节 图 标 与 图 签 图 标 栏 和 图 签 栏 又 叫 标 题 栏 和 会 签 栏 , 是设 计 图 框 的 组成部 分 。 图 标 栏 是说明 设 计 单位、图 名、 编号 的 表 格 。 图 标 的 位置一 般在图 纸 的 右下角。 图 标 的 尺 寸 在国 家 标 准 中 也有 规 定 , A2、 3、 4 号 图 纸的 小 图 标 其 长 边 的 长 度应 为 85mm; 短 边 的 长 度宜采用 30、 40、 50mm 三 种 尺 寸 。 如 表 3— 3 所示 。 基 本 幅 面 代 号 A0 A1 A2 A3 A4 b×1 841×1189 594×841 420×594 297×420 297×210 c 10 5 a 25 河北工程大学建筑学院艺术设计 表3-3 图签栏是供需要会签的图纸用的。1 个会签栏不够用时,可另加1 个,2 个会签栏应并列;不需要会签的图纸,可不设会签栏。 图签位于图纸的左上角,其尺寸应为75mm×20mm,栏内应填写会签人员所...

1、当您付费下载文档后,您只拥有了使用权限,并不意味着购买了版权,文档只能用于自身使用,不得用于其他商业用途(如 [转卖]进行直接盈利或[编辑后售卖]进行间接盈利)。
2、本站所有内容均由合作方或网友上传,本站不对文档的完整性、权威性及其观点立场正确性做任何保证或承诺!文档内容仅供研究参考,付费前请自行鉴别。
3、如文档内容存在违规,或者侵犯商业秘密、侵犯著作权等,请点击“违规举报”。

碎片内容

施工图制图规范

确认删除?
VIP
微信客服
  • 扫码咨询
会员Q群
  • 会员专属群点击这里加入QQ群
客服邮箱
回到顶部