电脑桌面
添加小米粒文库到电脑桌面
安装后可以在桌面快捷访问

日产骊威保养解析

日产骊威保养解析_第1页
1/15
日产骊威保养解析_第2页
2/15
日产骊威保养解析_第3页
3/15
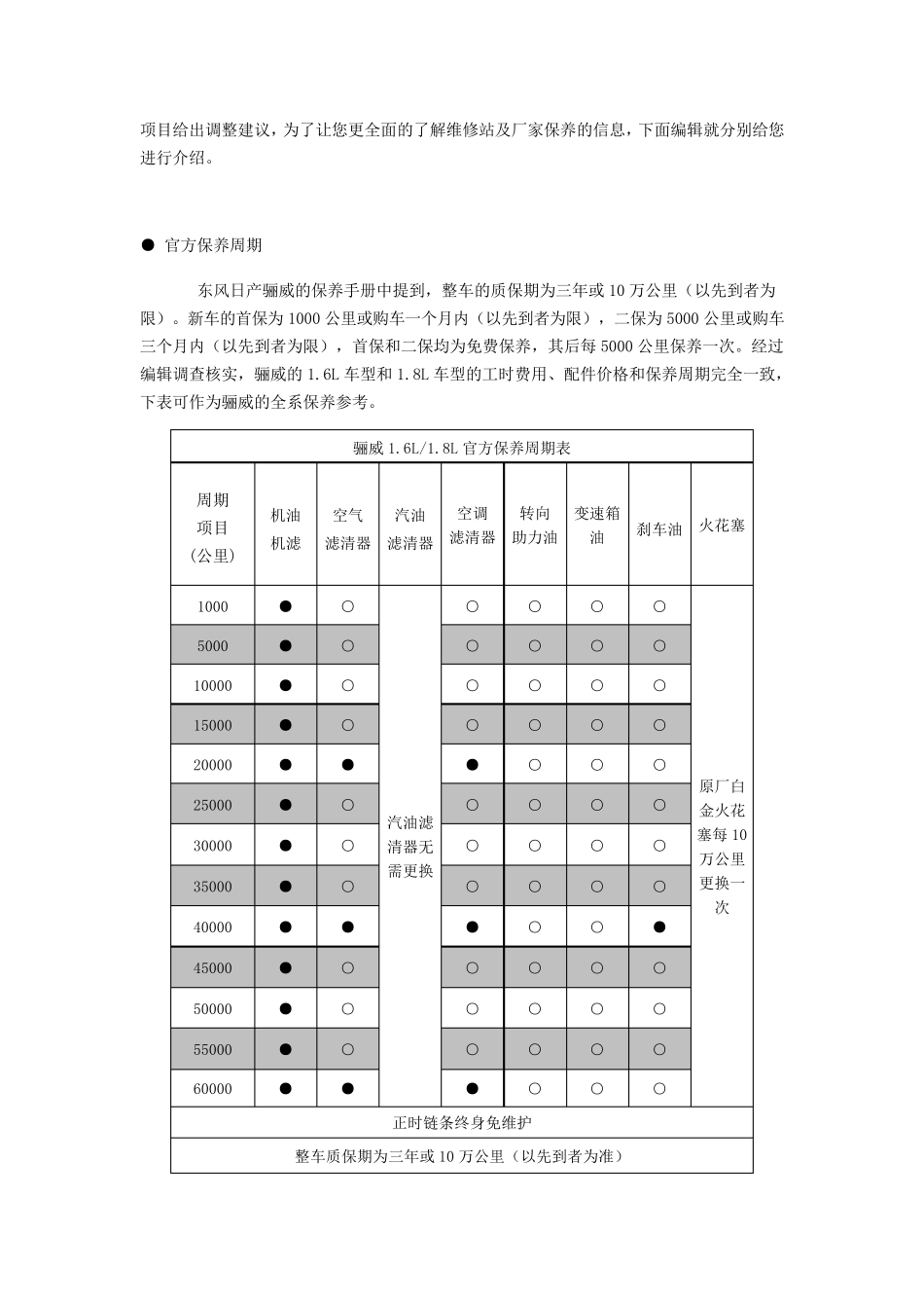
小保养302 元 2010 款日产骊威保养解析 2012 年11 月07 日 01:00 来源:汽车之家 类型:原创 编辑:张欣 评论数(54) [汽车之家 用车养车] 东风日产骊威一直以它较大的空间、实惠的价格而获得消费者良好的口碑。那么它的保养费用怎么样呢?今天我们就为大家带来骊威的日常保养费用解析,希望能帮助到想购买这款车的网友们。 有关车辆保养周期及更换项目,厂家会在车辆出厂时通过随车附带的保养手册告知车主。由于该数据是基于理想状态下设计,实际情况可能无法达到。因此各地的维修站会根据当地实际情况(如燃油品质、空气质量、道路状况)以及车主使用等情况,对保养周期及项目给出调整建议,为了让您更全面的了解维修站及厂家保养的信息,下面编辑就分别给您进行介绍。 ● 官方保养周期 东风日产骊威的保养手册中提到,整车的质保期为三年或10 万公里(以先到者为限)。新车的首保为1000 公里或购车一个月内(以先到者为限),二保为5000 公里或购车三个月内(以先到者为限),首保和二保均为免费保养,其后每5000 公里保养一次。经过编辑调查核实,骊威的1.6L 车型和1.8L 车型的工时费用、配件价格和保养周期完全一致,下表可作为骊威的全系保养参考。 骊威1.6L/1.8L 官方保养周期表 周期 项目 (公里) 机油 机滤 空气 滤清器 汽油 滤清器 空调 滤清器 转向 助力油 变速箱油 刹车油 火花塞 1000 ● ○ 汽油滤清器无需更换 ○ ○ ○ ○ 原厂白金火花塞每10万公里更换一次 5000 ● ○ ○ ○ ○ ○ 10000 ● ○ ○ ○ ○ ○ 15000 ● ○ ○ ○ ○ ○ 20000 ● ● ● ○ ○ ○ 25000 ● ○ ○ ○ ○ ○ 30000 ● ○ ○ ○ ○ ○ 35000 ● ○ ○ ○ ○ ○ 40000 ● ● ● ○ ○ ● 45000 ● ○ ○ ○ ○ ○ 50000 ● ○ ○ ○ ○ ○ 55000 ● ○ ○ ○ ○ ○ 60000 ● ● ● ○ ○ ○ 正时链条终身免维护 整车质保期为三年或10 万公里(以先到者为准) 注:●:需要更换 ○:检查 在官方的保养手册中我们看到前四次的保养项目中只需要更换机油和机滤。之后的保养中,空气滤清器、空调滤清器每2 万公里更换一次,刹车油每4 万公里更换一次,原厂白金火花塞每10 万公里更换一次。 ● 4S 店实际保养费用调查 根据走访东风日产4S 店得知,4S 店对于客户的建议是按照保养手册上的周期来进行,骊...

1、当您付费下载文档后,您只拥有了使用权限,并不意味着购买了版权,文档只能用于自身使用,不得用于其他商业用途(如 [转卖]进行直接盈利或[编辑后售卖]进行间接盈利)。
2、本站所有内容均由合作方或网友上传,本站不对文档的完整性、权威性及其观点立场正确性做任何保证或承诺!文档内容仅供研究参考,付费前请自行鉴别。
3、如文档内容存在违规,或者侵犯商业秘密、侵犯著作权等,请点击“违规举报”。

碎片内容

日产骊威保养解析

确认删除?
VIP
微信客服
  • 扫码咨询
会员Q群
  • 会员专属群点击这里加入QQ群
客服邮箱
回到顶部