电脑桌面
添加小米粒文库到电脑桌面
安装后可以在桌面快捷访问

明挖隧道施工组织设计

明挖隧道施工组织设计_第1页
1/33
明挖隧道施工组织设计_第2页
2/33
明挖隧道施工组织设计_第3页
3/33
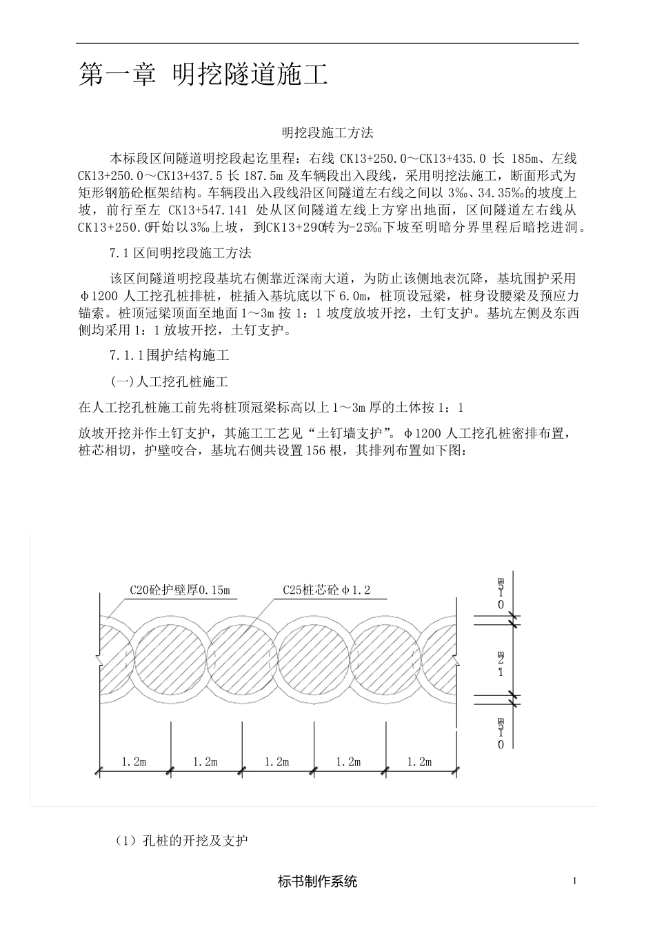
明 挖 隧 道 施 工 组 织 设 计 某 施 工 单 位 2011 年 02 月 21 日 标 书制作系统 1 第一章 明挖隧道施工 明挖段施工方法 本标段区间隧道明挖段起讫里程:右线CK13+250.0~CK13+435.0 长185m、左线CK13+250.0~CK13+437.5 长187.5m 及车辆段出入段线,采用明挖法施工,断面形式为矩形钢筋砼框架结构。车辆段出入段线沿区间隧道左右线之间以3‰、34.35‰的坡度上坡,前行至左CK13+547.141 处从区间隧道左线上方穿出地面,区间隧道左右线从CK13+250.0开始以3‰上坡,到CK13+290转为-25‰下坡至明暗分界里程后暗挖进洞。 7.1 区间明挖段施工方法 该区间隧道明挖段基坑右侧靠近深南大道,为防止该侧地表沉降,基坑围护采用φ1200 人工挖孔桩排桩,桩插入基坑底以下6.0m,桩顶设冠梁,桩身设腰梁及预应力锚索。桩顶冠梁顶面至地面1~3m 按 1:1 坡度放坡开挖,土钉支护。基坑左侧及东西侧均采用1:1 放坡开挖,土钉支护。 7.1.1围护结构施工 (一)人工挖孔桩施工 在人工挖孔桩施工前先将桩顶冠梁标高以上1~3m 厚的土体按 1:1 放坡开挖并作土钉支护,其施工工艺见“土钉墙支护”。φ1200 人工挖孔桩密排布置,桩芯相切,护壁咬合,基坑右侧共设置 156 根,其排列布置如下图: (1)孔桩的开挖及支护 C20砼护壁厚0.15m1.2m0.15m1.2m1.2m1.2m1.2m1.2mC25桩芯砼φ1.20.15m 标 书制作系统 2 人 工 挖 孔 桩 , 采 用 间 隔 三 孔 跳 挖 方 式 进 行 , 每 开 挖 1.0m 高 度 , 立 模 灌 注 一 次 护 壁砼 , 在 砾 质 粘 性 土 及 砂 质 粘 性 土 易 塌 壁 地 段 , 分 段 开 挖 高 度 控 制 在 0.5~ 1.0m 范 围 内 , 采用 插 板 法 开 挖 。 孔 内 出 土 采 用 小 型 电 动 卷 扬 机 提 升 吊 桶 出 土 , 护 壁 模 板 采 用 外 八 字 型 钢 模板 , 拆 上 节 立 下 节 循 环 周 转 使 用 。 根 据 地 质 资 料 , 挖 孔 桩 未 入 岩 , 成 孔 由 人 工 配 合 风 镐 、铁 铲 开 挖 。 ( 2) 挖 孔 桩 成 孔 的 质 量 控 制 及 允 许 偏 差 ① 开 挖 前 准 确 定 位 放 样 , 并 从 桩 中 心 位 置 向 四 周 埋 设 护 桩 。 当 第 一 节 桩 孔 挖 好 并安 装 护 壁 模 板 ...

1、当您付费下载文档后,您只拥有了使用权限,并不意味着购买了版权,文档只能用于自身使用,不得用于其他商业用途(如 [转卖]进行直接盈利或[编辑后售卖]进行间接盈利)。
2、本站所有内容均由合作方或网友上传,本站不对文档的完整性、权威性及其观点立场正确性做任何保证或承诺!文档内容仅供研究参考,付费前请自行鉴别。
3、如文档内容存在违规,或者侵犯商业秘密、侵犯著作权等,请点击“违规举报”。

碎片内容

明挖隧道施工组织设计

您可能关注的文档

确认删除?
VIP
微信客服
  • 扫码咨询
会员Q群
  • 会员专属群点击这里加入QQ群
客服邮箱
回到顶部