电脑桌面
添加小米粒文库到电脑桌面
安装后可以在桌面快捷访问

智能光通信技术单板GE业务配置

智能光通信技术单板GE业务配置_第1页
1/38
智能光通信技术单板GE业务配置_第2页
2/38
智能光通信技术单板GE业务配置_第3页
3/38
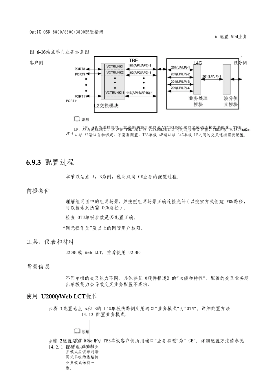
具体电交叉业务端口的选择请参见 6.8.2 业务信号流。 步骤 12单击“查询”,确认查询结果与设置一致。 步骤 13可选: 配置站点 B的 12TQM单板逻辑端口的业务时隙,详细配置方法请参见 14.3 配置业务时隙. ----结束 配置检查 以搜索方式创建 WDM路径,检查业务配置的正确性。如果客户侧端到端业务配置正确,就可以搜索到 GE级别的 Client路径。 6.9 配置示例:配置 TBE+L4G单板 GE业务本配置示例以 TBE+L4G单板为例介绍带 L2层处理单板 GE业务的配置过程。 6.9.1 配置组网图 这里采用环形组网形式给出 GE业务的配置方法。 6.9.2 业务信号流 介绍配置 GE业务透传信号流和波长分配规划。 6.9.3 配置过程 本节以站点 A,B为例,说明双向 GE业务的配置过程。 6.9.1 配置组网图 这里采用环形组网形式给出 GE业务的配置方法。 业务需求 在如图 6-15所示的网络中,A、B、C和 D共四个光网元构成环型组网,各站点均是 OADM站,业务需求为: User1和 User2之间进行通信,A站点和 B站点之间有一条双向的 GE业务。在 A站点,TBE接入 1路 GE业务并将其转换为 1路 GE电信号。这 1路 GE业务接入 L4G单板,与其他接入业务汇聚成 1路 OTU 5G业务。在 B站点, TBE接入 1路 GE业务并将其转换为 1路 GE电信号。这 1路 GE业务接入 L4G单板,与其他接入业务汇聚成 1路 OTU 5G业务。图 6-15 G E业务的配置组网图 Us er1 西向 B Us er2 东向 :OADM 单板配置信息 本例中 A站点和 B站点分别配置 1块 TBE单板和 1块 L4G单板。 6.9.2 业务信号流 介绍配置 GE业务透传信号流和波长分配规划。A和 B站点之间有一路双向 GE业务。 A和 B站点业务信号流如图 6-16所示。 西向 TBE 西向 L4G PORT3 PORT4 1(IN/OUT)-1 PORT11 LP,AP为逻辑端口。客户侧 PORT端口与 VCTRUNK端口之间的连接需要配置,TBE单板 VCTRUNK端口与 AP端口自动绑定,不需要配置,TBE单板 AP端口与 L4G单板 LP之间的交叉连接需要配置。6.9.3 配置过程 本节以站点 A,B为例,说明双向 GE业务的配置过程。 前提条件 理解组网图中的组网场景,并按照组网场景正确连接光纤(以搜索方式创建 WDM路径,可以搜索到所需 OCh路径)。 检查 OTU单板参数是否配置正确。 “网元操作员”及以上的网管用户权限。 工具、仪表和材料 U2000或 Web LCT,推荐使用 U2000 背景信息 不同单板的交...

1、当您付费下载文档后,您只拥有了使用权限,并不意味着购买了版权,文档只能用于自身使用,不得用于其他商业用途(如 [转卖]进行直接盈利或[编辑后售卖]进行间接盈利)。
2、本站所有内容均由合作方或网友上传,本站不对文档的完整性、权威性及其观点立场正确性做任何保证或承诺!文档内容仅供研究参考,付费前请自行鉴别。
3、如文档内容存在违规,或者侵犯商业秘密、侵犯著作权等,请点击“违规举报”。

碎片内容

智能光通信技术单板GE业务配置

您可能关注的文档

小辰9+ 关注
实名认证
内容提供者

出售各种资料和文档

确认删除?
VIP
微信客服
  • 扫码咨询
会员Q群
  • 会员专属群点击这里加入QQ群
客服邮箱
回到顶部