电脑桌面
添加小米粒文库到电脑桌面
安装后可以在桌面快捷访问

智能灭火小车设计报告

智能灭火小车设计报告_第1页
1/6
智能灭火小车设计报告_第2页
2/6
智能灭火小车设计报告_第3页
3/6
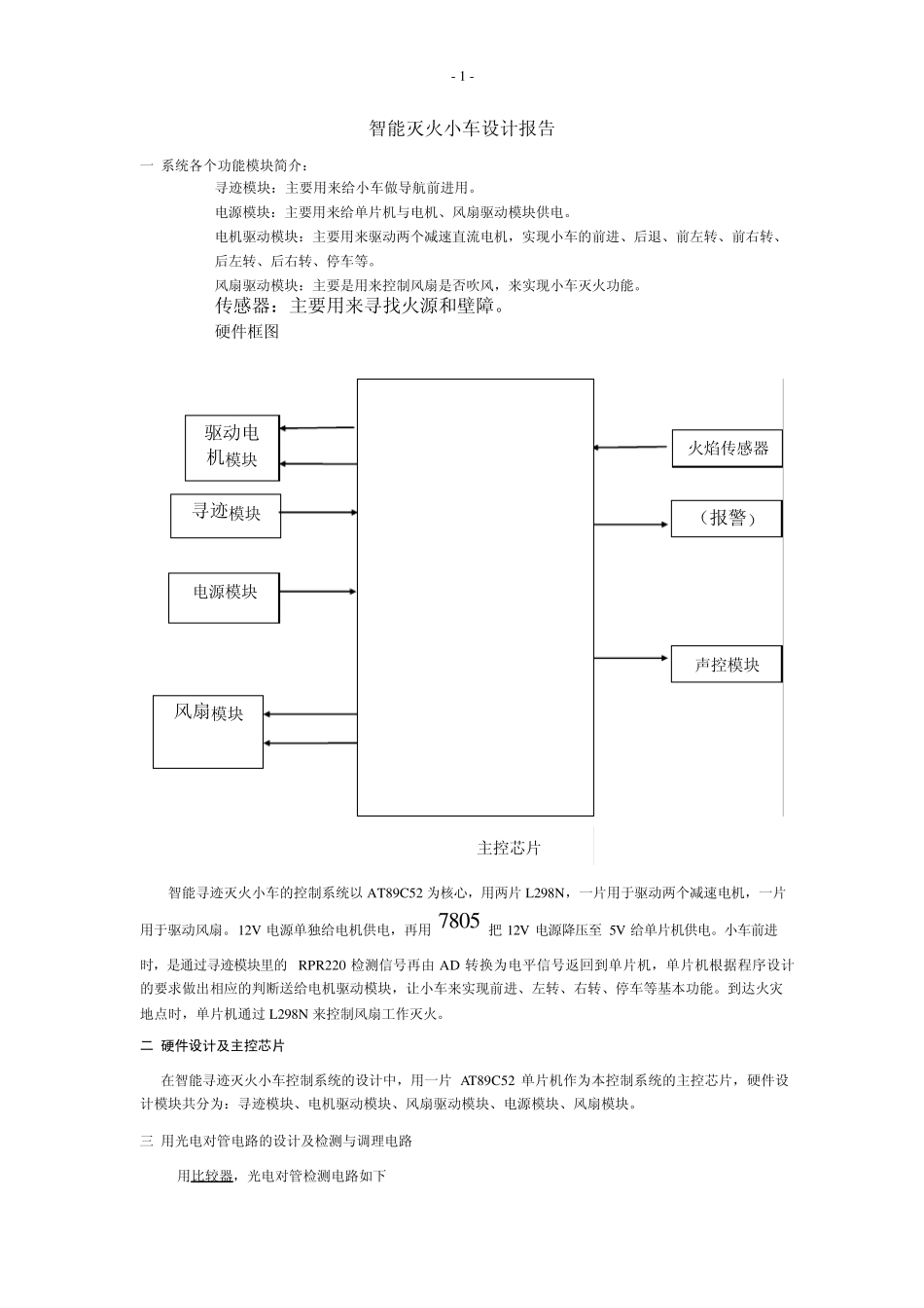
- 1 - 智能灭火小车设计报告 一 系统各个功能模块简介: 1. 寻迹模块:主要用来给小车做导航前进用。 2. 电源模块:主要用来给单片机与电机、风扇驱动模块供电。 3. 电机驱动模块:主要用来驱动两个减速直流电机,实现小车的前进、后退、前左转、前右转、后左转、后右转、停车等。 4. 风扇驱动模块:主要是用来控制风扇是否吹风,来实现小车灭火功能。 5. 传感器:主要用来寻找火源和壁障。 6. 硬件框图 智能寻迹灭火小车的控制系统以 AT89C52 为核心,用两片L298N,一片用于驱动两个减速电机,一片用于驱动风扇。12V 电源单独给电机供电,再用7805 把 12V 电源降压至 5V 给单片机供电。小车前进时,是通过寻迹模块里的 RPR220 检测信号再由 AD 转换为电平信号返回到单片机,单片机根据程序设计的要求做出相应的判断送给电机驱动模块,让小车来实现前进、左转、右转、停车等基本功能。到达火灾地点时,单片机通过 L298N 来控制风扇工作灭火。 二 硬件设计及主控芯片 在智能寻迹灭火小车控制系统的设计中,用一片AT89C52 单片机作为本控制系统的主控芯片,硬件设计模块共分为:寻迹模块、电机驱动模块、风扇驱动模块、电源模块、风扇模块。 三 用光电对管电路的设计及检测与调理电路 用比较器,光电对管检测电路如下 AT89C52主控芯片 火焰传感器 声控模块 (报警) 寻迹模块 电源模块 7805 驱动电机模块 风扇模块 P1.0~P1.3 P1.4~P1.5 P1.6~P1.7 P0.4~P0.5 P3.4~P3.5 P0.0~0.1 P2 P0.7 - 2 - 图中可调电阻R3可以调节比较器的门限电压,且给此电路供电的电池的压降较小。因此用此电路作为传感器检测与调理电路。 四 驱动电机系统方案设计 用芯片 L298N 作为电机驱动芯片。L298N 是一个具有高电压大电流的全桥驱动芯片,它相应频率高,一片 L298N 可以分别控制两个直流电机,而且还带有控制使能端。 驱动电路的设计(驱动电机的原理图): - 3 - 五 电源系统方案设计 采用 8 节 1.5V 干电池供电,电压达到 12V ,给支流电机供电,然后将 12V 电压再次降压(7805)、稳压后给单片机系统和其他芯片供电。 六 车体方案设计 制定左右两轮分别驱动,前万向轮转向。即左右轮分别用两个转速和力矩基本完全相同的直流减速电机进行驱动,车体前部装一个万向轮。当两个直流减速电机转向相反同时转速相同时就可以实现电动车的原地旋转,由此可以轻松的实现小车坐标不变的...

1、当您付费下载文档后,您只拥有了使用权限,并不意味着购买了版权,文档只能用于自身使用,不得用于其他商业用途(如 [转卖]进行直接盈利或[编辑后售卖]进行间接盈利)。
2、本站所有内容均由合作方或网友上传,本站不对文档的完整性、权威性及其观点立场正确性做任何保证或承诺!文档内容仅供研究参考,付费前请自行鉴别。
3、如文档内容存在违规,或者侵犯商业秘密、侵犯著作权等,请点击“违规举报”。

碎片内容

智能灭火小车设计报告

您可能关注的文档

确认删除?
VIP
微信客服
  • 扫码咨询
会员Q群
  • 会员专属群点击这里加入QQ群
客服邮箱
回到顶部