电脑桌面
添加小米粒文库到电脑桌面
安装后可以在桌面快捷访问

暖通强制性规范汇总

暖通强制性规范汇总_第1页
1/19
暖通强制性规范汇总_第2页
2/19
暖通强制性规范汇总_第3页
3/19
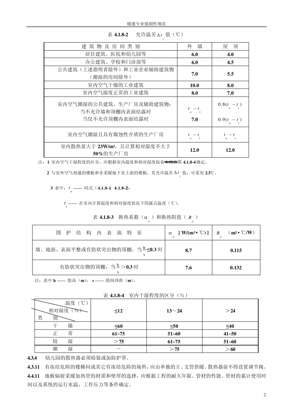
暖通专业强制性规范 目录 一、GB50019-2003 <采暖通风与空气调节设计规范> ......... 1 二、GB50189-2005 <公共建筑节能设计标准> .................... 5 三、JGJ134-2001 <夏热冬冷地区居住建筑节能设计标准> . 6 四、GB50016-2006 <建筑防火设计规范> ............................ 6 五、GB50038-2005 <人民防空地下室设计规范>................. 8 六、GB50041-2008 <锅炉房设计规范>................................ 8 七、GB50073-2001 <洁净厂房设计规范> .......................... 10 八、GB50333-2002 <医院洁净手术部建筑技术规范> ....... 12 九、GB50243-2002 <通风与空调工程质量验收规范> ....... 13 十、GB50411-2007 <建筑节能施工质量验收规范> ........... 14 十一、DB33/1036-2007 <浙江公建节能标准> ................... 16 十二、DB33/1015-2003 <浙江居住建筑节能标准> ............ 18 暖通专业强制性规范 1 一、GB50019-2003 <采暖通风与空气调节设计规范> 3.1.9 建筑物室内人员所需最小新风量,应符合以下规定: 1 民用建筑物人员所需最小新风量按国家现行有关卫生标准确定; 2 工业建筑应每人不小于30m3/h 的新风量。 4.1.8 围护结构的最小传热阻,应按下式确定: nywnotttaR)(min (4.1.8-1) 或 nywnoRtttaR)(m i n (4.1.8-2) 式中:minoR—— 围护结构的最小传热阻(m2·℃/W); nt —— 冬季室内计算温度(℃),按本规范第 3.1.1 条和第 4.2.4 条采用; wt —— 冬季围护结构室外计算温度(℃),按本规范第 4.1.9 条采用; a—— 围护结构温差修正系数,按本规范表 4.1.8-1 采用; yt—— 冬季室内计算温度与围护结构内表面温度的允许温差(℃),按本规范表 4.1.8-2 采用; n —— 围护结构内表面换热系数[ W/(m2·℃) ],按本规范表 4.1.8-3 采用; nR —— 围护结构内表面换热阻(m2·℃/W),按本规范表 4.1.8-3 采用。 注:1 本条不适用于窗、阳台门和天窗。 2 砖石墙体的传热阻,可比式(4.1.8-1,4.1.8-2)的计算结果小5%。 3 外门(阳台门除外)的最小传热阻,不应小于按采暖室外计算温度所确定的外墙最小传热阻的60%。 4 当相邻房间的温差大于10℃时,内围护结构的最小传热阻,亦应通过计算确定。 5 当居住建筑、医院及幼儿园等建筑物采用轻型结构时,...

1、当您付费下载文档后,您只拥有了使用权限,并不意味着购买了版权,文档只能用于自身使用,不得用于其他商业用途(如 [转卖]进行直接盈利或[编辑后售卖]进行间接盈利)。
2、本站所有内容均由合作方或网友上传,本站不对文档的完整性、权威性及其观点立场正确性做任何保证或承诺!文档内容仅供研究参考,付费前请自行鉴别。
3、如文档内容存在违规,或者侵犯商业秘密、侵犯著作权等,请点击“违规举报”。

碎片内容

暖通强制性规范汇总

您可能关注的文档

确认删除?
VIP
微信客服
  • 扫码咨询
会员Q群
  • 会员专属群点击这里加入QQ群
客服邮箱
回到顶部