电脑桌面
添加小米粒文库到电脑桌面
安装后可以在桌面快捷访问

2024年建筑测量形成性考核册参考答案VIP免费

2024年建筑测量形成性考核册参考答案_第1页
1/18
2024年建筑测量形成性考核册参考答案_第2页
2/18
2024年建筑测量形成性考核册参考答案_第3页
3/18
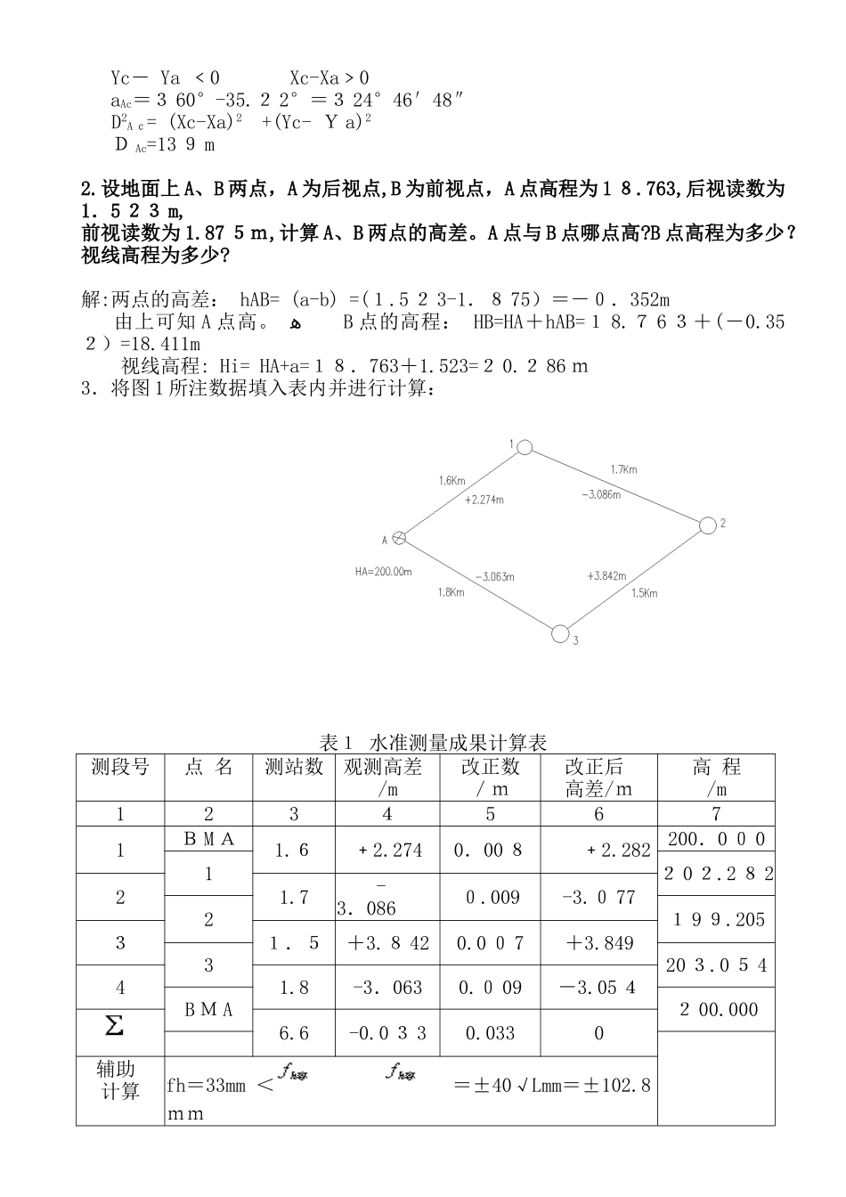
2343【建筑测量】形成性考核册作业答案建筑测量作业1一、填空题1.、测量工作的基本原则是程序上“由整体到局部”;步骤上“先控制后碎部”;精度上“从高级到低级”。2、方位角是自某标准方向起始,顺时针至一条直线的水平角,以过直线起点的平面坐标纵轴平行线指北端为标准方向的方位角为坐标方位角。坐标方位角范围0o~360o。象限角取值范围为0o~90o,为了说明直线所在的象限,在角值前应加注直线所在象限的名称。3、高程是指地面点沿铅垂线到一定基准面的距离。测量中定义以大地水准面作基准面的高程为绝对高程,以其它任意水准面作基准面的高程为相对高程。地面任意两点之间的高程之差称为高差。无论采用绝对高程还是相对高程,两点间的高差总是不变的。如果hAB为正时,表明B点高于A点。4、水准测量的基本原理是利用水准仪提供的水平视线测定地面两点之间的高差,推算未知点高程一种方法。5、水准仪的粗略整平是指旋转脚螺旋使圆水准气泡居中;水准仪的精确整平是指旋转微倾螺旋,使水准管气泡居中。6、水准测量的水准路线分为附合水准路线、闭合水准路线、支水准路线。7、使用微倾式水准仪的操作步骤是:粗略整平、瞄准标尺、精确整平、标尺读数。二、名词解释和简答题1、地面点的平面位置如何确定?测量上的直角坐标系有哪些?他们是如何定义的?答:地面点的平面位置可用二维球面或平面坐标确定。测量上的直角坐标系有:高斯平面直角坐标系,独立平面直角坐标系。高斯投影是一种横轴椭圆柱投影,即设想用一个椭圆柱套住地球椭球体,使椭圆柱的中轴横向通过椭球体的中心,将椭球面上的点位和图形投影到椭圆柱的面上,然后将椭圆柱沿通过南、北极的母线展开成平面,即得到高斯投影平面,在此平面上,椭球体和椭圆柱相切的一条子午线和赤道的投影为两条相互正交的直线,即构成高斯平面直角坐标系。在水平面上设一坐标原点,以过原点的南北方向为纵轴(向北为正,向南为负),东西方向为横轴(向东为正,向西为负),建立的坐标系为独立的平面直角坐标系。2、何谓水准面?何谓大地水准面?地面点的第三维坐标是什么?答:所谓水准面是假想处于静止状态的海水面延伸穿过陆地和岛屿,将地球包围起来的封闭曲面。所谓大地水准面是通过平均海水面的水准面,因而大地水准面具有惟一性地面点的第三维坐标是高程。3、在距离测量及高程测量中用水平面代替水准面的限度分别是多少?答:当地形图测绘或施工测量的面积较小时,可将测区范围内的椭球面或水准面用水平面来代替,这将使测量的计算和绘图大为简便,但必须有一定的限度。距离测量时,可将10km长的区域作为距离测量时用水平面代替水准面的限度,在一般测量工作中,有时这一限度可放宽至25km长的区域;在一般高程测量中,也只能以距离100m为用水平面代替水准面的限度。4、何谓水准点?何谓转点?尺垫起何作用?什么点上才用尺垫?水准点要用尺垫吗?答:用水准测量方法测定的高程控制点称为水准点,常以BM表示。所谓转点是临时设置,用于传递高程的点,转点的作用就是传递高程。尺垫一般由铸铁制成,呈三角型,尺垫,其中央有一突出圆顶,测量时用于支承标尺。转点上应放置尺垫。水准点不放置尺垫。5、水准仪主要由哪几部分的组成?各有何作用?何为望远镜的放大倍率?何为水准管分划值?答:水准仪主要由望远镜、水准器和基座三个部分组成。望远镜由物镜、目镜、对光透镜和十字丝分划板等组成,主要用于照准目标、放大物象和对标尺进行读数。水准器是用于整平仪器的装置。基座通过中心螺旋将仪器与三角架相连接。旋转三个脚螺旋调节圆水准气泡居中,即可使仪器粗略整平。望远镜的放大倍率:放大后的虚象对眼睛构成的视角β与眼睛直接观测目标构成的视角α之比,即放大后的虚象与用眼睛直接看到目标大小的比值。水准管分划值:相邻分划线间的圆弧所对应的圆心角值。6、什么是视差?它是怎样产生的?如何消除?ﻫ答:所谓“视差”,是当眼睛在目镜端上、下微动时,看到十字丝与目标的影像相互移动的现象。其产生的原因是目标的实象未能刚好成在十字丝平面上。视差的存在会增大标尺读数的误差,消除的方法是再旋转物镜对光螺旋,重复对光,直到眼睛上、下微动时标尺...

1、当您付费下载文档后,您只拥有了使用权限,并不意味着购买了版权,文档只能用于自身使用,不得用于其他商业用途(如 [转卖]进行直接盈利或[编辑后售卖]进行间接盈利)。
2、本站所有内容均由合作方或网友上传,本站不对文档的完整性、权威性及其观点立场正确性做任何保证或承诺!文档内容仅供研究参考,付费前请自行鉴别。
3、如文档内容存在违规,或者侵犯商业秘密、侵犯著作权等,请点击“违规举报”。

碎片内容

2024年建筑测量形成性考核册参考答案

您可能关注的文档

确认删除?
VIP
微信客服
  • 扫码咨询
会员Q群
  • 会员专属群点击这里加入QQ群
客服邮箱
回到顶部