电脑桌面
添加小米粒文库到电脑桌面
安装后可以在桌面快捷访问

螺栓紧固作业指导书

螺栓紧固作业指导书_第1页
1/13
螺栓紧固作业指导书_第2页
2/13
螺栓紧固作业指导书_第3页
3/13
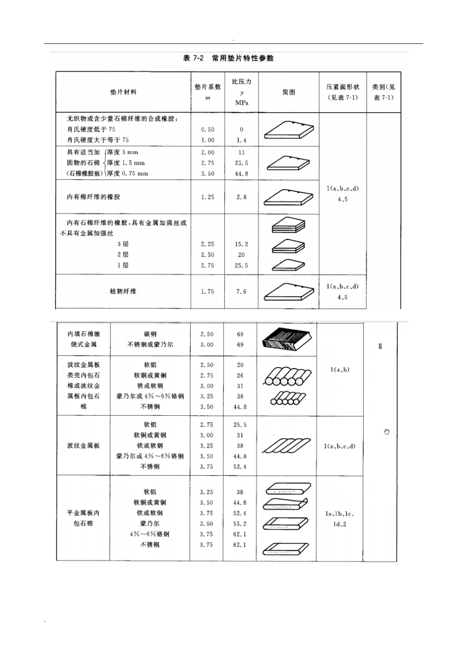
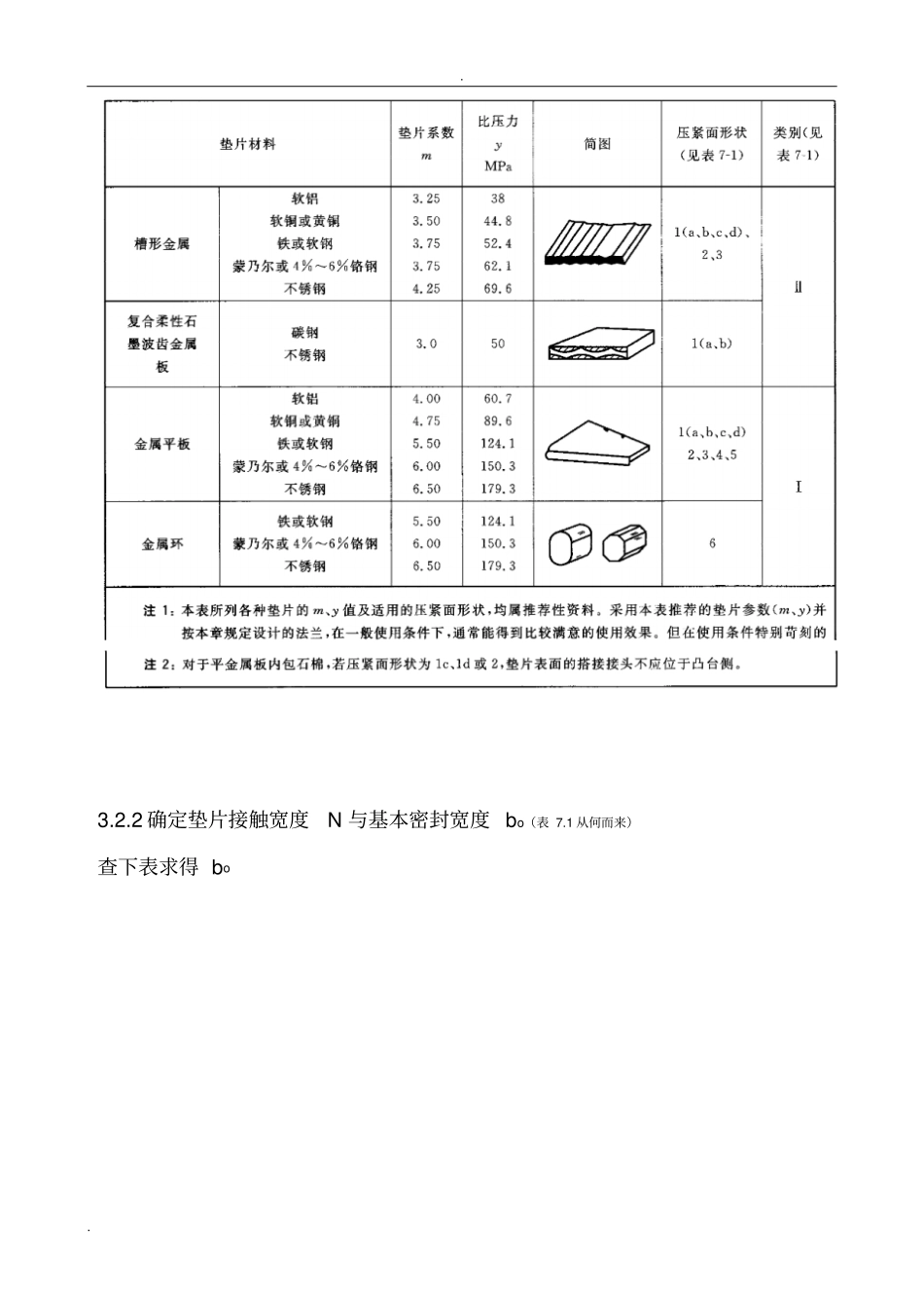
. . 中国石油乌鲁木齐石化公司设备安装公司螺栓紧固作业指导1.编制目的为了规范法兰螺栓定扭矩紧固工作,采用正确的紧固方法,使法兰垫片受力均匀,保证密封不泄露,保证密封的可靠性,编制螺栓紧固指导书实行定扭矩紧固。2.适用范围本作业指导书适用于化工装置的压力容器人孔、封头、管箱、管道法兰等螺栓紧固。3.螺栓扭矩值确定3.1 紧固力矩的计算原则上由设计进行计算或由生产装置提供。3.2 如果设计部门没有给出扭矩计算结果,可以按照GB150-2011 标准参照下列步骤进行计算:3.2.1 法兰垫片的受力情况在现场安装或检修中,密封法兰的几何尺寸和垫片性能参数(m、y)已给定,可以查 GB150-2011中给定的表 7-2 可知。. . . . 3.2.2 确定垫片接触宽度N 与基本密封宽度 bo(表 7.1 从何而来)查下表求得 bo. . . . 3.2.3 确定垫片有效密封宽度b: 当 bo≤6.4mm 时,b=bo当 bo>6.4mm 时,b=2.53√bo3.2.4 确定垫片压紧力作用中心圆直径DG 垫片压紧力作用中心圆直径按下列规定确定: a) 对于下图所示活套法兰 ,垫片压紧力作用中心圆直径DG 即是法兰与翻边接触面的平均直径。b) 对于其它形式的法兰,则按下述规定计算DG:当 bo≤6.4mm 时,DG 等于垫片接触的平均直径;当 bo>6.4mm 时,DG 等于垫片接触的外径减去2b c) 对筒体端部结构 ,DG 等于密封面平均直径。3.2.5 工作前法兰垫片的压紧力:F1=3.14DGby (N)3.2.6 工作时法兰垫片压紧力:F2=6.28DGbmpc(N)法兰垫片工作密封比压 σ t=mp MPa DG---垫片压紧力作用中心圆直径mm b---垫片有效密封宽度mm y---- 垫片比压力MPa m---- 垫片系数Pc----介质工作压力(计算压力). . 3.2.7 最终预紧力确定设备在操作条件下,螺栓受到两个力的作用即:介质压力: P=0.785 DG2Pc(N)工作时垫片压紧力F2=6.28DGbmpc(N)故在正常操作时螺栓所受到的压力为F=P+F2 这时要和前面的预紧力F1 进行比较大者作为最终预紧力F。3.2.8 紧固螺栓力矩计算螺栓在紧固的过程中,要克服两方面的力矩,即:1)螺栓和螺母螺纹之间的力矩M1 2)螺母和法兰之间的摩擦力矩M2 3)紧固螺栓的预紧力矩M 至少为: M=M1+M2 4)钢制普通粗牙螺纹M10-M68 ,其经验公式为: M=KdF M--- 预紧力矩d---螺纹的公称直径 mm n----螺栓个数F---预紧力K--- 扭矩系数,与螺纹表面及法兰的光洁度、润滑状况、拧紧速度等有关,通常K 值在 01.-0.3 之间变化。通常取0...

1、当您付费下载文档后,您只拥有了使用权限,并不意味着购买了版权,文档只能用于自身使用,不得用于其他商业用途(如 [转卖]进行直接盈利或[编辑后售卖]进行间接盈利)。
2、本站所有内容均由合作方或网友上传,本站不对文档的完整性、权威性及其观点立场正确性做任何保证或承诺!文档内容仅供研究参考,付费前请自行鉴别。
3、如文档内容存在违规,或者侵犯商业秘密、侵犯著作权等,请点击“违规举报”。

碎片内容

螺栓紧固作业指导书

爱的疯狂+ 关注
实名认证
内容提供者

该用户很懒,什么也没介绍

确认删除?
VIP
微信客服
  • 扫码咨询
会员Q群
  • 会员专属群点击这里加入QQ群
客服邮箱
回到顶部