电脑桌面
添加小米粒文库到电脑桌面
安装后可以在桌面快捷访问

2024年江苏土建质量员习题集VIP免费

2024年江苏土建质量员习题集_第1页
1/11
2024年江苏土建质量员习题集_第2页
2/11
2024年江苏土建质量员习题集_第3页
3/11
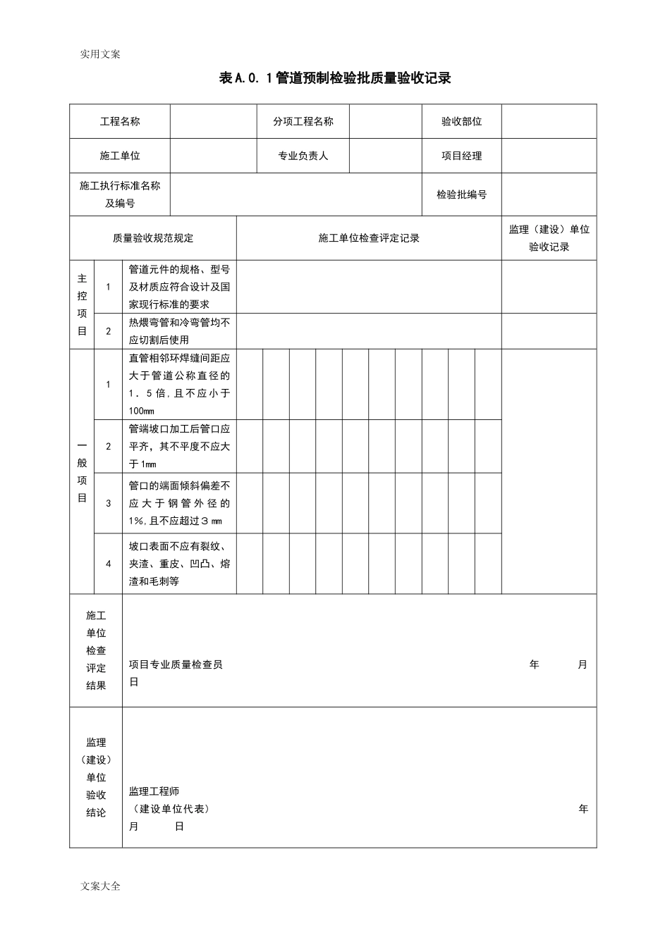
实用文案表A.0.1管道预制检验批质量验收记录工程名称分项工程名称验收部位施工单位专业负责人项目经理施工执行标准名称及编号检验批编号质量验收规范规定施工单位检查评定记录监理(建设)单位验收记录主控项目1管道元件的规格、型号及材质应符合设计及国家现行标准的要求2热煨弯管和冷弯管均不应切割后使用一般项目1直管相邻环焊缝间距应大于管道公称直径的1.5倍,且不应小于100mm2管端坡口加工后管口应平齐,其不平度不应大于1mm3管口的端面倾斜偏差不应大于钢管外径的1%,且不应超过3mm4坡口表面不应有裂纹、夹渣、重皮、凹凸、熔渣和毛刺等施工单位检查评定结果项目专业质量检查员年月日监理(建设)单位验收结论监理工程师(建设单位代表)年月日文案大全实用文案表A.0.2管道组对检验批质量验收记录工程名称分项工程名称验收部位施工单位专业负责人项目经理施工执行标准名称及编号检验批编号质量验收规范规定施工单位检查评定记录监理(建设)单位验收记录主控项目1管道元件的规格、型号及材质应符合设计及国家现行标准的要求一般项目1管道接头的坡口型式及组对尺寸应符合焊接工艺规程的规定坡口型式坡口角度钝边间隙2对口错边量管道壁厚δ<16mm时,错边量b<1.6mm管道壁厚δ≥16mm时,错边量b≤δ10%,且≤2mm,局部错边不应大于3mm,错边应沿圆周均匀分布3制管焊缝错开间距不应小于100mm的外弧长(焊缝边缘的最小间距)4补偿器安装前的预拉伸(压缩)量应符合设计或产品说明书的要求,允许偏差±10mm施工单位检查评定结果项目专业质量检查员年月日监理(建设)单位验收结论监理工程师(建设单位代表)年月日文案大全实用文案表A.0.3管道焊接检验批质量验收记录工程名称分项工程名称验收部位施工单位专业负责人项目经理施工执行标准名称及编号检验批编号质量验收规范规定施工单位检查评定记录监理(建设)单位验收记录主控项目1焊接材料的规格及型号应符合焊接工艺规程及国家现行标准的规定2管道焊接应符合焊接工艺规程的规定3焊口无损检测结果应符合设计或本规范第6.1.10条的规定4焊缝返修应按返修工艺规程执行,且应符合本规范6.1.11条的规定一般项目1施焊前,坡口表面及其两侧至少20mm范围内的铁锈、水分、油污和灰尘等应清除干净2焊缝表面:应无裂纹,气孔,夹渣、融合性飞溅及凹陷等缺陷3咬边深度:不应大于管道壁厚的12.5%,且不超过0.5mm。在焊缝任何300mm的连续长度中,累计咬边长度不应大于50mm4焊缝宽度:每侧应超出坡口1.0mm~2.0mm5焊缝余高:焊缝表面不应低于母材。当采用上向焊时,焊缝余高不应超过3mm;当采用下向焊时,焊缝余高不应超过2mm,局部不应超过3mm,连续长度不应大于50mm,余高超过3mm时,应进行打磨,打磨后应与母材圆滑过度,但不应伤及母材6焊缝错边量:当管道壁厚小于16mm时,应小于1.6mm;当管道壁厚大于或等于16mm时,不应大于壁厚的10%,且不应大于2mm,局部不应大于3mm施工单位检查项目专业质量检查员年月文案大全实用文案评定结果日监理(建设)单位验收结论监理工程师(建设单位代表)年月日表A.0.4焊后处理检验批质量验收记录工程名称分项工程名称验收部位施工单位专业负责人项目经理施工执行标准名称及编号检验批编号质量验收规范规定施工单位检查评定记录监理(建设)单位验收记录主控项目1热处理后的焊缝硬度检测值应符合设计文件或焊接工艺规程的规定一般项目1热处理工艺参数应符合热处理工艺规程的规定2热处理后焊缝外观应无过烧、裂纹和变形等施工单位检查评定结果项目专业质量检查员年月日监理(建设)单位验收文案大全实用文案结论监理工程师(建设单位代表)年月日表A.0.5管道防腐层补口检验批质量验收记录工程名称分项工程名称验收部位施工单位专业负责人项目经理施工执行标准名称及编号检验批编号质量验收规范规定施工单位检查评定记录监理(建设)单位验收记录主控项目1补口补伤所用材料的规格、型号及材质应符合设计及国家现行标准的规定2防腐层补口补伤后不应有漏点3补口补伤防腐剥离强度或黏结力试验结果应符合相应防腐标准的规定一般项目1补口补伤后应表面平整,黏接严密,不应有气泡与皱折等缺陷,接茬处应黏接...

1、当您付费下载文档后,您只拥有了使用权限,并不意味着购买了版权,文档只能用于自身使用,不得用于其他商业用途(如 [转卖]进行直接盈利或[编辑后售卖]进行间接盈利)。
2、本站所有内容均由合作方或网友上传,本站不对文档的完整性、权威性及其观点立场正确性做任何保证或承诺!文档内容仅供研究参考,付费前请自行鉴别。
3、如文档内容存在违规,或者侵犯商业秘密、侵犯著作权等,请点击“违规举报”。

碎片内容

2024年江苏土建质量员习题集

山水人家+ 关注
实名认证
内容提供者

读万卷书,行万里路。

相关文档

确认删除?
VIP
微信客服
  • 扫码咨询
会员Q群
  • 会员专属群点击这里加入QQ群
客服邮箱
回到顶部