电脑桌面
添加小米粒文库到电脑桌面
安装后可以在桌面快捷访问

装饰装修分部子分部工程质量验收记录精选

装饰装修分部子分部工程质量验收记录精选_第1页
1/45
装饰装修分部子分部工程质量验收记录精选_第2页
2/45
装饰装修分部子分部工程质量验收记录精选_第3页
3/45
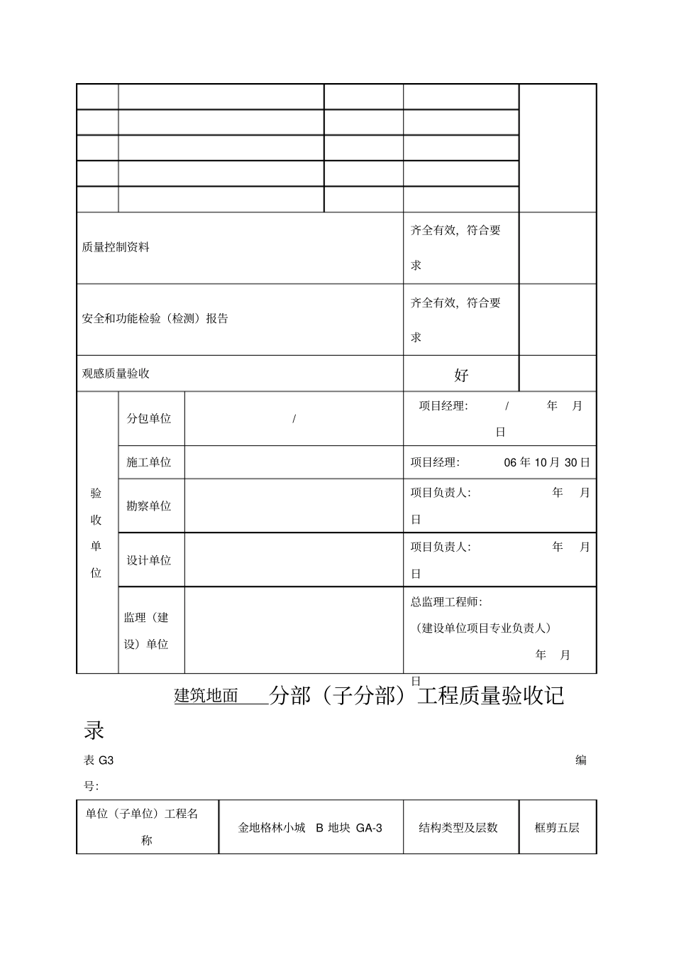
装饰装修分部(子分部)工程质量验收记录表 G3编号:单位(子单位)工程名称金地格林小城B 地块 GA-3 结构类型及层数框剪五层施工单位中夏建设集团有限公司技术部门负责人质量部门负责人分包单位/ 分包单位负责人/ 分包技术负责人/ 序号分项工程名称检验批数施工单位检查评定验收意见1 基层(垫层)符合要求2 水泥混凝土面层符合要求3 水泥砂浆面层符合要求4 砖面层符合要求5 一般抹灰符合要求6 金属门窗安装7 门窗玻璃安装8 饰面砖粘贴9 水性涂料涂饰10 护栏和扶手制作与安装质量控制资料齐全有效,符合要求安全和功能检验(检测)报告齐全有效,符合要求观感质量验收好验收单位分包单位/ 项目经理:/年月日施工单位项目经理:06 年 10 月 30 日勘察单位项目负责人:年月日设计单位项目负责人:年月日监理(建设)单位总监理工程师:(建设单位项目专业负责人)年月日装饰装修分部(子分部)工程质量验收记录表 G3编号:单位(子单位)工程名称金地格林小城B 地块 GA-3 结构类型及层数框剪五层施工单位中夏建设集团有限公司技术部门负责人质量部门负责人分包单位/ 分包单位负责人/ 分包技术负责人/ 序号分项工程名称检验批数施工单位检查评定验收意见11 外墙保温层符合要求12 外墙涂膜防水层符合要求13 涂膜防水层符合要求质量控制资料齐全有效,符合要求安全和功能检验(检测)报告齐全有效,符合要求观感质量验收好验收单位分包单位/ 项目经理:/年月日施工单位项目经理:06 年 10 月 30 日勘察单位项目负责人:年月日设计单位项目负责人:年月日监理(建设)单位总监理工程师:(建设单位项目专业负责人)年月日建筑地面分部(子分部)工程质量验收记录表 G3编号:单位(子单位)工程名称金地格林小城B 地块 GA-3 结构类型及层数框剪五层施工单位中夏建设集团有限公司技术部门负责人质量部门负责人分包单位/ 分包单位负责人/ 分包技术负责人/ 序号分项工程名称检验批数施工单位检查评定验收意见1 基层(垫层)符合要求2 水泥混凝土面层符合要求3 水泥砂浆面层符合要求4 砖面层质量控制资料齐全有效,符合要求安全和功能检验(检测)报告齐全有效,符合要求观感质量验收好验收单位分包单位/ 项目经理:/年月日施工单位项目经理:06 年 10 月 30 日勘察单位项目负责人:年月日设计单位项目负责人:年月日监理(建设)单位总监理工程师:(建设单位项目专业负责人)年月日基层(垫层)分...

1、当您付费下载文档后,您只拥有了使用权限,并不意味着购买了版权,文档只能用于自身使用,不得用于其他商业用途(如 [转卖]进行直接盈利或[编辑后售卖]进行间接盈利)。
2、本站所有内容均由合作方或网友上传,本站不对文档的完整性、权威性及其观点立场正确性做任何保证或承诺!文档内容仅供研究参考,付费前请自行鉴别。
3、如文档内容存在违规,或者侵犯商业秘密、侵犯著作权等,请点击“违规举报”。

碎片内容

装饰装修分部子分部工程质量验收记录精选

您可能关注的文档

确认删除?
VIP
微信客服
  • 扫码咨询
会员Q群
  • 会员专属群点击这里加入QQ群
客服邮箱
回到顶部