电脑桌面
添加小米粒文库到电脑桌面
安装后可以在桌面快捷访问

设备用房方案

设备用房方案_第1页
1/19
设备用房方案_第2页
2/19
设备用房方案_第3页
3/19
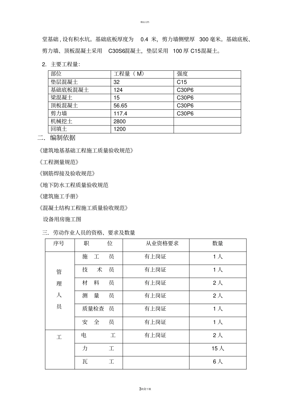
精品文档。1欢迎下载目录华田· 梅岭设备用房工程施工方案工程名称:华田· 梅岭二期工程项目名称:设备用房工程编制单位:海南磐龙建筑工程有限公司出版日期2017 年 3 月 4 日版次精品文档。2欢迎下载一、工程概况及主要工程量.................................................... 2二、编制依据................................................................. 三、劳动作业人员的资格、要求及数量四、主要施工机械及工器具.................................................... 6五、施工准备及条件.......................................................... 6六、作业程序方法和要求...................................................... 8七、质量保证措施........................................................... 15 八、安全、文明施工保证措施................................................. 16 一.工程概况及主要工程量1.工程概况:该工程± 0.00 米标高相当于绝对标高为122.7 米, 工程基础埋深 -5.80 米,基础为满精品文档。3欢迎下载堂基础 , 设有积水坑。基础底板厚度为0.4 米,剪力墙侧壁厚300 毫米。基础底板、剪力墙、顶板混凝土采用C30S6混凝土,垫层采用100 厚 C15混凝土。2.主要工程量:部位工程量( M3)强度垫层混凝土32 C15 基础底板混凝土124 C30P6 梁混凝土15 C30P6 顶板混凝土56.65 C30P6 剪力墙117.4 C30P6 机械挖土2800 回填土1200 二.编制依据《建筑地基基础工程施工质量验收规范》《工程测量规范》《钢筋焊接及验收规范》《地下防水工程质量验收规范《建筑施工手册》《混凝土结构工程施工质量验收规范》设备用房施工图三.劳动作业人员的资格、要求及数量序号职位从业资格要求数量管理人员施工员有上岗证1 人技术员有上岗证1 人材料员有上岗证2 人测量员有上岗证2 人质量检查员有上岗证1 人安全员有上岗证1 人工电工有上岗证2 人力工15 人瓦工6 人精品文档。4欢迎下载种木工40 人架子工有上岗证4 人钢筋工28 人焊工有上岗证6 人混 凝 土 工5 人机械工有上岗证3 人四.主要施工机械及工器具序号机械设备名称型号规格单位数量备注1 经纬仪TDJ2E 台1 2 水准仪DS3 台1 3 套丝机QT2-50S 台1 4 木工多用机床MQ392B 台1 5 钢筋弯曲机GW42B 台1 6 钢筋切断机Y100L-2 台1 7 振动棒φ 50.6m 条12 8 挖掘机反铲台1...

1、当您付费下载文档后,您只拥有了使用权限,并不意味着购买了版权,文档只能用于自身使用,不得用于其他商业用途(如 [转卖]进行直接盈利或[编辑后售卖]进行间接盈利)。
2、本站所有内容均由合作方或网友上传,本站不对文档的完整性、权威性及其观点立场正确性做任何保证或承诺!文档内容仅供研究参考,付费前请自行鉴别。
3、如文档内容存在违规,或者侵犯商业秘密、侵犯著作权等,请点击“违规举报”。

碎片内容

设备用房方案

文库响当当+ 关注
实名认证
内容提供者

该用户很懒,什么也没介绍

确认删除?
VIP
微信客服
  • 扫码咨询
会员Q群
  • 会员专属群点击这里加入QQ群
客服邮箱
回到顶部