电脑桌面
添加小米粒文库到电脑桌面
安装后可以在桌面快捷访问

设计说明目标

设计说明目标_第1页
1/8
设计说明目标_第2页
2/8
设计说明目标_第3页
3/8
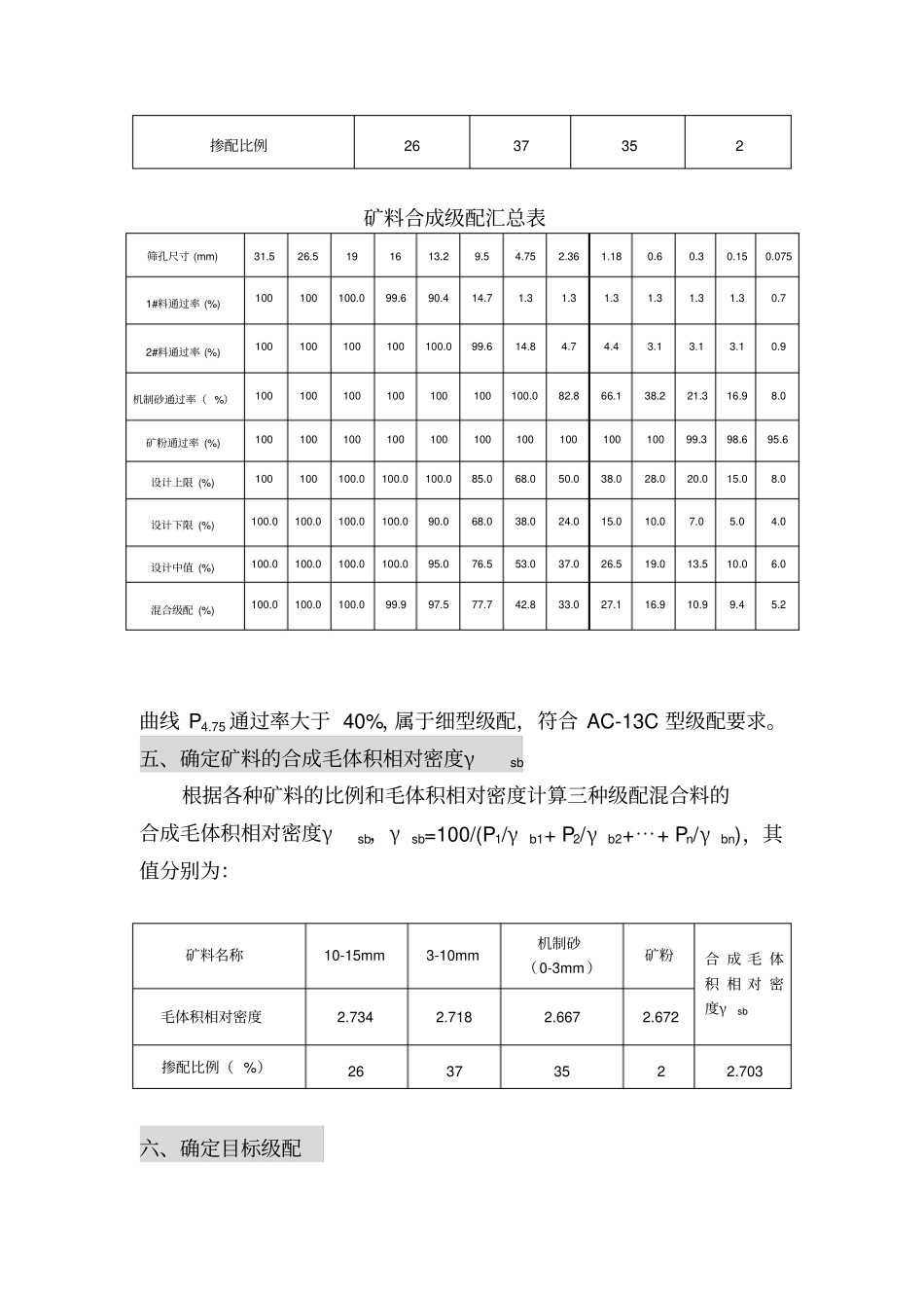
AC-13C型沥青混凝土目标配合比设计说明安徽开源路桥有限责任公司宁绩高速公路路面03 标项目经理部二零一四年六月二十日目录一、设计依据二、混合料的类型及矿料设计级配范围三、原材料的选择及试验四、确定矿料级配五、确定矿料的合成毛体积相对密度γsb 六、确定目标级配七、确定最佳油石比八、配合比检验九、结论一、设计依据1、《公路沥青路面施工技术规范》JTG F40-2004 2、《公路工程沥青及沥青混合料试验规程》JTG E20-2011 3、《公路工程集料试验规程》JTG E42-20054、宁绩高速公路路面工程施工招标文件及设计图纸二、混合料的类型及矿料设计级配范围上面层采用 AC-13C 型沥青混凝土,其级配范围符合《公路沥青路面施工技术规范》(JTG F40-2004)中表 5.3.2-2 的要求,设计级配范围具体如下:AC-13C 矿料级配设计范围AC-13C各对应筛孔尺寸( mm)质量通过百分率 % 31.5 26.5 19 16 13.2 9.5 4.75 2.36 1.18 0.6 0.3 0.15 0.075 规范上限100 100 100 100 100 85 68 50 38 28 20 15 8 规范下限100 100 100 100 90 68 38 24 15 10 7 5 4 三、原材料的选择及试验1、集料:选用歙县伏川采石场和沥青站制砂场(自加工)生产的三种规格集料,其规格粒径分别为10-15mm、3-10mm、机制砂(0-3)mm。经检验,三种规格的集料各项指标符合要求,具体详见附件《集料检验报告》。2、矿粉:选用精壮加工厂生产的石灰岩矿粉,经检验,各项指标符合规范的要求,具体详见附件《矿粉检验报告》。3、沥青:采用 SBS(I-D) 改性沥青,各项指标符合规范的要求,具体详见附件《沥青检验报告》 。四、确定矿料级配从拌和场分别取各类矿料进行筛分(水洗法),用计算机计算各矿料的用量,调整级配,并使0.075mm、2.36mm、4.75mm的通过率控制接近标准级配的中值。计算如下表:备注:(材料规格:矿粉、 3#料 0~3mm 机制砂、 2#料 3~10mm 辉绿岩碎石、 1#料 10~15mm 辉绿岩碎石)各种材料的掺配比例各种材料1#料2#料机制砂矿粉掺配比例26 37 35 2 矿料合成级配汇总表筛孔尺寸 (mm) 31.5 26.5 19 16 13.2 9.5 4.75 2.36 1.18 0.6 0.3 0.15 0.075 1#料通过率 (%) 100100100.099.690.414.71.31.31.31.31.31.30.72#料通过率 (%) 100100100100100.099.614.84.74.43.13.13.10.9机制砂通过率( %)100100100100100100100.082.866.138.221.316.98.0矿粉通过率 (%) 1001001001001001...

1、当您付费下载文档后,您只拥有了使用权限,并不意味着购买了版权,文档只能用于自身使用,不得用于其他商业用途(如 [转卖]进行直接盈利或[编辑后售卖]进行间接盈利)。
2、本站所有内容均由合作方或网友上传,本站不对文档的完整性、权威性及其观点立场正确性做任何保证或承诺!文档内容仅供研究参考,付费前请自行鉴别。
3、如文档内容存在违规,或者侵犯商业秘密、侵犯著作权等,请点击“违规举报”。

碎片内容

设计说明目标

您可能关注的文档

确认删除?
VIP
微信客服
  • 扫码咨询
会员Q群
  • 会员专属群点击这里加入QQ群
客服邮箱
回到顶部