电脑桌面
添加小米粒文库到电脑桌面
安装后可以在桌面快捷访问

试验员内部考试复习题带答案VIP专享

试验员内部考试复习题带答案_第1页
1/19
试验员内部考试复习题带答案_第2页
2/19
试验员内部考试复习题带答案_第3页
3/19
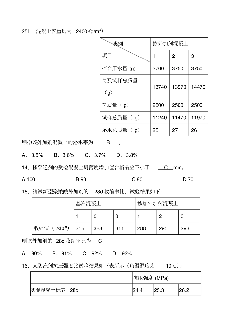
考试复习题一、单项选择题1.有一水泥试样,用雷氏法测定其安定性,测试数据如表所示。经计算判断该水泥试样的安定性是B 。A.不合格B.合格C.应立即重做D.应立即用试饼法重做,并以试饼法结果为准编号A C C-A 测定值判断1 11.0 15.0 4.0 5.0 2 12.0 18.0 6.0 2.用水泥胶砂强度检验方法测得的一组试块3d 龄期抗折强度的数据: 4.1MPa,3.5MPa 和 4.3MPa,则该组试块 3d 的抗折强度为C 。A.4.0MPa B.4.1MPa C.4.2MPa D.该组结果作废,应重做试验3.水泥强度试条的养护池水温应控制在C。A.20±2℃B.25±2℃C.20±1℃D.25±1℃4.下列强度等级水泥中,不属于早强型水泥的有D 。A. 32.5R B. 42.5R C. 52.5R D. 52.5 5.进行水泥抗压强度试验时,试验加荷的速率为C。A.500N/s±50N/sB.1000N/s±100N/sC.2400N/s±200 N/sD.2500N/s±250 N/s 6.进行水泥标准稠度用水量测定时,净浆拌合完毕后进行沉入深度的测量应在A内完成。A.1.5min B.2min C.2.5min D.3min 7、粒化高炉矿渣掺加量大于20%且小于 50%的矿渣硅酸盐水泥的代号为B 。A.P.P B.P.S.A C.P.S D.P.S.B 8、当水泥细度试验筛的标定修正系数C在 C 范围时,试验筛可以继续使用,否则应予淘汰。A.0.90-0.10 B.0.70-1.30 C.0.80-1.20 D.0.85-1.15 9、采用 80μ m试验筛(试验筛修正系数为1.00 )进行水泥细度测试时, 称取 25.00g水泥样品,筛余时测得筛余物重量为1.35g,则该水泥样品的细度为 B 。A.5.6 % B.5.4% C.5.2% D.5.0% 10、水泥胶砂流动度试验, 从胶砂加水开始到测量扩散直径结束,应在 D 内完成。A.5min B.8min C.10min D.6min 11、当将雷氏夹的一根指针根部先悬挂在一根金属丝上,另一根指针的根部挂上 300g 砝码时,两根指针针尖的距离增加应在 A 。A.17.0mm±2.5mm B.10.00mm±1.0mm C.20.0mm±3.0mm D.22.5mm±2.5mm 12、某一外加剂进行检测,拌和25L,所测数据如下:项目基准混凝土掺外加剂混凝土1 2 3 1 2 3 混凝土拌和用水量(g)4900 4700 4600 3700 3750 3750 则该外加剂的减水率为B 。A.21.0%B. 20.2%C.19.4%D.试验结果无效,应重做13、某一外加剂进行检测,所测的掺外加剂混凝土的泌水数据列于下表(拌和25L,混凝土容重均为2400Kg/m3):类别项目掺外加剂混凝土1 2 3 拌合用水量 (g) 3700 3750 3750 筒及试样总质量(g)13740 13970 14470...

1、当您付费下载文档后,您只拥有了使用权限,并不意味着购买了版权,文档只能用于自身使用,不得用于其他商业用途(如 [转卖]进行直接盈利或[编辑后售卖]进行间接盈利)。
2、本站所有内容均由合作方或网友上传,本站不对文档的完整性、权威性及其观点立场正确性做任何保证或承诺!文档内容仅供研究参考,付费前请自行鉴别。
3、如文档内容存在违规,或者侵犯商业秘密、侵犯著作权等,请点击“违规举报”。

碎片内容

试验员内部考试复习题带答案

确认删除?
VIP
微信客服
  • 扫码咨询
会员Q群
  • 会员专属群点击这里加入QQ群
客服邮箱
回到顶部