电脑桌面
添加小米粒文库到电脑桌面
安装后可以在桌面快捷访问

试验四汽车制动性能试验

试验四汽车制动性能试验_第1页
1/6
试验四汽车制动性能试验_第2页
2/6
试验四汽车制动性能试验_第3页
3/6
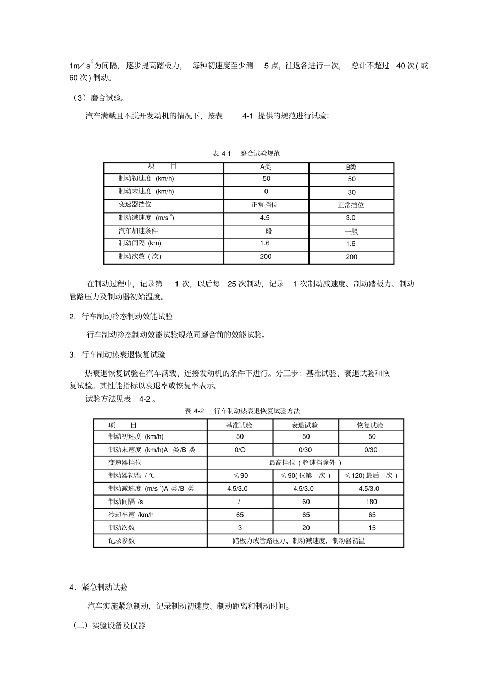
实验四汽车制动性能试验一、实验目的及要求1.实验目的了解汽车制动性能实验的要求;掌握汽车制动性能的道路实验方法;学习实验记录处理和分析实验结果;评价实验车辆制动性能的优劣。培养学生理论联系实践的学习精神,增强学生动手能力。2.实验要求(1)车辆条件对新车或大修后的车辆进行试验,试验前需进行一定行程的走合,新车一般按照制造厂的规定进行走合 ( 行程一般为 1000km~1500km)。试验前还应注意各总成的技术状况和调整状况,应使之处于良好状态,如点火系、供油系、制动蹄鼓间隙、车轮轴承紧度、车轮定位、轮胎气压与标准值相差不超过±10kPa等。对于车辆载荷, 我国规定动力性试验时汽车为满载,货车内可以按规定载质量均匀放置沙袋;轿车、客车以及货车驾驶室的乘员可以重物替代,每位乘员的质量相当于65kg。试验前汽车应通过运行而充分预热。新车通常进行满载制动检验;在用车进行空载检验。(2)道路条件动力性试验的大多数项目应在混凝土或沥青路面的直线段上进行。要求路面平整、干燥、清洁、纵向坡度不大于0.1%,路长 2-3km,宽不小于 8m,测试路段长度200米。(3)气候条件试验应避免在雨雾天进行,气压在99.3kPa ~120kPa;气温在 0℃~ 40℃;风速小于 3m/s;相对湿度小于95%。二、实验预习及准备(一)实验原理汽车的制动性能是汽车的主要性能,汽车的制动性试验主要是通过道路试验来评定。通常从制动效能、制动效能恒定性和制动时的方向稳定性三方面评价。一般要测定冷制动及高温下( 热态 ) 汽车的制动距离、制动减速度、制动时间等参数。另外还要测定在转弯与变更车道时汽车制动的方向稳定性。装有防抱制动系统的车辆,还要进行防抱制动性能试验。1.磨合试验(1)磨合前的检查试验。首先检查仪表及汽车的技术状况。制动初速度为30km/h,保持制动减速度为3m/ s2 或保持相应的踏板力、管路压力值, 直至车辆完全停止。制动间隔为1.6km,制动次数不超过10 次,记录管路压力和踏板力、减速度、 制动初温。 驾驶员根据仪表显示的速度和减速度,按规定操作。(2)磨合前的效能试验。试验在汽车空载和满载两种工况下进行。制动初速度为30km/h 和 50km/h,对于最高车速大于lOOkm/h 的汽车增加初速度80km/h 的制动效能试验。每次制动前制动器的初始温度不超过90℃,离合器断开,制动到汽车完全停止。对每种初速度,制动减速度从1.5m/ s2,以1m/s2为间隔, 逐步提高踏板力, 每种初速度至少测5...

1、当您付费下载文档后,您只拥有了使用权限,并不意味着购买了版权,文档只能用于自身使用,不得用于其他商业用途(如 [转卖]进行直接盈利或[编辑后售卖]进行间接盈利)。
2、本站所有内容均由合作方或网友上传,本站不对文档的完整性、权威性及其观点立场正确性做任何保证或承诺!文档内容仅供研究参考,付费前请自行鉴别。
3、如文档内容存在违规,或者侵犯商业秘密、侵犯著作权等,请点击“违规举报”。

碎片内容

试验四汽车制动性能试验

您可能关注的文档

爱的疯狂+ 关注
实名认证
内容提供者

该用户很懒,什么也没介绍

确认删除?
VIP
微信客服
  • 扫码咨询
会员Q群
  • 会员专属群点击这里加入QQ群
客服邮箱
回到顶部