电脑桌面
添加小米粒文库到电脑桌面
安装后可以在桌面快捷访问

质量保证体系文件

质量保证体系文件_第1页
1/18
质量保证体系文件_第2页
2/18
质量保证体系文件_第3页
3/18
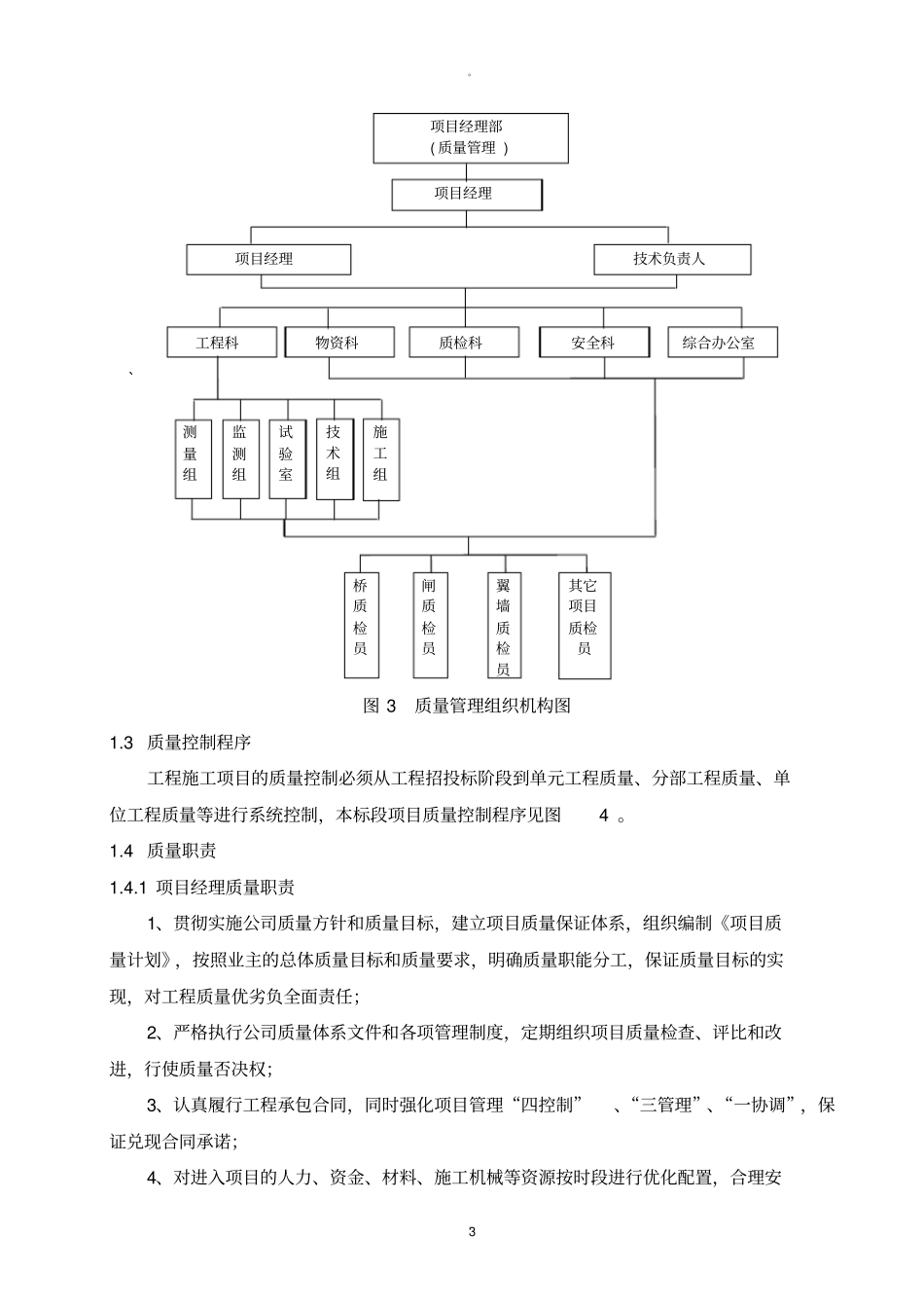
。。1 质量保证体系文件1.1 质量目标本工程达到《水利水电工程施工质量检验与评定规程》(SL176-2007)合格标准,其他部分达到国家相关质量验收合格标准。本工程中,为确保质量体系持续有效运行,实现工程质量创优目标,项目经理部成立质量领导小组,项目经理及技术负责人任正、副组长,成员由质量、施工、技术、物资、计划、财务等部门负责人及各作业班长组成,组织创优管理工作。其中:项目经理对本工程质量承担主要责任, 严格实行工程质量终身负责制。定期质量检查, 召开质量分析会议,分析质量保证计划的执行情况,及时发现问题,研究改进措施,积极推动项目经理部全面质量管理工作的深入开展。质量保证体系见图1。1.2 质量检查组织机构项目经理部设质量安全质量部,在施工过程中按照“跟踪检查、复检、抽检”三个检测等级实施检测任务。在严格内部“班组自检、施工队复检、质检科终检”的“三检”制度的基础上,认真接受建设单位质量监督和监理单位的监理,接受水利质量监督部门的监督,并自始至终密切配合, 严格服从。质量检查工程师直接对项目经理和技术负责人负责,行使监督权、检查权和质量检查否决权。质量检查组织机构见图2、质量管理机构见图3。图 2 质量检查组织机构图组长:项目经理副组长:技术负责人工程科物资科综合办公室各施工班组全体施工人员安全科质检科质量检查领导小组。。2 图 1 质量保证体系制度保证施工保证施工阶段保证施工技术、质量保证措施交底施工工艺质量控制施工过程产品控制缺陷责任期竣工阶段竣工文件编制、工程质量自检工程验交、业主签发交工证书工程质量缺陷进行补修或重建工程质量自检控制工序交接质量控制单元工程质量检查分部工程质量检查质量管理制度工程测量双检复核制度、隐蔽工程检查签证制度、 质量责任挂牌制度、质量评定奖罚制度、质量定期检查制度、质量报告制度、竣工质量签证制度、重点工程把关制度质量目标水工部分达到 《水利水电工程施工质量检 验 与 评 定 规 程 》(SL176-2007 )合格标准,其他部分达到国家相关质量验收合格标准质量责任制项目经理质量责任制技术负责人质量责任制质检科长质量责任制试验主任质量责任制测量、量测工程师质量责任制班( 组)长质量责任制兼职质检员质量责任制操作人员质量责任制质量保证体系组织保证测量组:测量放线定位复测监测组:监控、量测试验室 : 原材料检查物资科 : 机械物资采购管理办公室:教育和培训质量管理小...

1、当您付费下载文档后,您只拥有了使用权限,并不意味着购买了版权,文档只能用于自身使用,不得用于其他商业用途(如 [转卖]进行直接盈利或[编辑后售卖]进行间接盈利)。
2、本站所有内容均由合作方或网友上传,本站不对文档的完整性、权威性及其观点立场正确性做任何保证或承诺!文档内容仅供研究参考,付费前请自行鉴别。
3、如文档内容存在违规,或者侵犯商业秘密、侵犯著作权等,请点击“违规举报”。

碎片内容

质量保证体系文件

文库响当当+ 关注
实名认证
内容提供者

该用户很懒,什么也没介绍

确认删除?
VIP
微信客服
  • 扫码咨询
会员Q群
  • 会员专属群点击这里加入QQ群
客服邮箱
回到顶部