电脑桌面
添加小米粒文库到电脑桌面
安装后可以在桌面快捷访问

喷射混凝土方案VIP专享VIP免费

喷射混凝土方案_第1页
1/5
喷射混凝土方案_第2页
2/5
喷射混凝土方案_第3页
3/5
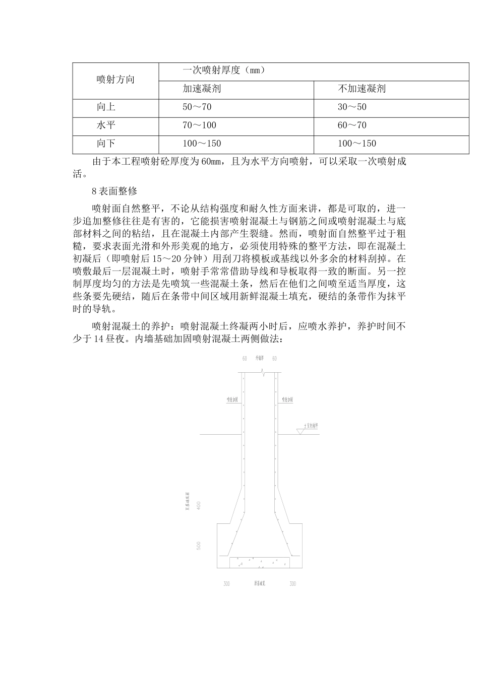
喷射混凝土加固施工方案1喷射砼简介喷射砼是借助机械,利用压缩空气或其他动力,将按一定比例配合的拌合料,通过管道输送泵以高速喷射到受喷面上凝结硬化而成的一种砼。喷射砼通常有两种方式,即干喷法和湿喷法。在本工程种我方将采用湿喷法,下面就湿喷法做详细介绍。2湿喷砼的特点湿喷砼定义:湿式喷射砼(以下简称湿喷),是利用喷射机压送湿拌合料,在喷嘴处加入速凝剂,再喷射到结构面的方法。湿喷砼以其独具的优势,在建筑施工中得到越来越广泛的应用。与干喷比较,湿喷的明显优点是生产率高。湿喷可大幅度降低回弹,平均回弹≤20%,确保了施工质量。湿喷砼的一次喷层厚度比干喷大幅度提高,可减少达到设计喷层厚度的喷敷次数,简化工序,从而提高施工速度。在喷射砼过程中,粉尘是污染环境的第一大害,而减少粉尘的根本方法就是湿喷,湿喷可使粉尘浓度大幅降低,达到机旁粉尘<10mg/m3,很好地保护了环境,保护了工人的身体健康。湿喷砼的施工方法可以准确控制砼的水灰比,水泥的拌合及水化作用充分,速凝剂可按比例添加,从而充分保证了砼的强度。3湿喷砼的主要材料由于现场场地狭小,无条件堆放砂石料,所以本工程喷射砼材料均采用商品砼,砼标号为C25。相关材料仍需符合以下要求。砂:中粗砂,细度模数大于2.5,用5mm筛网过筛,大于5mm和小于0.075mm的颗粒不得超过20%,因为砂子过粗,会增加回弹,砂子过细,会使干缩增大。石子:卵石或碎石均可,以卵石为好,卵石对设备磨损小,也不易造成管路堵塞,为减少回弹,卵石粒径不宜大于20mm,亦不宜小于5mm,不得采用含有活性二氧化硅的石材做骨料,以免发生碱骨料反应。水:喷射混凝土用水要求与普通混凝土相同,不得使用污水、PH值小于4的酸性水、含硫酸盐按SO4计超过水重1%的水。速凝剂:使用速凝剂的主要目的是使喷射混凝土速凝快硬,减少回弹损失,防止喷射混凝土因重力作用所引起的脱落,提高它在潮湿环境中的适应性能,适当加大一层喷射厚度和缩短喷射层间的间隔时间。通常采用液体速凝剂,满足初凝时间在5分钟以内,终凝时间在12分钟以内,8小时后的强度不小于0.3MP,28天强度不应低于不加速凝剂试件强度的70%。减水剂:喷射混凝土中加入少量的减水剂,可在保持混凝土流动性的条件下显著地降低水灰比,提高混凝土强度,减少回弹,并明显地增强其不透水性和抗冻性。湿喷砼的主要设备:湿喷机。4喷射手的职责:将拌好的砼料装入喷射机料斗进行喷射。喷射手的操作技艺是喷射砼作业获得成功的关键,喷射手的主要职责是:用压缩空气或压力水将所有待喷面吹净,吹除待喷面上的松散杂质或尘埃。保证喷射速度适当,以利于混凝土的压实。使喷嘴与受喷面间保持适当距离,喷射角度尽可能接近90°,以便获得最大的压实力和最小的回弹。正确地掌握喷射顺序,不使角隅处及钢筋背面出现蜂窝或砂囊。当开始或停止喷射时,给喷射机司机以信号,当料流不能从喷嘴均匀喷出时,也应通知喷射机司机停止作业。及时清除受喷面上的砂囊或下垂的混凝土,以便重新喷射。喷射工作结束时,认真清洗喷嘴。待喷面的准备工作:在修理损坏了的结构时,首先要清除掉松散物质,用压力水彻底冲洗,再将积水吹走。5喷射机的操作:喷射机的操作可影响回弹、混凝土的密实性和料流的均匀性。要正确地控制喷射机的工作风压和保证喷嘴料流的均匀性。喷射机处的工作风压应根据适宜的喷射速度而进行调整,若工作风压过高,即喷射速度过大,动能过大,使回弹增加,若工作风压过低,压实力小,影响混凝土强度,喷射机的料流要均匀一致,以保证速凝剂在混凝土中均匀分布。6喷嘴的操作喷嘴与受喷面间的角度:在喷敷平整的受喷面时,喷嘴与受喷面垂直,在喷射内部角隅时,应在两个受喷面夹角处,喷嘴沿角平分线方向进行喷敷,随着角隅已被填满成一个曲面后,再向两侧壁面逐渐延伸,然后,按与壁面成90°的角度进行喷敷,对外部角隅,可将喷嘴垂直地先对准一个受喷面喷敷,然后再喷敷角隅的另一侧。喷嘴与受喷面间的距离:喷嘴与受喷面的最佳距离一般为0.8~1m。喷嘴移动:喷嘴指向一个地点的时间不应过久,因为这样会增加回弹并难于取得均匀的厚度,好的喷敷方法是横过...

1、当您付费下载文档后,您只拥有了使用权限,并不意味着购买了版权,文档只能用于自身使用,不得用于其他商业用途(如 [转卖]进行直接盈利或[编辑后售卖]进行间接盈利)。
2、本站所有内容均由合作方或网友上传,本站不对文档的完整性、权威性及其观点立场正确性做任何保证或承诺!文档内容仅供研究参考,付费前请自行鉴别。
3、如文档内容存在违规,或者侵犯商业秘密、侵犯著作权等,请点击“违规举报”。

碎片内容

喷射混凝土方案

您可能关注的文档

确认删除?
VIP
微信客服
  • 扫码咨询
会员Q群
  • 会员专属群点击这里加入QQ群
客服邮箱
回到顶部