电脑桌面
添加小米粒文库到电脑桌面
安装后可以在桌面快捷访问

外墙保温工程施工方案

外墙保温工程施工方案_第1页
1/20
外墙保温工程施工方案_第2页
2/20
外墙保温工程施工方案_第3页
3/20
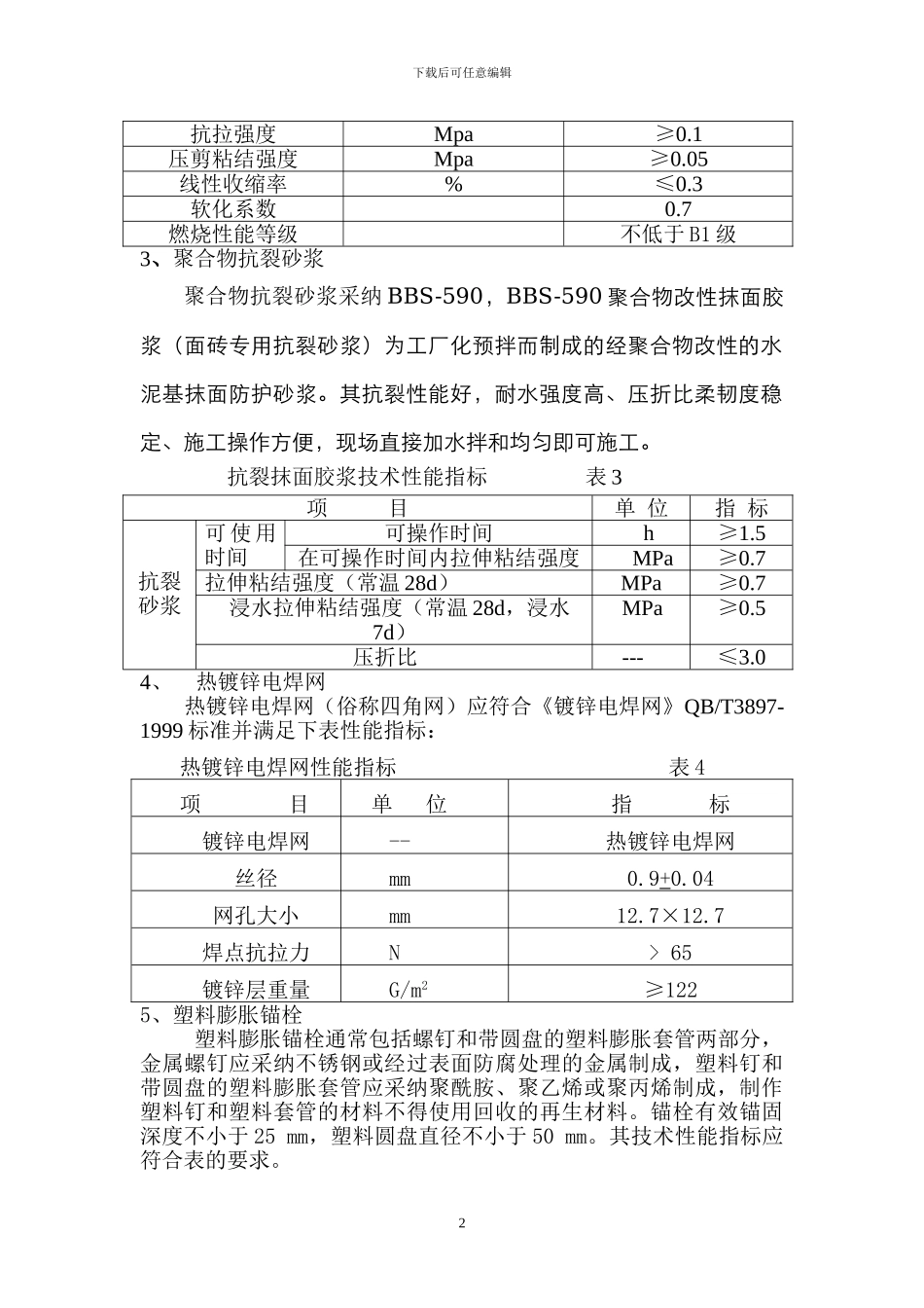
下载后可任意编辑BBS 胶粉聚苯颗粒保温砂浆外墙外保温工程一、 工程概况******总建筑面积约 19 万平方米,由我公司承建的 A 标段,住宅楼总面积为 76756.67 平方米,包括 2、3、5、6、7、8、9 单元,建筑控制高度为 64.7m--96m。外墙外保温采纳 30mm 厚胶粉聚苯颗粒保温砂浆,热镀锌电焊网、塑料锚栓、聚合物胶浆作抗裂砂浆,外饰面为面砖饰面。二、 编制依据2.1、施工图纸序号图 纸 名 称图 号出 图 日 期1通用图JS-01~JS-042006 年 1 月 21 日22、3、5、6、7、8 单元建筑施工图JS-01~JS-272006 年 1 月 21 日39 单元建筑施工图JS-01~JS-142006 年 1 月 21 日2.2、主要法律规范1、《外墙外保温及防水系统应用技术规程》DBJ/CT010—2001;2、《外墙外保温工程技术规程》JGJ144—2024;3、《胶粉聚苯颗粒外墙外保温系统》JG158-2024;4、《外墙外保温建筑构造(一)》02J121-1;2.3、其它甲方提供的招标文件及设计变更等三、材料性能要求1、界面剂界面剂采纳 BBS-300 干粉状预混单组份界面剂。现场直接加水搅拌均匀即可施工。2、胶粉聚苯颗粒浆料胶粉聚苯颗粒浆料采纳 BBS-592 聚合物颗粒保温砂浆,它由聚合物和复合硅酸盐为主凝材料,以聚苯乙烯颗粒为轻质骨料,填以特别改性物质,经细纤化、扩散膨胀、混匀、粘接等多种工艺深度复合而成。 由无机胶凝材料与各种外加剂在工厂采纳预混合干拌技术制成的复合胶凝材料,和聚苯乙烯泡沫塑料经粉碎、混合而制成的具有一定颗粒级配的聚苯颗粒轻骨料所共混的保温砂浆。 胶粉聚苯颗粒保温浆料性能指标 表 2项 目单 位指 标湿表观密度Kg/ m3350-450干表观密度Kg/ m3≤250导热系数W/m.k≤0.059压缩强度Mpa≥0.251下载后可任意编辑抗拉强度Mpa≥0.1压剪粘结强度Mpa≥0.05线性收缩率%≤0.3软化系数0.7燃烧性能等级不低于 B1 级3、聚合物抗裂砂浆聚合物抗裂砂浆采纳 BBS-590,BBS-590 聚合物改性抹面胶浆(面砖专用抗裂砂浆)为工厂化预拌而制成的经聚合物改性的水泥基抹面防护砂浆。其抗裂性能好,耐水强度高、压折比柔韧度稳定、施工操作方便,现场直接加水拌和均匀即可施工。抗裂抹面胶浆技术性能指标 表 3项 目单 位指 标抗裂砂浆可 使 用时间可操作时间h≥1.5在可操作时间内拉伸粘结强度MPa≥0.7拉伸粘结强度(常温 28d)MPa≥0.7浸水拉伸粘结强度(常温 28d,浸水7d)MPa≥0.5压折比---≤3.04、热镀锌电焊网 热镀锌电焊网(俗称四角...

1、当您付费下载文档后,您只拥有了使用权限,并不意味着购买了版权,文档只能用于自身使用,不得用于其他商业用途(如 [转卖]进行直接盈利或[编辑后售卖]进行间接盈利)。
2、本站所有内容均由合作方或网友上传,本站不对文档的完整性、权威性及其观点立场正确性做任何保证或承诺!文档内容仅供研究参考,付费前请自行鉴别。
3、如文档内容存在违规,或者侵犯商业秘密、侵犯著作权等,请点击“违规举报”。

碎片内容

外墙保温工程施工方案

文森传品+ 关注
实名认证
内容提供者

一家传播文化教育的小店,资料丰富,随意挑选。

确认删除?
VIP
微信客服
  • 扫码咨询
会员Q群
  • 会员专属群点击这里加入QQ群
客服邮箱
回到顶部