电脑桌面
添加小米粒文库到电脑桌面
安装后可以在桌面快捷访问

商品混凝土采购合同VIP免费

商品混凝土采购合同_第1页
1/9
商品混凝土采购合同_第2页
2/9
商品混凝土采购合同_第3页
3/9
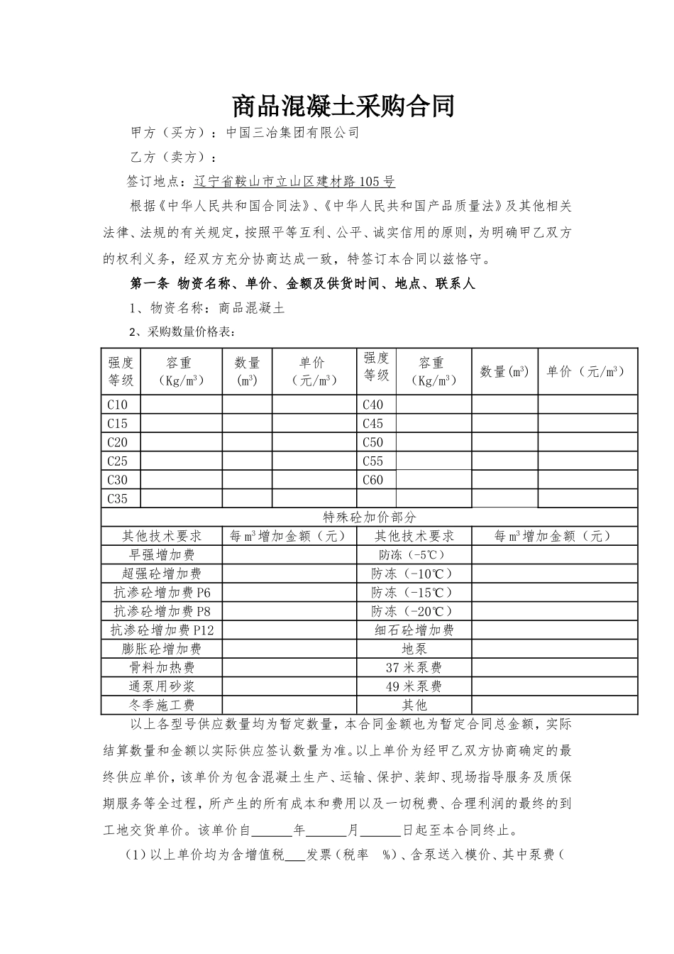
商品混凝土采购合同(示范文本)合同编号:中国三冶集团有限公司商品混凝土采购合同甲方(买方):中国三冶集团有限公司乙方(卖方):签订地点:辽宁省鞍山市立山区建材路105号根据《中华人民共和国合同法》、《中华人民共和国产品质量法》及其他相关法律、法规的有关规定,按照平等互利、公平、诚实信用的原则,为明确甲乙双方的权利义务,经双方充分协商达成一致,特签订本合同以兹恪守。第一条物资名称、单价、金额及供货时间、地点、联系人1、物资名称:商品混凝土2、采购数量价格表:强度等级容重(Kg/m3)数量(m3)单价(元/m3)强度等级容重(Kg/m3)数量(m3)单价(元/m3)C10C40C15C45C20C50C25C55C30C60C35特殊砼加价部分其他技术要求每m3增加金额(元)其他技术要求每m3增加金额(元)早强增加费防冻(-5℃)超强砼增加费防冻(-10℃)抗渗砼增加费P6防冻(-15℃)抗渗砼增加费P8防冻(-20℃)抗渗砼增加费P12细石砼增加费膨胀砼增加费地泵骨料加热费37米泵费通泵用砂浆49米泵费冬季施工费其他以上各型号供应数量均为暂定数量,本合同金额也为暂定合同总金额,实际结算数量和金额以实际供应签认数量为准。以上单价为经甲乙双方协商确定的最终供应单价,该单价为包含混凝土生产、运输、保护、装卸、现场指导服务及质保期服务等全过程,所产生的所有成本和费用以及一切税费、合理利润的最终的到工地交货单价。该单价自年月日起至本合同终止。(1)以上单价均为含增值税发票(税率%)、含泵送入模价、其中泵费()元/m3、不需泵送在单价中扣除;(2)工艺砂浆单价按当日供应的同等级的混凝土单价计算,该砂浆不占混凝土量。3、本合同暂定总金额为人民币:元。(大写:)。4、供货时间按甲方要求。5、混凝土运到甲方指定的具体地址:工地,甲方指定联系人:;电话:;乙方指定联系人:;电话。第二条执行标准和技术要求1、混凝土执行以下技术标准(但不限于以下标准),以下技术标准中没有提及的,则应符合中华人民共和国国家标准。这些标准必须是有关机构发布的最新版本的标准。(1)预拌混凝土的质量必须符合GB50204-2002《混凝土结构工程施工及验收规范》、GB/T14902-2012《预拌混凝土》、GBJ146《粉煤灰混凝土应用技术规范》、GB/T50081《普通混凝土力学性能试验方法标准》、GB50119-2003《混凝土外加剂应用技术规范》;(2)预拌混凝土强度应符合GB/T50107-2010《混凝土强度检验评定标准》。2、在交货地点测得的混凝土塌落度必须符合国家标准要求。3、乙方生产混凝土所使用的原材料必须按现行国家规范标准定期、定量进行检验,向甲方出具检测报告。4、乙方生产混凝土所用水泥为:,型号:。5、其他约定:。第三条货款支付1、付款方式:,甲方以的方式支付。2、每次付款前,乙方提交完整结算手续与甲方核对数量,双方核对无误后甲方根据合同约定办理付款事宜。如乙方按期不办理对账结算手续或乙方未提供发票,甲方将不予办理付款事宜,因此造成的损失由乙方自行承担。乙方账户必须是合同约定账户,如乙方随意改变账户,甲方将拒付货款,由此引起的延期付款责任及相关的损失全部由乙方承担。3、本合同质保金:,返还条件。4、其他约定:。第四条检验和验收1、甲方现场代表和驻地监理,按本合同的有关要求及国家标准进行现场初验。严禁任何人员在现场或交货途中擅自加水,由此造成混凝土质量问题责任由乙方承担。对于其他非人为主动造成的质量不合格产品,甲方有权要求乙方退货更换处理,由此所产生的一切费用由乙方承担。除以上检验外甲方有权对到现场的混凝土进行复检,对不符合质量要求的混凝土保留追究乙方责任的权利,检验不合格的检验费由乙方负责。甲方及有关部门,都可随时到乙方搅拌站抽检,检查混凝土生产记录。2、混凝土的强度质量,以甲方现场取样、制作及标养的试件,并以具有混凝土检测资质的质检站做出的检测结果为准。3、混凝土现场初验合格后,由甲方指定的签收人员签收。4、混凝土供货量计量方式:A.按实际重量结算的,换算系数标准为本合同第一条采购数量价格表所列容重,甲方抽查比例不低于10%,对磅秤计量准确性有异议时,可提请国家计量部门核准裁定。如实...

1、当您付费下载文档后,您只拥有了使用权限,并不意味着购买了版权,文档只能用于自身使用,不得用于其他商业用途(如 [转卖]进行直接盈利或[编辑后售卖]进行间接盈利)。
2、本站所有内容均由合作方或网友上传,本站不对文档的完整性、权威性及其观点立场正确性做任何保证或承诺!文档内容仅供研究参考,付费前请自行鉴别。
3、如文档内容存在违规,或者侵犯商业秘密、侵犯著作权等,请点击“违规举报”。

碎片内容

商品混凝土采购合同

您可能关注的文档

确认删除?
VIP
微信客服
  • 扫码咨询
会员Q群
  • 会员专属群点击这里加入QQ群
客服邮箱
回到顶部