电脑桌面
添加小米粒文库到电脑桌面
安装后可以在桌面快捷访问

起动机技术标准汇总

起动机技术标准汇总_第1页
1/11
起动机技术标准汇总_第2页
2/11
起动机技术标准汇总_第3页
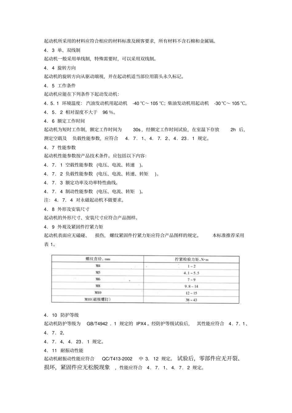
3/11
QC/T 731 -2005 (2005-02-14 发布, 2005-07-01 实施)前 言本标准是对QC/T 29064 -1992 进行的修订。此次修订以德国、日本、意大利等国的相关标准为主要参考对象。本标准与 QC/T29064 — 1992 相比,主要变化如下:—— 汽油发动机用起动机正常工作的环境温度由-400 ℃~ 95℃修订为 -400 ℃ ~105 ℃,柴油发动机用起动机正常工作的环境温度由-4.00 ℃~ 95 ℃修订为 -300 ℃~ 105 ℃(1992 版为 4. 2.1;本版为 4. 5.1)。—— 为了保护环境,规定起动机所有材料不含石棉和金属镉(本版为 4.2)。—— 增加了螺纹紧固件拧紧检验力矩要求,并作为出厂检验项目(本版为 4.9)。—— 取消了定频振动,扫频振动增加了严酷度,扫频范围由25Hz ~200Hz 修订为 10Hz ~500Hz ,加速度由 110m/s2 修订为 250m/s2(1992 版为 4.9;本版为 4.11) 。—— 取消了低温试验,其低温性能在温度冲击试验中或低温去磁试验中检验(1992 版为4.10) 。—— 取消了交变湿热试验, 增加了温度、 湿度循环变化试验(1992 版为 4.13;本版为 4.14) 。—— 盐雾试验增加了严酷度,由16h 修订为 96h(1992 版为 4. 14;本版为 4. 15) 。—— 增加了低温去磁试验(本版为 4.18) 。—— 增加了起动机噪声试验(本版为 4.19) 。—— 增加了空载耐久性试验,以强化对起动机机械性能的检验(本版为 4.20) 。—— 增加了制动耐久性试验,以严格考核起动机耐热及冲击能力(本版为 4.22) 。—— 台架耐久性试验增加了严酷度,汽油发动机用起动机寿命由30 000 次修订为 35000 次,柴油发动机用起动机寿命由15 000 次修订为 20000 次 (本版为 4.21) 。—— 调整了电磁开关性能要求(1992 版为 4.18;本版为 4.23) 。—— 增加了用户验收规则(本版为 6.3)。—— 增加了型式试验样品数量,分组进行了调整,由原来的9 台样品分 3 组改为 12 台样品分 4 组(1992 版为 6.2;本版为 6.2);—— 取消了 1992 版附录 A、附录 B、附录 C;附录 A 螺纹紧固件拧紧力矩参考值已被本标准吸收,附录 B 开箱合格率的计算以及附录C 当年返修率的计算均已过时。本标准自实施之日起代替QC/T29064-1992。本标准由全国汽车标准化技术委员会提出。本标准由全国汽车标准化技术委员会归口。本标准起草单位:长沙汽车电器研究所、中汽长电股份有限公司。本标准主要...

1、当您付费下载文档后,您只拥有了使用权限,并不意味着购买了版权,文档只能用于自身使用,不得用于其他商业用途(如 [转卖]进行直接盈利或[编辑后售卖]进行间接盈利)。
2、本站所有内容均由合作方或网友上传,本站不对文档的完整性、权威性及其观点立场正确性做任何保证或承诺!文档内容仅供研究参考,付费前请自行鉴别。
3、如文档内容存在违规,或者侵犯商业秘密、侵犯著作权等,请点击“违规举报”。

碎片内容

起动机技术标准汇总

确认删除?
VIP
微信客服
  • 扫码咨询
会员Q群
  • 会员专属群点击这里加入QQ群
客服邮箱
回到顶部