电脑桌面
添加小米粒文库到电脑桌面
安装后可以在桌面快捷访问

路基填筑隐蔽工程检查验收记录

路基填筑隐蔽工程检查验收记录_第1页
1/3
路基填筑隐蔽工程检查验收记录_第2页
2/3
路基填筑隐蔽工程检查验收记录_第3页
3/3
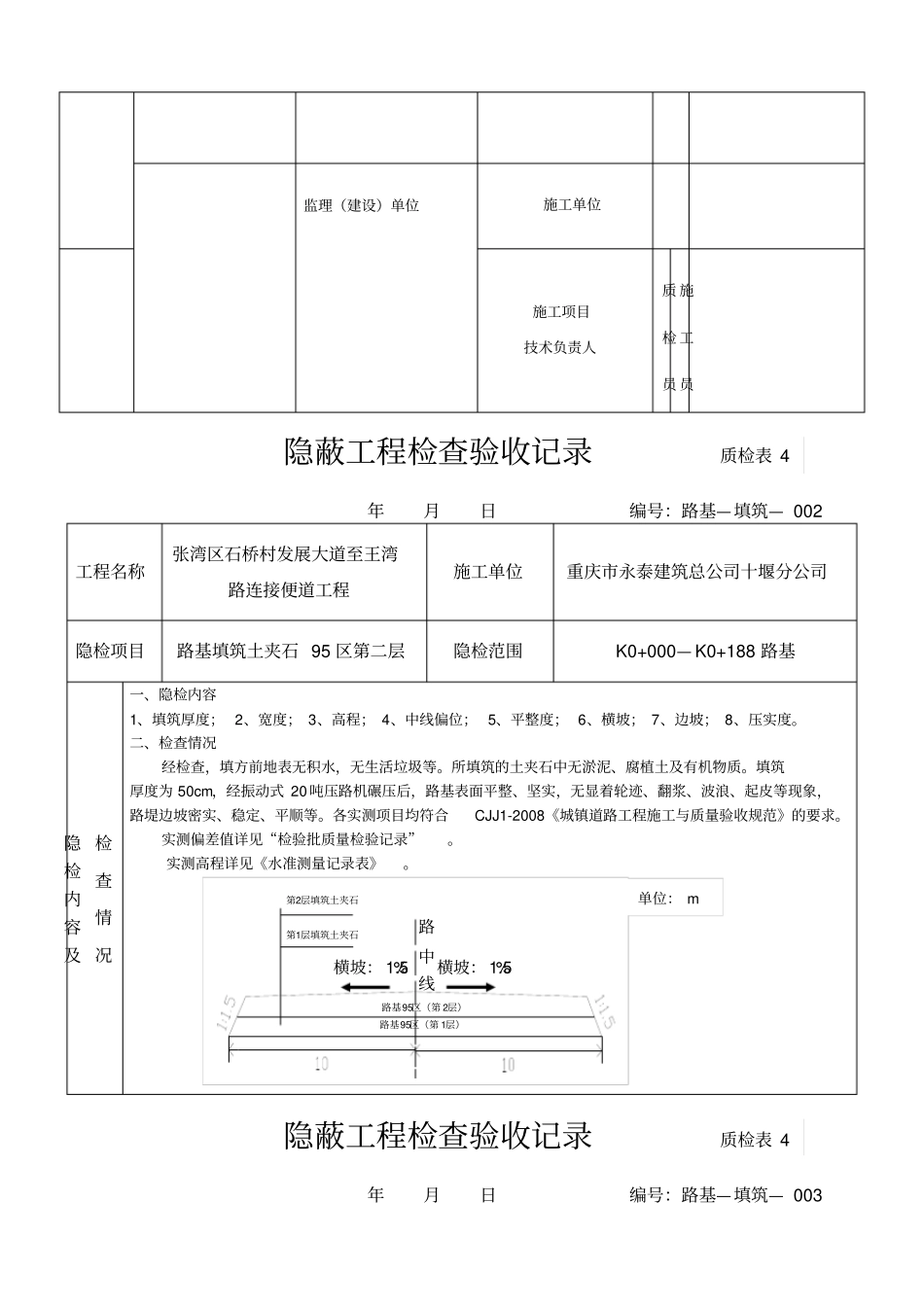
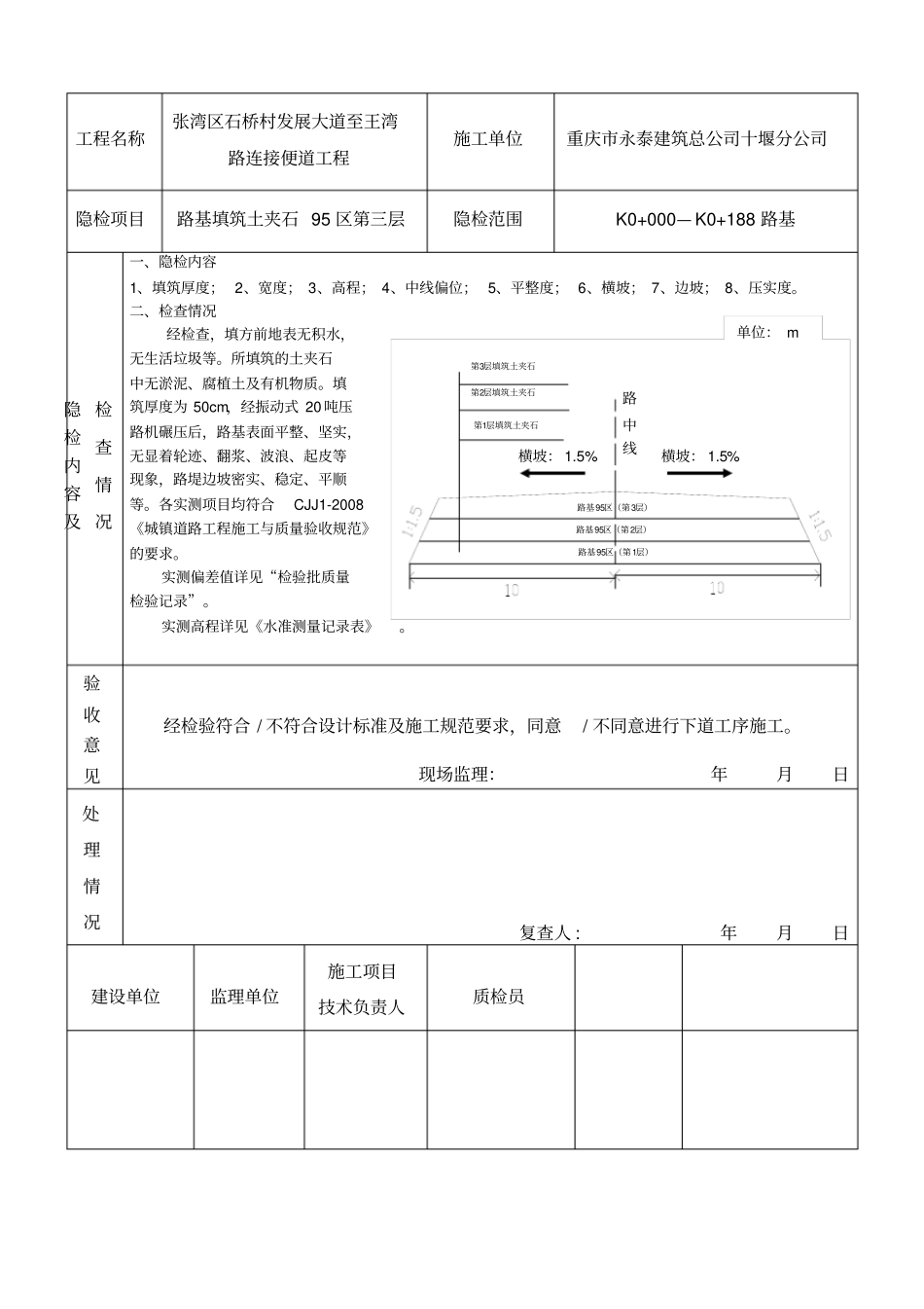
隐蔽工程检查验收记录年月日编号:路基—填筑— 001 工程名称张湾区石桥村发展大道至王湾路连接便道工程施工单位重庆市永泰建筑总公司十堰分公司隐检项目路基风化片岩、碎石质土填筑隐检范围路基检查情况隐检内容及一、隐检内容1、填筑厚度; 2、宽度; 3、高程; 4、中线偏位; 5、平整度; 6、横坡; 7、边坡; 8、压实度。二、检查情况经检查,填方前地表无积水,无生活垃圾等。所填筑的风化片岩无淤泥、腐植土及有机物质。填筑厚度为 50cm,经振动式 20 吨压路机碾压后,路基表面平整、坚实,无显着轮迹、翻浆、波浪、起皮等现象,路堤边坡密实、稳定、平顺等。各实测项目均符合CJJ1-2008《城市道路工程施工与质量验收规范》的要求。实测偏差值详见“检验批质量检验记录”。实测高程详见《水准测量记录表》。验收意见经检验符合 / 不符合设计标准及施工规范要求,同意/ 不同意进行下道工序施工。现场监理:年月日处理情况复查人 : 年月日参加验收人员监理(建设)单位施工单位重庆市永泰建筑总公司十堰分公司施工项目技术负责人质检员施工员监理(建设)单位施工单位施工项目技术负责人质检员施工员隐蔽工程检查验收记录年月日编号:路基—填筑— 002 工程名称张湾区石桥村发展大道至王湾路连接便道工程施工单位重庆市永泰建筑总公司十堰分公司隐检项目路基填筑土夹石 95 区第二层隐检范围K0+000— K0+188 路基检查情况隐检内容及一、隐检内容1、填筑厚度; 2、宽度; 3、高程; 4、中线偏位; 5、平整度; 6、横坡; 7、边坡; 8、压实度。二、检查情况经检查,填方前地表无积水,无生活垃圾等。所填筑的土夹石中无淤泥、腐植土及有机物质。填筑厚度为 50cm,经振动式 20 吨压路机碾压后,路基表面平整、坚实,无显着轮迹、翻浆、波浪、起皮等现象,路堤边坡密实、稳定、平顺等。各实测项目均符合CJJ1-2008《城镇道路工程施工与质量验收规范》的要求。实测偏差值详见“检验批质量检验记录”。实测高程详见《水准测量记录表》。隐蔽工程检查验收记录年月日编号:路基—填筑— 003 质检表 4 单位: m 路基95区(第 1层)路基95区(第 2层)横坡: 1.5%横坡: 1.5%路中线第1层填筑土夹石第2层填筑土夹石质检表 4 工程名称张湾区石桥村发展大道至王湾路连接便道工程施工单位重庆市永泰建筑总公司十堰分公司隐检项目路基填筑土夹石 95 区第三层隐检范围K0+000— K0+188 路基检查情况隐检内容及一...

1、当您付费下载文档后,您只拥有了使用权限,并不意味着购买了版权,文档只能用于自身使用,不得用于其他商业用途(如 [转卖]进行直接盈利或[编辑后售卖]进行间接盈利)。
2、本站所有内容均由合作方或网友上传,本站不对文档的完整性、权威性及其观点立场正确性做任何保证或承诺!文档内容仅供研究参考,付费前请自行鉴别。
3、如文档内容存在违规,或者侵犯商业秘密、侵犯著作权等,请点击“违规举报”。

碎片内容

路基填筑隐蔽工程检查验收记录

您可能关注的文档

确认删除?
VIP
微信客服
  • 扫码咨询
会员Q群
  • 会员专属群点击这里加入QQ群
客服邮箱
回到顶部