电脑桌面
添加小米粒文库到电脑桌面
安装后可以在桌面快捷访问

轻钢龙骨矿棉吸音板吊顶施工技术交底

轻钢龙骨矿棉吸音板吊顶施工技术交底_第1页
1/6
轻钢龙骨矿棉吸音板吊顶施工技术交底_第2页
2/6
轻钢龙骨矿棉吸音板吊顶施工技术交底_第3页
3/6
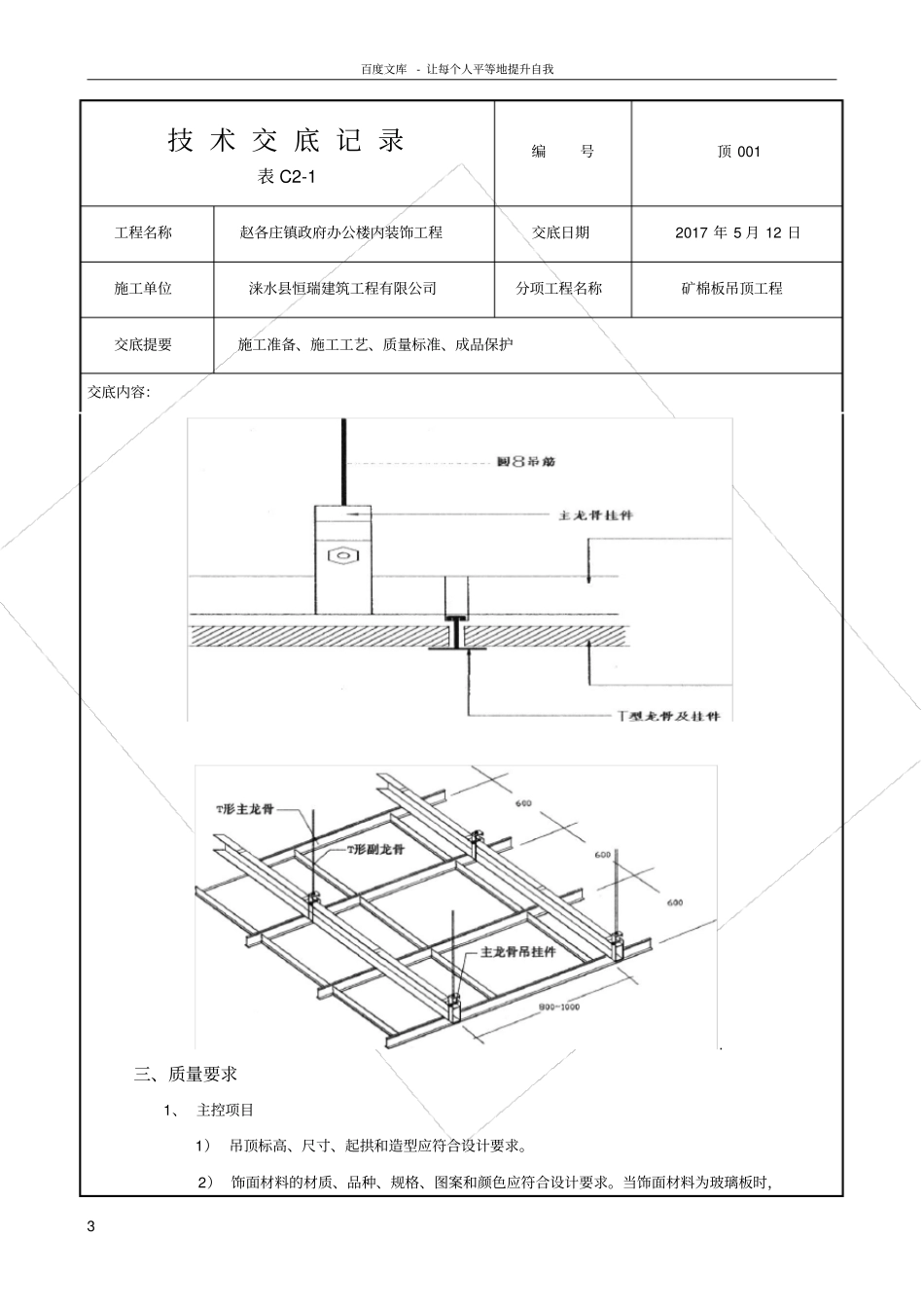
百度文库- 让每个人平等地提升自我1 技 术 交 底 记 录表 C2-1 编号顶 001 工程名称赵各庄镇政府办公楼内装饰工程交底日期2017 年 5 月 12 日施工单位涞水县恒瑞建筑工程有限公司分项工程名称矿棉板吊顶工程交底提要施工准备、施工工艺、质量标准、成品保护交底内容:一、施工准备:1、主要材料轻钢龙骨、配件、吊杆、膨胀螺栓、矿棉板等,进场检验合格且是否有出厂合格证及材料质量证明。 2、主要机具型材切割机、电动曲线锯、手电钻、电锤、自攻螺钉钻、手提电动砂纸机等。 3、作业条件1) 在所要吊顶的范围内,机电安装均已施工完毕,各种管线均已试压合格,且已经过隐蔽验收。2) 已确定灯位、通风口及各种照明孔口的位置。3)顶棚罩面板安装前,应作完墙地、湿作业工程项目。4) 搭好顶棚施工操作平台架子。5) 轻钢骨架顶棚在大面积施工前,应做样板间,对顶棚的起拱度、灯槽、窗帘盒、通风口等处进行构造处理,经鉴定后再大面积施工。二、施工工艺 :1、工艺流程弹线安装吊筋安装主龙骨安装边龙骨安装矿棉板成品保护分项验收百度文库- 让每个人平等地提升自我2 技 术 交 底 记 录表 C2-1 编号顶 001 工程名称赵各庄镇政府办公楼内装饰工程交底日期2017 年 5 月 12 日施工单位涞水县恒瑞建筑工程有限公司分项工程名称矿棉板吊顶工程交底提要施工准备、施工工艺、质量标准、成品保护交底内容: 2、施工要点:1) 弹线:根据吊顶设计标高弹吊顶线作为安装的标准线。2) 安装吊筋:根据施工图纸要求确定吊筋的位置,安装吊筋预埋件( 角铁 ) ,刷防锈漆,吊杆采用直径为Φ 8 的钢筋制作,吊点间距900— 1200mm。安装时上端与预埋件焊接,下端套丝后与吊件连接。安装完毕的吊杆端头外露长度不小于3mm。3)安装主龙骨:一般采用UC38龙骨,吊顶主龙骨间距为900~1000mm。安装主龙骨时,应将主龙骨吊挂件连接在主龙骨上,拧紧螺丝,并根据要求吊顶起拱1/200,随时检查龙骨的平整度。房间内主龙骨沿灯具的长方向排布,注意避开灯具位置;走廊内主龙骨沿走廊短方向排布。4) 安装次龙骨:配套次龙骨选用烤漆T 型龙骨,间距与板横向规格同,将次龙骨通过挂件吊挂在大龙骨上。5) 安装边龙骨:采用1 型边龙骨,与墙体用塑料胀管自攻螺钉固定,固定间距200mm。6) 隐蔽检查:在水电安装、试水、打压完毕后,应对龙骨进行隐蔽检查,合格后方可进入下道工序。7) 安装饰面板:矿棉板选用认可的规格...

1、当您付费下载文档后,您只拥有了使用权限,并不意味着购买了版权,文档只能用于自身使用,不得用于其他商业用途(如 [转卖]进行直接盈利或[编辑后售卖]进行间接盈利)。
2、本站所有内容均由合作方或网友上传,本站不对文档的完整性、权威性及其观点立场正确性做任何保证或承诺!文档内容仅供研究参考,付费前请自行鉴别。
3、如文档内容存在违规,或者侵犯商业秘密、侵犯著作权等,请点击“违规举报”。

碎片内容

轻钢龙骨矿棉吸音板吊顶施工技术交底

您可能关注的文档

确认删除?
VIP
微信客服
  • 扫码咨询
会员Q群
  • 会员专属群点击这里加入QQ群
客服邮箱
回到顶部