电脑桌面
添加小米粒文库到电脑桌面
安装后可以在桌面快捷访问

最新电线电缆载流量表大全

最新电线电缆载流量表大全_第1页
1/15
最新电线电缆载流量表大全_第2页
2/15
最新电线电缆载流量表大全_第3页
3/15
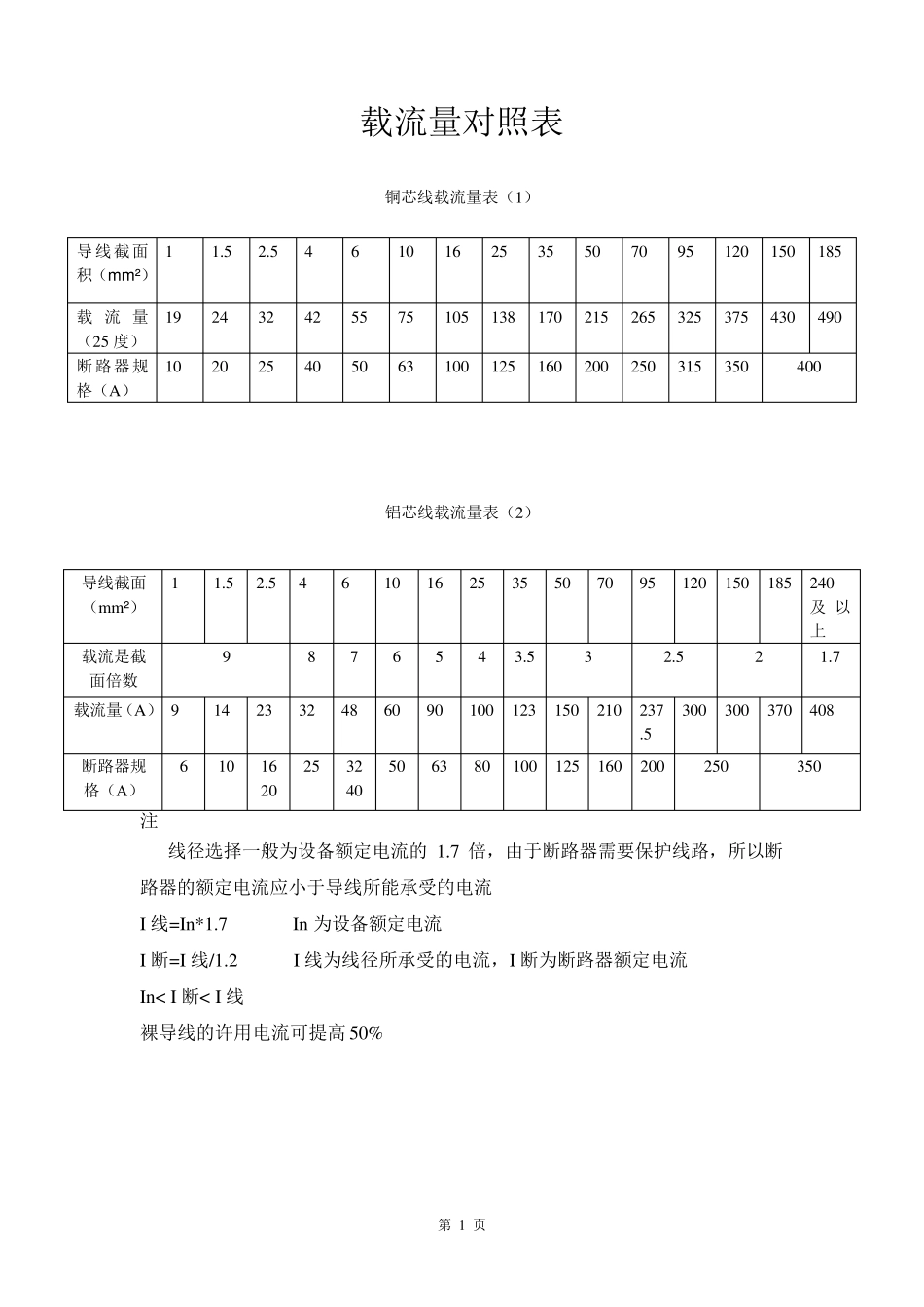
第 1 页 载流量对照表 铜芯线载流量表(1) 铝芯线载流量表(2) 注 线径选择一般为设备额定电流的 1.7 倍,由于断路器需要保护线路,所以断路器的额定电流应小于导线所能承受的电流 I 线=In*1.7 In为设备额定电流 I 断=I 线/1.2 I 线为线径所承受的电流,I 断为断路器额定电流 In< I 断< I 线 裸导线的许用电流可提高 50% 导线截面积(mm²) 1 1.5 2.5 4 6 10 16 25 35 50 70 95 120 150 185 载流量(25 度) 19 24 32 42 55 75 105 138 170 215 265 325 375 430 490 断路器规格(A) 10 20 25 40 50 63 100 125 160 200 250 315 350 400 导线截面(mm²) 1 1.5 2.5 4 6 10 16 25 35 50 70 95 120 150 185 240 及 以上 载流是截面倍数 9 8 7 6 5 4 3.5 3 2.5 2 1.7 载流量(A) 9 14 23 32 48 60 90 100 123 150 210 237.5 300 300 370 408 断路器规格(A) 6 10 16 20 25 32 40 50 63 80 100 125 160 200 250 350 第 2 页 (ΔU 压降)计算公式=I 总电流×R 总电阻 (I 总电流)计算公式=P 功率/U 电压/cosθ功率因素0.8~0.85 (R 总电阻)计算公式= ρ 导体电阻率*L 线长/线截面积 ( ρ 铜芯电缆电阻):0.0174 每米 (ρ 铝芯电缆电阻):0.0283 每米 序号 铜电线型号 单芯载流量 (A) 电压降mV/m 品字型电压降mV/M 紧挨一字型电压降mV/m 间距一字型电压降mV/m 两芯载流量(A) 电压降mV/m 三心载流量(A) 电压降mV/m 四心载流量(A) 电压降mV/m 0.95 0.85 0.7 VV YJV VV YJV VV YJV VV YJV 1 1.5mm² 20 25 30.86 26.73 26.73 26.73 16 16 13 18 30.86 13 13 30.86 2 2.5mm² 28 35 18.9 18.9 18.9 18.9 23 35 18.9 18 22 18.9 18 30 18.9 3 4mm² 38 50 11.76 11.76 11.76 11.76 34 38 11.76 23 34 11.76 28 40 11.76 4 6mm ² 48 60 7.86 7.86 7.86 7.86 40 55 7.86 32 40 7.86 35 55 7.86 5 10mm² 65 85 4.67 4.04 4.04 4.05 55 75 4.67 45 55 4.67 48 80 4.67 6 16mm² 90 110 2.95 2.55 2.56 2.55 70 108 2.9 60 75 2.6 65 65 2.6 7 25mm² 115 150 1.87 1.62 1.62 1.63 100 140 1.9 80 100 1.6 86 105 1.6 8 35mm² ...

1、当您付费下载文档后,您只拥有了使用权限,并不意味着购买了版权,文档只能用于自身使用,不得用于其他商业用途(如 [转卖]进行直接盈利或[编辑后售卖]进行间接盈利)。
2、本站所有内容均由合作方或网友上传,本站不对文档的完整性、权威性及其观点立场正确性做任何保证或承诺!文档内容仅供研究参考,付费前请自行鉴别。
3、如文档内容存在违规,或者侵犯商业秘密、侵犯著作权等,请点击“违规举报”。

碎片内容

最新电线电缆载流量表大全

您可能关注的文档

确认删除?
VIP
微信客服
  • 扫码咨询
会员Q群
  • 会员专属群点击这里加入QQ群
客服邮箱
回到顶部