电脑桌面
添加小米粒文库到电脑桌面
安装后可以在桌面快捷访问

未注公差尺寸的极限偏差的控制

未注公差尺寸的极限偏差的控制_第1页
1/15
未注公差尺寸的极限偏差的控制_第2页
2/15
未注公差尺寸的极限偏差的控制_第3页
3/15
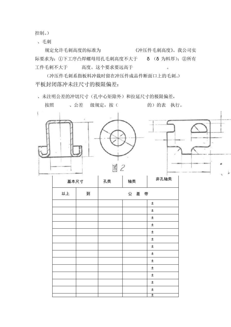
未注公差尺寸的极限偏差的控制 课题原因: 质量检验需要进行零部件合格与否的判定。对于图纸标注有公差要求的尺寸,我们可以根据测量结果直接进行判定。对于没有标注公差要求的尺寸,其极限偏差也必须控制在一个合理的范围之内。 本部分内容要解决的就是汽车零部件在产品图中未注公差尺寸的极限偏差控制范围问题。 一:冷冲压件未注公差尺寸的极限偏差的控制 标准的选定: 标准号 标准名称 CA/CBG-2-82 冷冲压件未注公差尺寸的公差 QQ/J04035-2001 冲压件检查标准 GB/T 13914-2002 冲压件尺寸公差 GB/T 13915-2002 冲压件角度公差 GB/T 13916-2002 冲压件形状和位置未注公差 JB/T 4129-1999 冲压件毛刺高度 公司给定的冲压件相关标准见上表。 尺寸方面,我们的企业标准是 CA/C BG-2-82《冷冲压件未注公差尺寸的公差》和 GB/T 13914-2002 《冲压件尺寸公差》。 CA/C BG-2-82对于一汽集团冲压件质量控制起到了重要作用。 GB/T 13914-2002规定了冲压件的尺寸公差等级。如果产品图纸能够确定相应的等级,则无须按照自由公差来进行质量控制。 还有一个标准——QC/T 268-1999《汽车冷冲压加工零件未注公差尺寸的极限偏差》。作为汽车行业标准,其中较详细地规定了汽车产品零件图中经冷冲压加工形成的尺寸要素未注公差尺寸的极限偏差的相关要求。 为了统一标准,我们以 CA/C BG-2-82为主体、选用汽车行业标准 QC/T 268-1999为补充,来作为判定的依据。 3、补充说明: 后面的内容,是以 CA/C BG-2-82为主体、以 QC/T 268-1999为补充。 如有冲突,按照CA/C BG-2-82《冷冲压件未注公差尺寸的公差》执行! 隐含在设计文件中的要求 1、冲切尺寸:即冲裁件光亮带部分所测得的尺寸。 冲裁(冲孔、落料或修边)的冲压件,在图纸上给出的基本尺寸系指孔的最小尺寸 l(在凸模一面)和外廓的最大尺寸 L1(在凹模一面)。 2、光亮带和断裂带的尺寸差 对于冲压件的光亮带和断裂带的尺寸差,即 l1-l 和 L1-L ,不应超过制件厚度的 30% 。 3、减薄和增厚 减薄:冲压件成型拉延件允许有局部的减薄,其值为图纸规定的零件最小厚度的20%。 增厚:深拉延件在压紧区允许增厚,其值为图纸规定零件最大厚度的20% 。 (根据经验,实际操作过程中,我们可以按照规定材料厚度计算。) 其他情况: 孔翻边和管子扩口其变形部分的壁厚允许减薄,其值为图纸规定最小壁厚的30% 。 如由于产品设计要求不允许有上...

1、当您付费下载文档后,您只拥有了使用权限,并不意味着购买了版权,文档只能用于自身使用,不得用于其他商业用途(如 [转卖]进行直接盈利或[编辑后售卖]进行间接盈利)。
2、本站所有内容均由合作方或网友上传,本站不对文档的完整性、权威性及其观点立场正确性做任何保证或承诺!文档内容仅供研究参考,付费前请自行鉴别。
3、如文档内容存在违规,或者侵犯商业秘密、侵犯著作权等,请点击“违规举报”。

碎片内容

未注公差尺寸的极限偏差的控制

确认删除?
VIP
微信客服
  • 扫码咨询
会员Q群
  • 会员专属群点击这里加入QQ群
客服邮箱
回到顶部