电脑桌面
添加小米粒文库到电脑桌面
安装后可以在桌面快捷访问

活套法兰计算表

活套法兰计算表_第1页
1/6
活套法兰计算表_第2页
2/6
活套法兰计算表_第3页
3/6
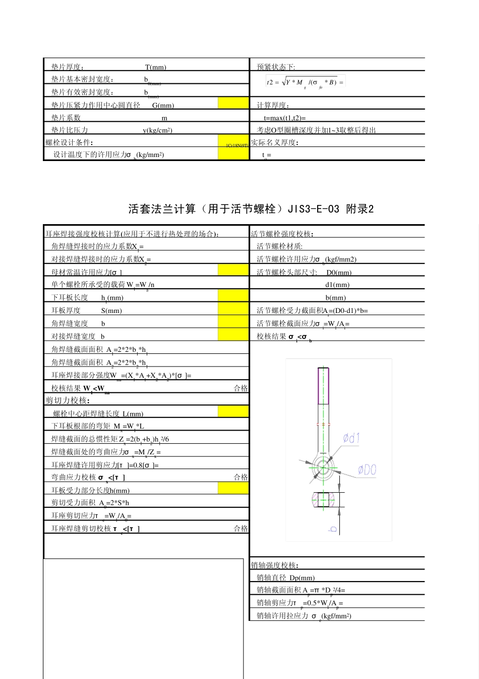
设计条件应不超过以下限制: 预紧状态下的许用应力: σ a(kg/mm2)g0≤16mm,B/g0≤300,P≤20kgf/cm2,设计温度≤370℃ 螺栓圆直径: C(mm) g0------------筒体壁厚,如图示(mm)。 螺栓公称直径: DN B-------------法兰内径,如图示(mm)。 螺纹根径或最小直径: d(mm) P-------------设计压力(kgf/cm2)。 螺栓数量: n法兰设计条件:螺栓载荷: 法兰材料:SUSF304 在操作条件下: 设计条件下的许用应力 σ fb(kg/mm2)13.7 H=π G2*P/400= 预紧条件下的许用应力 σ fa(kg/mm2)13.1 HP=2*π *b*G*m*P/100= 设计压力 P(kg/cm2)6 H+HP= 设计温度 t(℃)60 Wm1=max(H+HP,Wm11)= 公称直径 DN(mm)400 在预紧条件下: 法兰外径 A(mm)500 π *b*G*y= 法兰内径 B(mm)408 Wm2=max(π *b*G*y,Wm21)= 筒体壁厚 g0(mm)4 所需要的螺栓总截面面积 : 系数 K=A/B=1.22549 Am1=Wm1/σ b= 系数 Y=1/(K-1)* Am2=Wm2/σ a= {0.66845+5.71690*[K2logK/(K2-1)]}=9.66495 Am=max(Am1,Am2)= 实际使用螺栓的总截面积Ab=π *d2*n/4=>Am 预紧时的螺栓载荷: Wg=(Am+Ab)*σ a/2=法兰力矩计算: 操作状态下的法兰载荷: HD=π B2*P/400 HG=Wm1-H HT=H-HD 力臂: hD=(C-B)/2= hG=(C-G)/2= hT=(hD+hG)/2= 操作状态下的力矩: MD=HD*hD= MG=HG*hG=螺栓载荷: MT=HT*hT= 使用状态下的螺栓载荷 Wm11(kgf)0 操作状态下的总力矩: 预紧状态下的螺栓载荷 Wm21(kgf)0 MO=MD+MG+MT=垫片: 预紧状态下的总力矩: 垫片材料:氟橡胶 Mg=Wg(C-G)/2 密封面形式:1a法兰厚度计算: 密封面分类:B 操作状态下: 垫片接触宽度: N(mm)0 垫片接触宽度: ω (mm)0活套法兰计算(用于活节螺栓)JIS3-E-03 附录2 ==)*/(*1BMYtfbOs 垫片厚度: T(mm)0 预紧状态下: 垫片基本密封宽度: b0(mm)0 垫片有效密封宽度: b(mm)0 垫片压紧力作用中心圆直径 G(mm)445 计算厚度: 垫片系数 m0 t=max(t1,t2)= 垫片比压力 y(kg/cm2)0 考虑O型圈槽深度并加1~3取整后得出螺栓设计条件:1Cr18Ni9Ti 实际名义厚度: 设计温度下的许用应力σ b(kg/mm2)12.35 to=耳座焊接强度校核计算(应用于不进行热处理的场合):活节螺栓强度校核: 角焊缝焊接时的应力系数X1=0.46 活节螺栓材质: 对接焊缝焊接时的应力系数X2=0.56 活节螺栓许用应力σ b(kgf/mm2) 母材常温许用应力[σ ]13.1 活节螺栓头部尺寸: D0(mm) 单个螺...

1、当您付费下载文档后,您只拥有了使用权限,并不意味着购买了版权,文档只能用于自身使用,不得用于其他商业用途(如 [转卖]进行直接盈利或[编辑后售卖]进行间接盈利)。
2、本站所有内容均由合作方或网友上传,本站不对文档的完整性、权威性及其观点立场正确性做任何保证或承诺!文档内容仅供研究参考,付费前请自行鉴别。
3、如文档内容存在违规,或者侵犯商业秘密、侵犯著作权等,请点击“违规举报”。

碎片内容

活套法兰计算表

小辰4+ 关注
实名认证
内容提供者

出售各种资料和文档

相关文档

确认删除?
VIP
微信客服
  • 扫码咨询
会员Q群
  • 会员专属群点击这里加入QQ群
客服邮箱
回到顶部