电脑桌面
添加小米粒文库到电脑桌面
安装后可以在桌面快捷访问

过盈量与装配力计算公式

过盈量与装配力计算公式_第1页
1/13
过盈量与装配力计算公式_第2页
2/13
过盈量与装配力计算公式_第3页
3/13
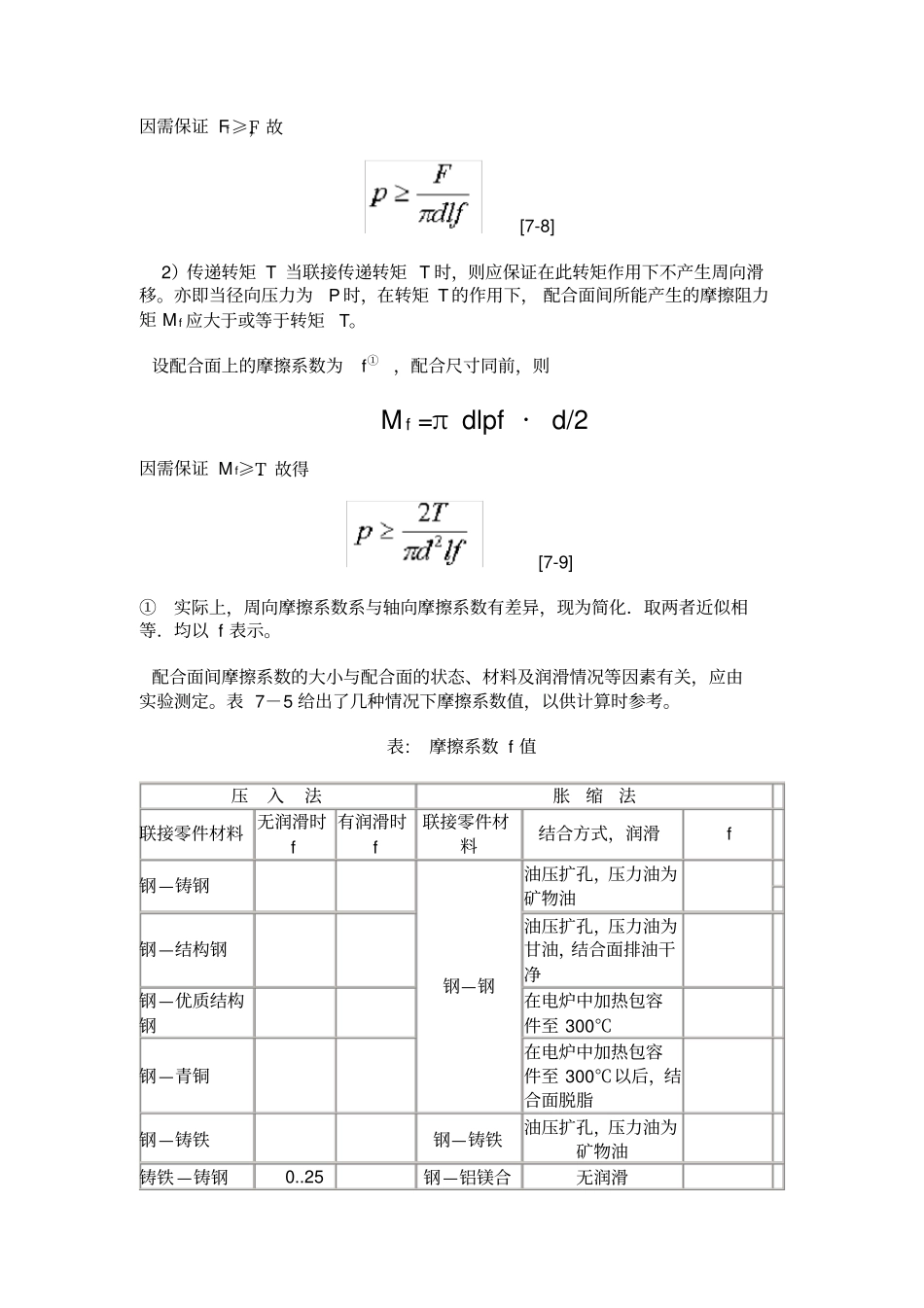
过盈联接1.确定压力 p;1)传递轴向力 F2)传递转矩 T 3)承受轴向力 F 和转矩 T 的联合作用2.确定最小有效过盈量,选定配合种类;3.计算过盈联接的强度;4.计算所需压入力;(采用压入法装配时)5.计算包容件加热及被包容件冷却温度;(采用胀缩法装配时)6.包容见外径胀大量及被包容件内径缩小量。1. 配合面间所需的径向压力p 过盈联接的配合面间应具有的径向压力是随着所传递的载荷不同而异的。1)传递轴向力 F当联接传递轴向力F 时(图 7-20),应保证联接在此载荷作用下,不产生轴向滑动。亦即当径向压力为P 时,在外载荷 F 的作用下,配合面上所能产生的轴向摩擦阻力Ff,应大于或等于外载荷F。图: 变轴向力的过盈联接图: 受转矩的过盈联接设配合的公称直径为人配合面间的摩擦系数为人配合长度为l,则Ff =π dlpf因需保证 Ff≥F,故[7-8] 2)传递转矩 T 当联接传递转矩 T 时,则应保证在此转矩作用下不产生周向滑移。亦即当径向压力为P 时,在转矩 T 的作用下, 配合面间所能产生的摩擦阻力矩 M f 应大于或等于转矩T。设配合面上的摩擦系数为f①,配合尺寸同前,则M f =π dlpf ·d/2因需保证 M f≥T.故得[7-9]① 实际上,周向摩擦系数系与轴向摩擦系数有差异,现为简化.取两者近似相等.均以 f 表示。配合面间摩擦系数的大小与配合面的状态、材料及润滑情况等因素有关,应由实验测定。表 7-5 给出了几种情况下摩擦系数值,以供计算时参考。表: 摩擦系数 f 值压入法胀缩法联接零件材料 无润滑时f 有润滑时f 联接零件材料结合方式,润滑f 钢—铸钢钢—钢油压扩孔,压力油为矿物油钢—结构钢油压扩孔,压力油为甘油,结合面排油干净钢—优质结构钢在电炉中加热包容件至 300℃钢—青铜在电炉中加热包容件至 300℃以后,结合面脱脂钢—铸铁钢—铸铁油压扩孔,压力油为矿物油铸铁 —铸钢0..25 钢—铝镁合无润滑金3)承受轴向力 F 和转矩 T 的联合作用此时所需的径向压力为[7-10]2. 过盈联接的最小有效过盈量δmin根据材料力学有关厚壁圆筒的计算理论,在径向压力为P 时的过盈量为Δ =pd(C1/E1+C2/E2) ×103,则由上式可知,过盈联接传递载荷所需的最小过盈量应为[7-11]式中:p——配合 W 问的任向活力,由式( 78)(710)计算; MPa;d——配合的公称直径, mm;E1、E2——分别为被包容件与包容件材料的弹性模量,MPa;C1——被包容件的刚性系数C2——包容件的刚性...

1、当您付费下载文档后,您只拥有了使用权限,并不意味着购买了版权,文档只能用于自身使用,不得用于其他商业用途(如 [转卖]进行直接盈利或[编辑后售卖]进行间接盈利)。
2、本站所有内容均由合作方或网友上传,本站不对文档的完整性、权威性及其观点立场正确性做任何保证或承诺!文档内容仅供研究参考,付费前请自行鉴别。
3、如文档内容存在违规,或者侵犯商业秘密、侵犯著作权等,请点击“违规举报”。

碎片内容

过盈量与装配力计算公式

文库当当响+ 关注
实名认证
内容提供者

该用户很懒,什么也没介绍

相关文档

确认删除?
VIP
微信客服
  • 扫码咨询
会员Q群
  • 会员专属群点击这里加入QQ群
客服邮箱
回到顶部