电脑桌面
添加小米粒文库到电脑桌面
安装后可以在桌面快捷访问

运用qc方法降低现浇剪力墙

运用qc方法降低现浇剪力墙_第1页
1/8
运用qc方法降低现浇剪力墙_第2页
2/8
运用qc方法降低现浇剪力墙_第3页
3/8
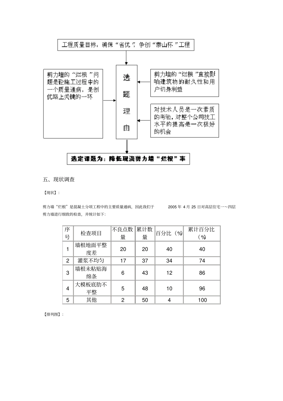
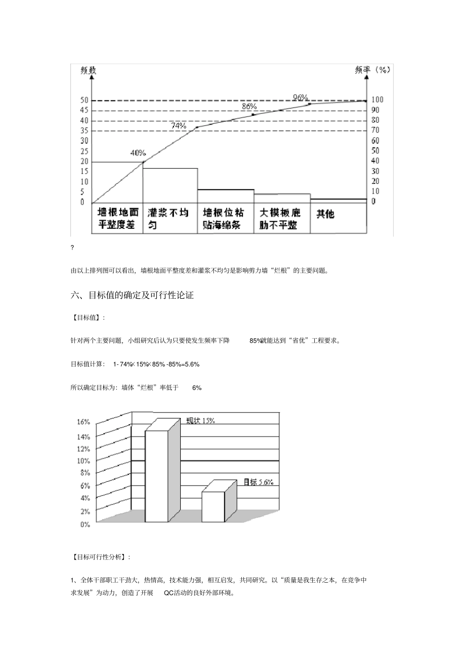
运用 QC方法降低现浇剪力墙“烂根”率一、前言随着国土资源的日趋紧张,城市住宅已向纵深方向发展,高层住宅的兴起已成为我市住宅发展的大方向,框架剪力墙结构的诞生是适应城市高层住宅发展的产物,剪 力墙工程质量的好坏直接影响整个住宅工程质量的耐久性,因此,我们将剪力墙作为该工程创优夺奖的攻关对象。二、工程概况本工程为橡胶厂高层住宅及商场工程,位于荣成市新华书店南,为现浇框剪结构,地下一层为停车场,地上分商场和住宅两部分,住宅部分十九层,总建筑面积1600m2。三、小组简介我 QC小组自成立以来,一直以“小、实、活、新”作为活动宗旨,充分发扬团结拼搏、求实创新、敬业奉献、勇创一流的精神。小组简介小组名称荣成市橡胶厂商场及住宅楼工程QC-1小组小组类型攻关型注册编号RCTJ— 2005— 04 成立时间 2005年 4 月活动时间2005.4.9 — 2005.7-16 平均年龄39 岁接受 QC教育时间68 小时 / 年成员简介姓 名性别年龄职 称组内职务公司职务于维洪男48 工程师组 长副 经 理王永奎男49 助 工副组长施工队长邹本修男53 助 工组 员施工组长鞠训杰男33 技术员组 员技术员张 亮男20 技术员组 员技术员邹德威男34 技术员组 员技 工四、选题理由五、现状调查【现状】:剪力墙“烂根”是混凝土分项工程中的主要质量通病,因此我们于2005 年 4 月 25 日对高层住宅一~四层剪力墙进行细致的检查,并统计如下:序号检查项目不良点数量累计数量百分比(%) 累计百分比(%)1 墙根地面平整度差20 20 40 40 2 灌浆不均匀17 37 34 74 3 墙根未粘贴海绵条6 43 12 86 4 大模板底肋不平整5 48 10 96 5 其他2 50 4 100 【排列图】:? 由以上排列图可以看出,墙根地面平整度差和灌浆不均匀是影响剪力墙“烂根”的主要问题。六、目标值的确定及可行性论证【目标值】:针对两个主要问题,小组研究后认为只要使发生频率下降85%就能达到“省优”工程要求。目标值计算: 1- 74%×15%×85% -85%=5.6% 所以确定目标为:墙体“烂根”率低于6% 【目标可行性分析】:1、全体干部职工干劲大,热情高,技术能力强,相互启发,共同研究。以“质量是我生存之本,在竞争中求发展”为动力,创造了开展QC活动的良好外部环境。2、公司领导在思想上重视,行动上支持,财力上也最大限度的满足要求,并组织到威海、青岛等地参观学习。3、项目部全体人员,实践经验丰富,制定了严格的“三检”制度,...

1、当您付费下载文档后,您只拥有了使用权限,并不意味着购买了版权,文档只能用于自身使用,不得用于其他商业用途(如 [转卖]进行直接盈利或[编辑后售卖]进行间接盈利)。
2、本站所有内容均由合作方或网友上传,本站不对文档的完整性、权威性及其观点立场正确性做任何保证或承诺!文档内容仅供研究参考,付费前请自行鉴别。
3、如文档内容存在违规,或者侵犯商业秘密、侵犯著作权等,请点击“违规举报”。

碎片内容

运用qc方法降低现浇剪力墙

爱的疯狂+ 关注
实名认证
内容提供者

该用户很懒,什么也没介绍

确认删除?
VIP
微信客服
  • 扫码咨询
会员Q群
  • 会员专属群点击这里加入QQ群
客服邮箱
回到顶部