电脑桌面
添加小米粒文库到电脑桌面
安装后可以在桌面快捷访问

通信光缆工程施工设计方案

通信光缆工程施工设计方案_第1页
1/16
通信光缆工程施工设计方案_第2页
2/16
通信光缆工程施工设计方案_第3页
3/16
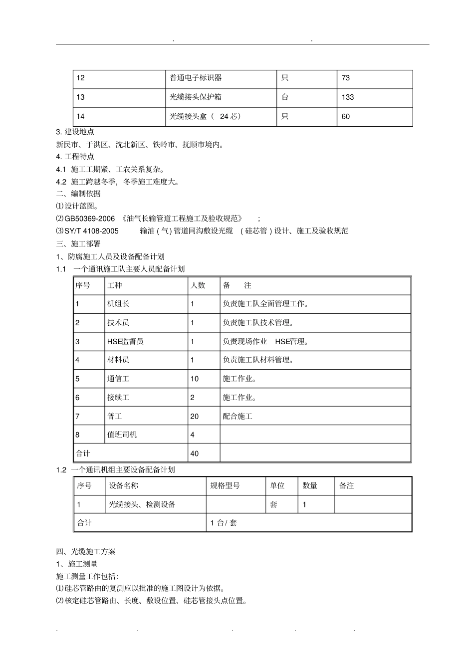
目录一、工程概况1 二、编制依据2 三、施工部署2 四、光缆施工方案 2 五、光缆气流吹放施工方案 6 ●光缆路由复测7 ●光缆配盘确认7 ●气吹点的选择8 ●光缆单盘检测8 ●光缆的吹放9 ●光缆接续 11 ●光缆中继段测试:12 六、质量保证措施 12 七、安全保证措施 13 八、环境保护措施 14 . . . . . . . 一、工程概况1. 工程名称XXXXX 2. 建设规模2.1XXXXX 2.2 光缆线路穿跨越统计表该段线路穿跨越道路、河流、池塘多处, 因与气管线同沟敷设, 穿跨越方案均随气管线同, 具体数量详见下表 :穿越方式穿越长度( m)穿越次数2.3 光缆材料一览表:工程项目名称:沈阳- 铁岭 - 抚顺段序号材料名称单位数量1 光缆保护标志带KM 133.5 2 硅芯管Φ 40/33 KM 137 3 硅芯管接头套652 4 硅芯管加长接头套89 5 硅芯管堵头个300 6 镀锌钢管Φ144*4 KM 7.4 7 镀锌钢管Φ144*6 KM 1.5 8 塑料管 HDPEΦ 75*6.8 M 600 9 混凝土盖板块4800 10 普通标石块1673 11 遁形电子标识器只60 . . . . . . . 12 普通电子标识器只73 13 光缆接头保护箱台133 14 光缆接头盒( 24 芯)只60 3. 建设地点新民市、于洪区、沈北新区、铁岭市、抚顺市境内。4. 工程特点4.1 施工工期紧、工农关系复杂。4.2 施工跨越冬季,冬季施工难度大。二、编制依据⑴设计蓝图。⑵GB50369-2006 《油气长输管道工程施工及验收规范》;⑶SY/T 4108-2005 输油 ( 气) 管道同沟敷设光缆( 硅芯管 ) 设计、施工及验收规范三、施工部署1、防腐施工人员及设备配备计划1.1 一个通讯施工队主要人员配备计划序号工种人数备注1 机组长1 负责施工队全面管理工作。2 技术员1 负责施工队技术管理。3 HSE监督员1 负责现场作业HSE管理。4 材料员1 负责施工队材料管理。5 通信工10 施工作业。6 接续工2 施工作业。7 普工20 配合施工8 值班司机4 合计40 1.2 一个通讯机组主要设备配备计划序号设备名称规格型号单位数量备注1 光缆接头、检测设备套1 合计1 台/ 套四、光缆施工方案1、施工测量施工测量工作包括:⑴硅芯管路由的复测应以批准的施工图设计为依据。⑵核定硅芯管路由、长度、敷设位置、硅芯管接头点位置。. . . . . . . ⑶核定硅芯管道穿越铁路、公路、河流、水塘、地下管线等障碍的具体位置和保护处理措施。⑷核定接头坑及吹缆坑的开挖地点。2、主要器材、设备检验(1) ...

1、当您付费下载文档后,您只拥有了使用权限,并不意味着购买了版权,文档只能用于自身使用,不得用于其他商业用途(如 [转卖]进行直接盈利或[编辑后售卖]进行间接盈利)。
2、本站所有内容均由合作方或网友上传,本站不对文档的完整性、权威性及其观点立场正确性做任何保证或承诺!文档内容仅供研究参考,付费前请自行鉴别。
3、如文档内容存在违规,或者侵犯商业秘密、侵犯著作权等,请点击“违规举报”。

碎片内容

通信光缆工程施工设计方案

确认删除?
VIP
微信客服
  • 扫码咨询
会员Q群
  • 会员专属群点击这里加入QQ群
客服邮箱
回到顶部