电脑桌面
添加小米粒文库到电脑桌面
安装后可以在桌面快捷访问

通信光缆线路施工规范方案2015修订版

通信光缆线路施工规范方案2015修订版_第1页
1/29
通信光缆线路施工规范方案2015修订版_第2页
2/29
通信光缆线路施工规范方案2015修订版_第3页
3/29
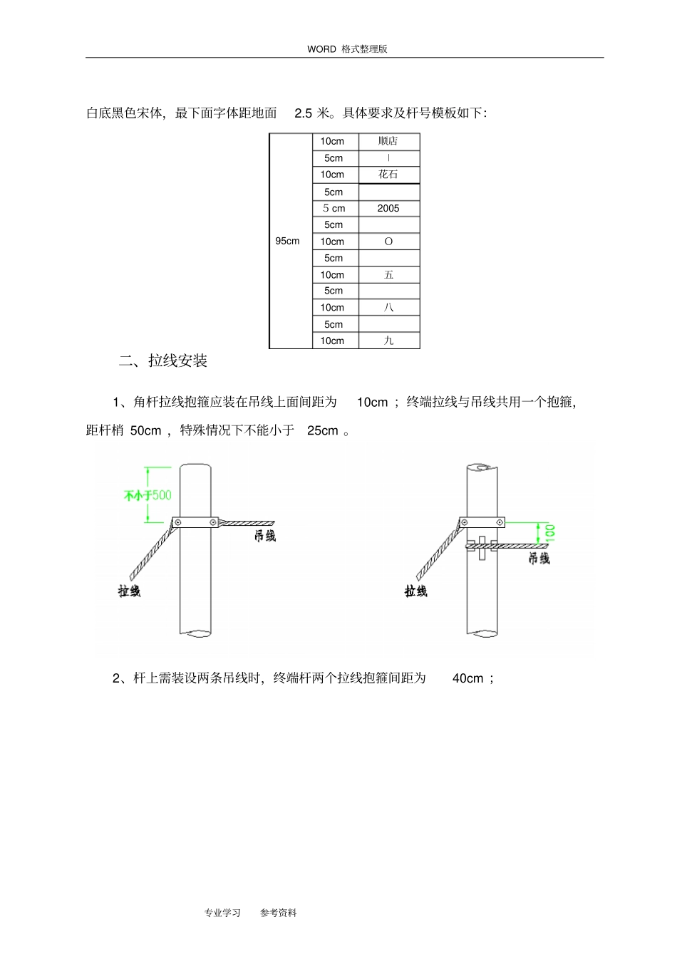
WORD 格式整理版专业学习参考资料光缆线路工程施工规范一、电杆安装1、为了确保架空光缆线路的安全、稳定、可靠,一般要求杆路离开水渠10m 以外,离开县道、省道 20m 以外,离开国道、高速公路50m 以外,当与其它通信杆路平行靠近时,一般应保持有10m 的有效间距,与其它管线、直埋线路应保持3 米的距离,一些特殊地段可适当调整。电杆与其它建筑物最小净距要求详见下表:序号建筑物名称最小水平净距备注1 铁路(距最近的钢轨)地面杆高的4/3 2 公路(距公路路肩)地面杆高或满足公路部门的要求3 人行道(距边石)0.5 或根据城建部门批准位置4 消火栓1.0 5 通信杆、广播杆、低压电力杆地面杆高的4/3 电杆与电杆的距离6 地下管线 (上下水管、煤气管等) 1.0 电杆与地下管线平行的距离7 地下管线 (电信管道、直埋电缆) 0.75 电杆与它们平行时的距离8 房屋建筑(距建筑物边缘)2.0 9 市区树木1.25 10 郊区、农村树木2.0 2、一般选用杆高为7m ,梢径为 130mm 。特殊地段、跨越障碍物或县、省、国道公路和铁路等可根据实际地形选用杆高,杆高选用必须符合架空光缆线路最低线条及跨越其它建筑物的最小垂直净距标准,架空线路与其他电力交叉跨越平行时的间隔距离的要求详见下表:序号其它建筑物名称最小垂直距离 (m) 备注1 距铁路轨面7.5 缆线最低点至轨面2 距公路、市区主要道路路面6.0 公路转弯处应为倾斜的最高点3 距一般道路路面6.0 包括农村机耕道、农用车道等WORD 格式整理版专业学习参考资料4 距通航河流航帆顶点1.0 在最高水位时5 距不通航河流顶点2.0 在最高水位时及漂浮物上6 距房屋屋顶2.0 跨越房顶 2.0m 、跨越屋脊0.6m 7 与其它通信线交越间距0.6 8 距树枝顶1.5 9 沿街坊小巷架设距地面4.0 货车不能通行路段10 高农作物地段3.5 最低缆线与农作物、 农机的最高点间的净距,应不小于0.6m 11 其它一般地型距地面3.5 个别特殊山坡容许不小于2.5m 3、架空杆路的基准杆距为50m ,可根据实际地形适当调整(每公里平均不能少于 17.5 条)。当线路路由受地形或其它障碍物的原因杆档距离在120 米以上,按长杆档考虑装置辅助吊线,应选用9 米以上的电杆;当杆挡距离小于120 米以下时,应考虑选用 8 米以上的电杆;4、角杆应在线路转角点内移10-15cm ,因地形限制装设撑杆的角杆可不内移,吊线收紧后,角杆应向拉线方向倾斜半个杆梢左右;终端杆竖立后应向拉线侧倾斜10-20cm ...

1、当您付费下载文档后,您只拥有了使用权限,并不意味着购买了版权,文档只能用于自身使用,不得用于其他商业用途(如 [转卖]进行直接盈利或[编辑后售卖]进行间接盈利)。
2、本站所有内容均由合作方或网友上传,本站不对文档的完整性、权威性及其观点立场正确性做任何保证或承诺!文档内容仅供研究参考,付费前请自行鉴别。
3、如文档内容存在违规,或者侵犯商业秘密、侵犯著作权等,请点击“违规举报”。

碎片内容

通信光缆线路施工规范方案2015修订版

确认删除?
VIP
微信客服
  • 扫码咨询
会员Q群
  • 会员专属群点击这里加入QQ群
客服邮箱
回到顶部