电脑桌面
添加小米粒文库到电脑桌面
安装后可以在桌面快捷访问

品质管理表格VIP免费

品质管理表格_第1页
1/15
品质管理表格_第2页
2/15
品质管理表格_第3页
3/15
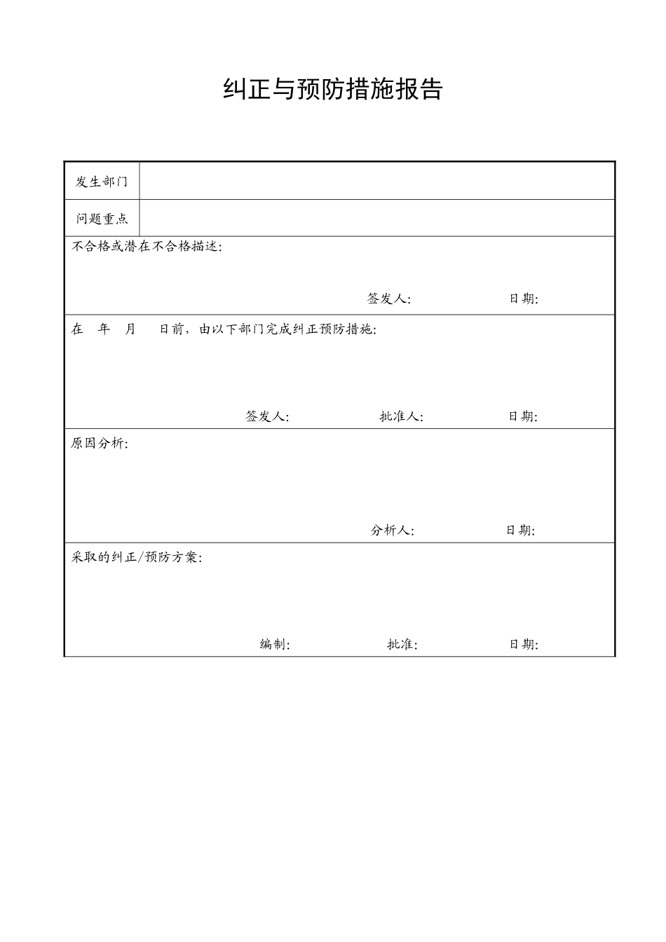
品质管理表格(二〇二四二〇二四年十月制)纠正与预防措施报告发生部门问题重点不合格或潜在不合格描述:签发人:日期:在年月日前,由以下部门完成纠正预防措施:签发人:批准人:日期:原因分析:分析人:日期:采取的纠正/预防方案:编制:批准:日期:有效性验证:方法:结论:有效()无效()重新发生的纠正预防措施报告编号:验证人:日期:整改通知书整改责任人/部门不合格项目描述:整改要求:限期于年月日整改完毕。签发人签名:确认与承诺:移交部门/负责人签名:整改方案:整改责任人/部门签名日期品质技术部验收意见:验收人签名:日期物业工作检查评比情况汇总管理处:检查时间:项目序号扣分内容备注扣分值合计扣分编制:审核:批准:备注栏打“√”表示复检已完成整改。复检日期:考核检查表部门:年月日性质:□公司检查□本部门检查□班组检查□其它姓名岗位奖励/扣分情况描述奖分扣分备注说明:本表仅对发生奖/扣分情况的人员进行记录;情况突出的请同时另附报告。检查人签名:行政人事部审核:总经理批准:日期:日期:日期:员工日常行为规范考核评分表部门/管理处:年月序号姓名岗位月平均扣分总评分备注123456789101112131415161718说明:1、部门负责人的总评分=100-扣分+本班人员扣分总和/本部门人员总数/2;其他员工总评分=100-扣分2、上述公式中“扣分总和”不包括部门负责人本人;3、各部门、管理处在填写此表时应把应填写项目填写清楚,以便统计;部门负责人:品质技术部:行政人事部:总经理:日期:日期:日期:日期:管理人员每日巡检表检查人:检查日期:项目区域道路绿化清洁消防安全给排水市政设施及其它设施停车设备检查内容地址路面(占道、堆放物、车辆停放)路况损坏、平坦状况沙井盖、管线井盖渠道淤塞围栏悬挂异物践踏草地、攀、折果皮箱路面清洁消火栓开关管道渗漏防盗门开闭安管员在岗状况可疑人员管道渗漏水表状态(盖、玻璃、针、字)水表行度燃气总阀、管道电讯接线箱邮箱装修施工路灯、梯口灯消防卫生电梯电动门备注说明:正常打“√”;存在问题打“×”,并在备注栏说明原因;检查区域内没有的项目打“〇”。管理处经理签名:日常抽检记录表□公司本部:□物业管理处:年月日检查人检查区域负责人检查内容存在问题整改措施复查结果管理工作周检表物业名称:年月日№:检查项目检查人签名序号检查内容检查情况受检责任人签名备注管理工作月检表物业名称:检查部门:检查日期:序号检查项目检查情况(打勾)备注检查内容有无检查内容有无1日常管理工作统一着装、整齐资料整理佩带明显标志工作检查记录住户投诉记录住户收费资料消防应急措施订立消防员演习满意度调查管理费收取率95%2各类标识、宣传栏的管理楼宇标识其他标识交通安全标识定期更换宣传内容3房屋外观、外墙面砖、批荡涂料外墙批荡脱落维修记录外观污迹巡检目录4房屋公共部位、楼梯护栏、天台、公共平台、公共玻璃窗等的管理楼梯间乱贴乱画公共玻璃破损擅自占用或堆放杂物楼梯护栏损坏锈触楼梯破损巡检目录5排水、排污管道下水道墙塞排污管堵塞坑渠淤泥、垃圾化粪池外溢化粪池清理1次/年检查记录6道路路面、井盖道路凹凸井盖缺损、丢失人行道破损沙井清理消防通道畅通绿化栏缺损7机动车、非机动车停车场管理管理制度车辆检查进出登记发牌24小时值班8电梯维修、保养管理电梯年检轿厢、井道清洁安全事故发生机房设备保养巡检记录机房清洁卫生9水电设施设备管理含水泵、供配电、发电机等设备、消设备房杂物灰尘巡检记录设备标识申请维修及维修记录消防设施配备齐全设备漏水漏油防、供水设施、电子门、公共部位设定时清洗水箱设备定期试运行清洗水池后抽样化验维修回访消防设施定期检查10清洁卫生管理定期消杀公共场地12小时保洁每天清运垃圾物业外围清洁2次/天楼道按规定清洁垃圾桶干净无臭味11安全管理按规定着装大件物品出入登记24小时值班外来人员出入登记遵守规章制度巡查制度落实情况12绿化日常维护管理绿化物枯萎、缺株绿化物施肥、养护绿化地黄土裸露绿化物施肥、养护处理意见岗位月绩效考核评表部门/管理处:____年__月__日至__月__日序号姓名职务70%30%总得分岗位...

1、当您付费下载文档后,您只拥有了使用权限,并不意味着购买了版权,文档只能用于自身使用,不得用于其他商业用途(如 [转卖]进行直接盈利或[编辑后售卖]进行间接盈利)。
2、本站所有内容均由合作方或网友上传,本站不对文档的完整性、权威性及其观点立场正确性做任何保证或承诺!文档内容仅供研究参考,付费前请自行鉴别。
3、如文档内容存在违规,或者侵犯商业秘密、侵犯著作权等,请点击“违规举报”。

碎片内容

品质管理表格

文章天下+ 关注
实名认证
内容提供者

各种文档应有尽有

确认删除?
VIP
微信客服
  • 扫码咨询
会员Q群
  • 会员专属群点击这里加入QQ群
客服邮箱
回到顶部