电脑桌面
添加小米粒文库到电脑桌面
安装后可以在桌面快捷访问

通风管道安装与施工规范标准

通风管道安装与施工规范标准_第1页
1/5
通风管道安装与施工规范标准_第2页
2/5
通风管道安装与施工规范标准_第3页
3/5
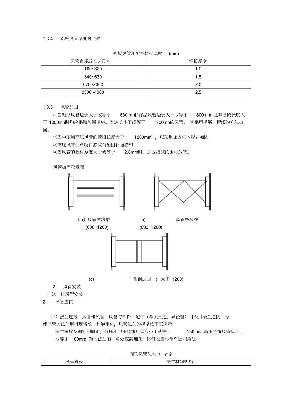
通风管道制作与施工规1、 风 管 制 作①金 属 风 管 制 作②非 金 属 风 管 制 作2、 风 管 安 装①一 般 性 风 管 安 装1) 送 、 排 风 风 管2) 防 排 烟 系 统 风 管②特 殊 风 管 安 装1) 不 锈 钢 风 管2) 铝 板 风 管3) 防 爆 系 统 风 管4) 净 化 系 统5) 复 合 材 料 风 管6) 无 机 玻 璃 钢 系 统 风 管1、风管制作1.1风管系统系统类别系统工作压力Pa 强度要求密封要求使用围低压系统≤500 一般咬口缝及连接处无孔洞及缝隙一般空调及排气等系统中压系统>500 且≤ 1500 局部增强连接面及四角咬缝处增加密封措施1000 级及以下空气净化、排烟、除尘等系统高压系统>1500 特殊加固不得用按扣式咬缝所有咬缝连接面及固定件四周采取密封措施1000 级以上空气净化、气力输送、生物工程等系统1.2风管种类①金属风管-镀锌钢板风管(俗称白铁皮)-薄钢板风管(俗称黑铁皮风管)-不锈钢板风管-铝板风管②非金属风管-机玻璃钢风管-无机玻璃钢风管-硬聚氯乙烯板风管-超级风管:又称玻璃纤维风管1.3金属风管制作①圆形风管制作(略)②矩形风管制作1.3.1 矩形风管制作钢板制矩形风管的常用规格/mm 120×120 320×320 630× 500 1250×400 160×120 400×200 630× 630 1250×500 160×160 400×250 800× 320 1250×630 200×120 400×320 800× 400 1250×800 200×160 400×400 800× 500 1250× 1000 200×200 500×200 800× 630 1600×500 250×120 500×250 800× 800 1600×630 250×160 500×320 1000×320 1600×800 250×200 500×400 1000×400 1600× 1000 250×250 500×500 1000×500 1600× 1250 320×160 630×250 1000×630 2000×800 320×200 630×320 1000×800 2000× 1000 320×250 630×400 1000× 1000 2000× 1250 1.3.2 风管厚度对照表风管及配件钢板厚度(mm)圆形风管矩形风管除尘系统风管中低压系统高压系统80~320 0.5 0.5 0.8 1.5 340~450 0.6 0.6 0.8 1.5 480~630 0.8 0.6 0.8 2.0 670~1000 0.8 0.8 0.8 2.0 1120~1250 1.0 1.0 1.0 2.0 1320~2000 1.2 1.0 1.2 3.0 2500~4000 1.2 1.2 1.2 按设计要求注: 1、排烟系统风管板厚度可按高压系统 2、特殊除尘系统钢板厚度应符合设计要求1.3.3不锈钢板厚度对照表不锈...

1、当您付费下载文档后,您只拥有了使用权限,并不意味着购买了版权,文档只能用于自身使用,不得用于其他商业用途(如 [转卖]进行直接盈利或[编辑后售卖]进行间接盈利)。
2、本站所有内容均由合作方或网友上传,本站不对文档的完整性、权威性及其观点立场正确性做任何保证或承诺!文档内容仅供研究参考,付费前请自行鉴别。
3、如文档内容存在违规,或者侵犯商业秘密、侵犯著作权等,请点击“违规举报”。

碎片内容

通风管道安装与施工规范标准

您可能关注的文档

确认删除?
VIP
微信客服
  • 扫码咨询
会员Q群
  • 会员专属群点击这里加入QQ群
客服邮箱
回到顶部