电脑桌面
添加小米粒文库到电脑桌面
安装后可以在桌面快捷访问

含两个2-4译码器的74HC139芯片版图VIP免费

含两个2-4译码器的74HC139芯片版图_第1页
1/39
含两个2-4译码器的74HC139芯片版图_第2页
2/39
含两个2-4译码器的74HC139芯片版图_第3页
3/39
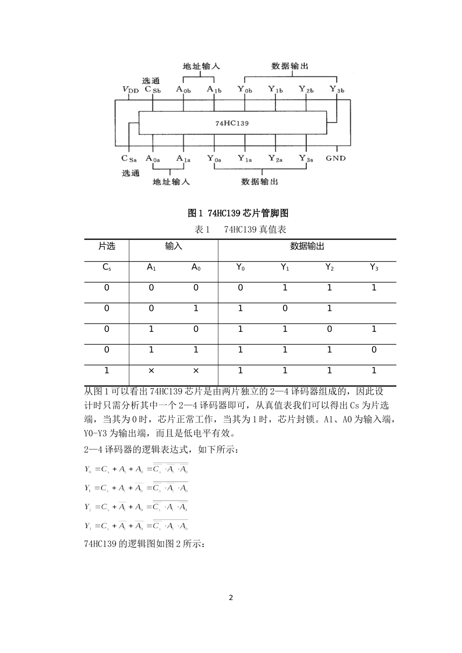
集成电路课程设计1.目的与任务本课程设计是《集成电路分析与设计基础》的实践课程,其主要目的是使学生在熟悉集成电路制造技术、半导体器件原理和集成电路分析与设计基础上,训练综合运用已掌握的知识,利用相关软件,初步熟悉和掌握集成电路芯片系统设计→电路设计及模拟→版图设计→版图验证等正向设计方法。2.设计题目与要求2.1设计题目及其性能指标要求器件名称:含两个2-4译码器的74HC139芯片要求电路性能指标:(1)可驱动10个LSTTL电路(相当于15pF电容负载);(2)输出高电平时,|IOH|≤20μA,VOH,min=4.4V;(3)输出底电平时,|IOL|≤4mA,VOL,man=0.4V;(4)输出级充放电时间tr=tf,tpd<25ns;(5)工作电源5V,常温工作,工作频率fwork=30MHz,总功耗Pmax=150mW。2.2设计要求1.独立完成设计74HC139芯片的全过程;2.设计时使用的工艺及设计规则:MOSIS:mhp_n12;3.根据所用的工艺,选取合理的模型库;4.选用以lambda(λ)为单位的设计规则;5.全手工、层次化设计版图;6.达到指导书提出的设计指标要求。3.设计方法与计算3.174HC139芯片简介74HC139是包含两个2线-4线译码器的高速CMOS数字电路集成芯片,能与TTL集成电路芯片兼容,它的管脚图如图1所示,其逻辑真值表如表1所示:1图174HC139芯片管脚图表174HC139真值表片选输入数据输出CsA1A0Y0Y1Y2Y30000111001101010110101111101××1111从图1可以看出74HC139芯片是由两片独立的2—4译码器组成的,因此设计时只需分析其中一个2—4译码器即可,从真值表我们可以得出Cs为片选端,当其为0时,芯片正常工作,当其为1时,芯片封锁。A1、A0为输入端,Y0-Y3为输出端,而且是低电平有效。2—4译码器的逻辑表达式,如下所示:74HC139的逻辑图如图2所示:2图274HC139逻辑图3.2电路设计本次设计采用的是m12_20的模型库参数进行各级电路的尺寸计算,其参数如下:NMOS:εox=3.9×8.85×10﹣12F/mμn=605.312×10﹣4㎡/Vstox=395×10﹣10mVtn=0.81056VPMOS:εox=3.9×8.85×10﹣12F/mμp=219×10﹣4㎡/Vstox=395×10﹣10mVtp=﹣0.971428V3.2.1输出级电路设计根据要求输出级电路等效电路图如图3所示,输入Vi为前一级的输出,可认为是理想的输出,即VIL=Vss,VIH=VDD。3图3输出级电路(1)输出级N管(W/L)N的计算当输入为高电平时,输出为低电平,N管导通,且工作在线性区,而后级有较大的灌电流输入,要求|IOL|≤4mA,VOL,man=0.4V,根据NMOS管理想电流分方程分段表达式:Error:Referencesourcenotfound因此,Error:Referencesourcenotfound则,Error:Referencesourcenotfound(2)输出级P管(W/L)P的计算当输入为低电平时,输出为高电平,P管导通,且工作在线性区。同时要求N管和P管的充放电时间tr=tf,分别求出这两个条件下的(W/L)P,min极限值,然后取大者。1.以|IOH|≤20μA,VOH,min=4.4V为条件计算(W/L)P,min极限值:用PMOS管的理想电流方程分段表达式:4因此,则,2.N管和P管的充放电时间tr和tf表达式分别为令tr=tf可以计算(W/l)p,min的值,计算过程如下:计算得出:则(W/L)P=140取其中的大值作为输出级P管的尺寸,则(W/L)P=1403.2.2内部反相器中各MOS管的尺寸计算内部基本反相器如图4所示,它的N管和P管尺寸依据充放电时间tr和tf方程来求。关键点是先求出式中CL(即负载)。5图4内部反相器它的负载由以下三部分电容组成:①本级漏极的PN结电容CPN;②下级的栅电容Cg;③连线杂散电容CS。①本级漏极的PN结电容CPN的计算CPN=Cj×(Wb)+Cjsw×(2W+2b)其中Cj是每um2的结电容,Cjsw是每um的周界电容,b为有源区宽度,可从设计规则获取。如若最小孔为2λ×2λ,孔与多晶硅栅的最小间距为2λ,孔与有源区边界的最小间距为2,则取b=6λ。Cj和Cjsw可用相关公式计算,或从模型库选取,或用经验数据。其中采用的模型库参数如下所示:总的漏极PN结电容应是N管和P管的总和,即:注意:此处WN和WP都为国际单位②栅电容Cg的计算Cg=Cg,N+Cg,P=+=(WN+WP)L此处WN和WP为与本级漏极相连的下一级的N管和P管的栅极尺寸,近似取输出级WN和WP的尺寸。将输出级N管和P管的宽长比:(W/L)N=48和(W/L)P=140代入公式进行计...

1、当您付费下载文档后,您只拥有了使用权限,并不意味着购买了版权,文档只能用于自身使用,不得用于其他商业用途(如 [转卖]进行直接盈利或[编辑后售卖]进行间接盈利)。
2、本站所有内容均由合作方或网友上传,本站不对文档的完整性、权威性及其观点立场正确性做任何保证或承诺!文档内容仅供研究参考,付费前请自行鉴别。
3、如文档内容存在违规,或者侵犯商业秘密、侵犯著作权等,请点击“违规举报”。

碎片内容

含两个2-4译码器的74HC139芯片版图

您可能关注的文档

文章天下+ 关注
实名认证
内容提供者

各种文档应有尽有

确认删除?
VIP
微信客服
  • 扫码咨询
会员Q群
  • 会员专属群点击这里加入QQ群
客服邮箱
回到顶部