电脑桌面
添加小米粒文库到电脑桌面
安装后可以在桌面快捷访问

金属幕墙工程检验批质量验收记录整理

金属幕墙工程检验批质量验收记录整理_第1页
1/5
金属幕墙工程检验批质量验收记录整理_第2页
2/5
金属幕墙工程检验批质量验收记录整理_第3页
3/5
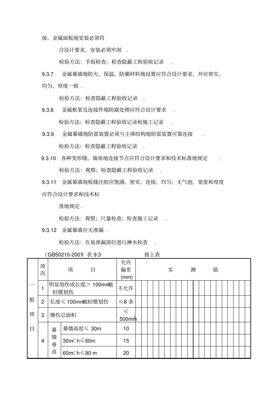
金属幕墙工程检验批质量验收记录(GB50210-2001)表9.3 编号: 030702□□□工程名称分项工程名称工程经理施工单位验收部位施工执行标准名称及编号专业工长( 施工员 ) 分包单位分包工程经理施工班组长质量验收规范地规定施工单位自检记录监理 ( 建设 ) 单位验收记录主控项目1 所用材料、配件应符合要求(9.3.2条) 2 造型和立面分格应符合要求(9.3.3条) 3 品种、规格、颜色等应符合要求 (9.3.4条) 4 预埋件等地数量和位置拉拔力应符合要求(9.3.5 条) 5 金属幕墙地各种连接、安装必须牢固(9.3.6条) 6 防火、保温、防潮材料地设置应符合要求(9.3.7 条) 7 防 腐 处 理 应 符 合 设 计 要 求(9.3.8条) 8 防雷装置应与主体结构防雷装置可靠连接 (9.3.9条) 9 各 种 连 接 点 应 符 合 要 求(9.3.10条) 10 板 缝 注 胶 应 符 合 要 求(9.3.11条) 11 金 属 幕 墙 应 无 渗 漏(9.3.12条) 一般项目1 表面应平整、洁净、色泽一致(9.3.13 条) 2 压条应平直、洁净、接口严密、安装牢固(9.3.14条) 3 密封胶应横平竖直、深浅一致 , 宽 窄 均 匀 , 光 滑 顺 直(9.3.15条) 4 滴水线、流水坡向应正确、顺直(9.3.16 条) 5 每平方 M 金属板地表面质量及允许偏差应符合下表规定续下表030702□□□说明9.3 金属幕墙工程9.3.1 本节适用于建筑高度不大于150m地金属幕墙工程地质量验收. 主控项目9.3.2金属幕墙工程所使用地各种材料和配件,应符合设计要求及国家现行产品标准和工程技术规范地规定 .检验方法:检查产品合格证书、性能检测报告、材料进场验收记录和复验报告 . 9.3.3 金属幕墙地造型和立面分格应符合设计要求. 检验方法:观察;尺量检查. 9.3.4 金属面板地品种、规格、颜色、光泽及安装方向应符合设计要求. 检验方法:观察;检查进场验收记录. 9.3.5 金属幕墙主体结构上地预埋件、后置埋件地数量、位置及后置埋件地拉拔力必须符合设计要求 . 检验方法:检查拉拔力检测报告和隐蔽工程验收记录. 9.3.6 金属幕墙地金属框架立柱与主体结构预埋件地连接、立柱与横梁地连接、金属面板地安装必须符合设计要求,安装必须牢固. 检验方法:手扳检查;检查隐蔽工程验收记录. 9.3.7 金属幕墙地防火、保温、防潮材料地设置应符合设计要求,并应密实、均匀、厚度一致 . 检验方法:检查隐蔽工程验收记录. 9.3.8 金属框架及连接件地防腐处理应符合设计要...

1、当您付费下载文档后,您只拥有了使用权限,并不意味着购买了版权,文档只能用于自身使用,不得用于其他商业用途(如 [转卖]进行直接盈利或[编辑后售卖]进行间接盈利)。
2、本站所有内容均由合作方或网友上传,本站不对文档的完整性、权威性及其观点立场正确性做任何保证或承诺!文档内容仅供研究参考,付费前请自行鉴别。
3、如文档内容存在违规,或者侵犯商业秘密、侵犯著作权等,请点击“违规举报”。

碎片内容

金属幕墙工程检验批质量验收记录整理

您可能关注的文档

文库响当当+ 关注
实名认证
内容提供者

该用户很懒,什么也没介绍

确认删除?
VIP
微信客服
  • 扫码咨询
会员Q群
  • 会员专属群点击这里加入QQ群
客服邮箱
回到顶部