电脑桌面
添加小米粒文库到电脑桌面
安装后可以在桌面快捷访问

钻孔技术方案

钻孔技术方案_第1页
1/14
钻孔技术方案_第2页
2/14
钻孔技术方案_第3页
3/14
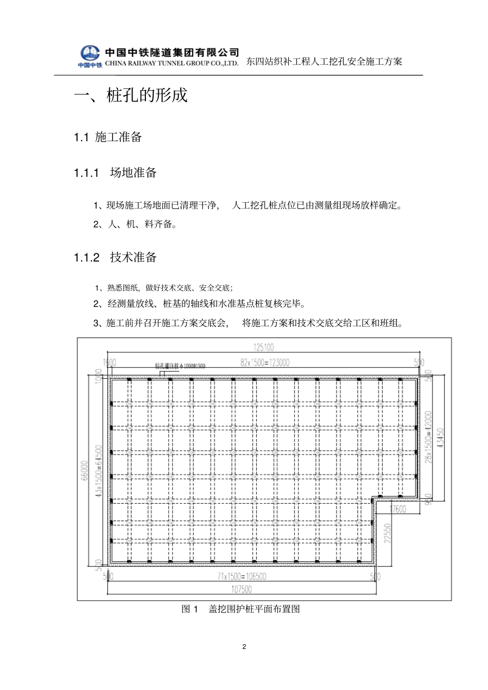
东四站织补工程人工挖孔安全施工方案1 目录目录 .................................................... 1 一、 桩孔的形成 ......................................... 2 1.1 施工准备 .......................................... 2 1.1.1 场地准备 ...................................... 2 1.1.2 技术准备 ...................................... 2 1.1.3 材料准备 ...................................... 3 1.1.4 人员准备 ...................................... 3 1.1.5 准备机具 ...................................... 3 1.2 测量放线、定桩位 . ............................... 4 1.3 人工探孔施工 . ................................... 4 1.4 钻孔 .............................................. 7 1.4.1 制做泥浆以及泥浆处理 . ............................ 7 1.4.2 钻进、掏渣、清孔 . ................................ 8 1.4.3 成孔检查、钻机移位 . .............................. 9 2.1 钢筋笼的制作 ....................................... 9 2.2 钢筋笼的安装 ...................................... 11 三、浇筑混凝土 ......................................... 12 3.1 混凝土灌注 ....................................... 12 东四站织补工程人工挖孔安全施工方案2 一、桩孔的形成1.1 施工准备1.1.1场地准备1、现场施工场地面已清理干净, 人工挖孔桩点位已由测量组现场放样确定。2、人、机、料齐备。1.1.2技术准备1、熟悉图纸,做好技术交底、安全交底;2、经测量放线、桩基的轴线和水准基点桩复核完毕。3、施工前并召开施工方案交底会, 将施工方案和技术交底交给工区和班组。图 1 盖挖围护桩平面布置图东四站织补工程人工挖孔安全施工方案3 1.1.3材料准备1、桩芯砼采用商品砼,护壁砼采用现场自拌砼。施工前做好砼原材料及试验,合格后投入使用。2、Φ 10钢筋均符合设计规定,并有出厂合格证及试验报告。1.1.4人员准备表 1 各工种人员计划表项工种计划量1 开挖工1 人/ 孔2 钢筋工1 人/ 孔3 电焊工1 人/ 孔4 司机1 人5 信号工1 人1.1.5准备机具表 2 机具计划表项机具计划量1 电焊机2 台2 风镐2 把/ 孔(组)3 三轮车2 台4 铁锹2 把/ 孔(组)5 双轮推车1 个/ 孔(组)6 手摇提升支...

1、当您付费下载文档后,您只拥有了使用权限,并不意味着购买了版权,文档只能用于自身使用,不得用于其他商业用途(如 [转卖]进行直接盈利或[编辑后售卖]进行间接盈利)。
2、本站所有内容均由合作方或网友上传,本站不对文档的完整性、权威性及其观点立场正确性做任何保证或承诺!文档内容仅供研究参考,付费前请自行鉴别。
3、如文档内容存在违规,或者侵犯商业秘密、侵犯著作权等,请点击“违规举报”。

碎片内容

钻孔技术方案

确认删除?
VIP
微信客服
  • 扫码咨询
会员Q群
  • 会员专属群点击这里加入QQ群
客服邮箱
回到顶部