电脑桌面
添加小米粒文库到电脑桌面
安装后可以在桌面快捷访问

铁塔防腐施工方案

铁塔防腐施工方案_第1页
1/50
铁塔防腐施工方案_第2页
2/50
铁塔防腐施工方案_第3页
3/50
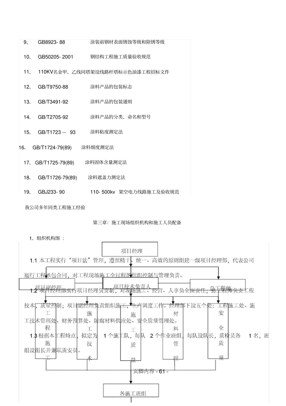
施工方案第一章:工程概况1、 项目名称: 110KV祥下线杆塔防腐项目2、 建设地点:崇左市3、 建设规模:对110KV祥下线共 100 基杆塔做防腐加固处理4 承包范围:包工包料按要求完成全部工程施工. 5 资金来源:企业自筹(1)电压等级: 110KV; (2)对 110KV博陆线 #1? #67 杆塔铁件进行防腐处理。4、 工期: 2014 年 8 月 1 日-2015 年 11 月 30 日5、 质量标准:达到国家和部颁的施工及验收规程规范要求及广西电网公司有关规定,要求工程施工质量合格率达100%,其中优良品率:建筑工程达85%以上,安装工程90%以上,工程项目符合达标投产的要求第二章:编制依据1、招标文件要求2、DL/T409 — 1991 电力安全工作规程(电力线路部分)3、DL/T741-2001 架空送电线路运行规程4、Q/CSG10005-2004 ?电气工作票技术规范?(线路部分)5、《变电站安健环设施标准》Q/CSG 1 001— - -2004 6、《电业安全工作规程》7、电力建设施丄及验收技术规范8、《电气装置安装工程施工及验收规范(合编)》9、GB8923- 88 涂装前钢材表面锈蚀等级和除锈等级10、GB50205- 2001 钢结构工程施工质量验收规范11、110KV名金甲、乙线同塔架设线路杆塔标示色油漆工程招标文件12、GB/T9750-88 涂料产品的包装标志13、GB/T3491-92 涂料产品的包装通则14、GB/T2705-92 涂料产品的分类、命名和型号15、GB/T1723 — 93 涂料粘度测定法16、 GB/T1724-79(89) 涂料细度测定法17、 GB/T1725-79(89) 涂料固体含量测定法18、GB/T1726-79(89) 涂料遮盖力测定法19、GBJ233- 90 110- 500kv 架空电力线路施工及验收规范我公司多年同类工程施工经验第三章:施工现场组织机构和施工人员配备1、组织机构图 : 1.4 本工程实行项目经理负责制。项目经理对公司负责,项目经理部管理层,作业层对项目经理负责。管理实行岗位目标责任制;作业实行生产目标考核,推行定额管理。1.5 为保证施工进度,拟定网络计划,一级网络与业主总部署接口,二级网络与供应部门接口,确保工程工期、保质、保量完工。三级网络编制科学合理的施工计划,在施工中进行动态跟踪,及时检查调整,确保总体目标的实现。1.6 加强生产调度,根据工程实际的需要和工程具体条件,及时合理地调配人力物力,下达施工任务,确保工程有序进行。对于其它原因造成防腐工作延期的,则安排多班轮换作业或合理地增加有效工日缩短工期。1.7 加强技术管理,项目部和专业技术人员职责...

1、当您付费下载文档后,您只拥有了使用权限,并不意味着购买了版权,文档只能用于自身使用,不得用于其他商业用途(如 [转卖]进行直接盈利或[编辑后售卖]进行间接盈利)。
2、本站所有内容均由合作方或网友上传,本站不对文档的完整性、权威性及其观点立场正确性做任何保证或承诺!文档内容仅供研究参考,付费前请自行鉴别。
3、如文档内容存在违规,或者侵犯商业秘密、侵犯著作权等,请点击“违规举报”。

碎片内容

铁塔防腐施工方案

爱的疯狂+ 关注
实名认证
内容提供者

该用户很懒,什么也没介绍

确认删除?
VIP
微信客服
  • 扫码咨询
会员Q群
  • 会员专属群点击这里加入QQ群
客服邮箱
回到顶部