电脑桌面
添加小米粒文库到电脑桌面
安装后可以在桌面快捷访问

合成废锅外管更换焊接分析VIP免费

合成废锅外管更换焊接分析_第1页
1/5
合成废锅外管更换焊接分析_第2页
2/5
合成废锅外管更换焊接分析_第3页
3/5
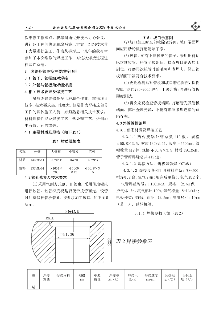
云南云天化股份有限公司2009年技术论文·1·合成废锅外管更换焊接总结程玺平(云天化集团水富分公司机械厂,云南水富657800)摘要:合成废热锅炉是我公司合成装置的重要设备,本文介绍了我公司合成废热锅炉(101-CA/CB)的修复情况,主要是废锅外管的焊接和组对工作及控制焊接质量的经验总结。关键词:废锅;外管;管帽;管板;焊接1设备简介合成废热锅炉(以下简称废锅)主要有两台,第一废锅(101-CA\B)和第二废锅(102-C)。第一废锅的换热管形式为刺刀管式,第一废锅主要由壳体和管束两大部分组成,壳体由水夹套、承压壳体、耐热层、衬板等组成。2设备主要存在问题及外管更换原因由于我单位两台废锅运行多年,检测站2009年2月对2008年大修更换下来的两台废锅(101CA/CB)进行了全面的检测,发现了如下缺陷:1.101CA管子管板角焊缝有大量的气孔。如图1所示:图1101CA管板角焊缝气孔2.101CB管箱筒体母材有一处裂纹,裂纹长度约60mm。如图2所示图2101CB母材裂纹3.两台废锅各有部分外管内壁有深浅不一的凹坑。如图3所示。图4废锅外管管壁凹坑针对设备上述存在的问题,我车间组织铆工,管工,焊工对该设备进行维修,最后在处理其他问题的同时,由于废锅在合成氨生产中的重要性及检测手段的局限性;另外,外管存在的问题多,管子数量大,公司决定更换所有外管。外管的更换是本次工作的重中之重;外管更换焊接是本气孔·2·云南云天化股份有限公司2009年技术论文次维修工作重点。我车间通过开技术讨论会议,进行各工种间协调和编写施工方案,组织技术骨干力量进行施工。作为从事焊工十几年的我有幸参加了本次维修的焊接工作,对这次焊接过程进行些许总结。3废锅外管更换主要焊接项目3.1管子、管帽组对焊接3.2外管与管板角焊缝焊接4相关技术要求及焊接工艺虽然废锅维修是多工种联合作业,维修项目较多、技术要求高、难度大。但是作为焊接这部分工作的具体施工人员,必须熟悉相关技术要求,材料焊接性能及焊接工艺,热处理工艺,做到心中有数,有的放矢。4.1主要材质及规格(如下表1)表1材质规格表4.2管孔修复及技术要求(1)采用气割方式割开旧管束,采用落地镗床进行铰管,铰管深度视是否便于拔管而定,铰管时注意保护管板管孔。按要求加工坡口,如下图5所示。图5:坡口示意图(2)坡口加工时全部铰除老焊肉,坡口端面焊肉应用砂轮机打磨清除干净。(3)拔管,如有不能拔出的管子,采用摇臂钻床继续铰管,待管子拔出后。检查坡口是否加工到位,打磨再次铰管时的毛刺和老焊肉,保证管板端面干净符合技术要求。(4)委托检测站对管板和坡口着色探伤,探伤按照JB\T4730-2005进行,Ⅰ级合格;再进行管板硬度测试。(5)再次宏观检查管板端面,打磨管孔及管板端面,露出金属光泽,不能有影响胀焊连接的缺陷存在。4.3外管管帽组焊4.3.1熟悉材质及焊接工艺4.3.1.1两台废锅外管总数412根,规格φ50.8×3.5,材质13CrMo44,长度﹥5500mm。管帽数量412件,规格φ50.8×3.5,材质15CrMoR。管子管帽焊缝总共412道。4.3.1.2焊接方法:钨极氩弧焊(GTAW)4.3.1.3焊接设备和工具材料准备:WS-500型焊机2台,氩气2瓶(用完后更换),氩气表2个,气管焊丝牌号:H13CrMoA,规格:(2.5m保护气体:Ar,氩气配比100%,氩气流量:8-1L/min;电极种类:铈钨,直径:(2.5mm;喷咀尺寸:10mm(若干),砂轮机等。3.1.4焊接参数(如下表2)表2焊接参数表道层焊接方法焊接材料规格mm电源极性焊接电流(A)焊接电压(V)焊接速度mm\min预热温度(℃)层间温度(℃)名称外管大管板小管板官帽材质13CrMo4413CrMo4416MnR15CrMoR规格13CrMo44φ1664×203φ1060×42φ50.8×3.5云南云天化股份有限公司2009年技术论文·3·1GTAWH13CrMoA(2.5DCEN80±1014±260±1015O≥1502GTAWH13CrMoA(2.5DCEN80±1014±260±10150≥1504.3.2清除坡口内外50—100mm油漆铁锈等异物坡口组对形式如下图5。图7焊脚高度示意图4.4.3外管与管板焊接设备及工具如前所述4.4.4焊接参数(如下表3)图6:管子管帽组对图4.3.3施焊时背面通氩气保护,流量6-8L/min。4.3.4焊前采用气焊预热,施焊采用爬坡滚动位置,滚动位置由焊工根据自身情况而定。焊接参数严格按...

1、当您付费下载文档后,您只拥有了使用权限,并不意味着购买了版权,文档只能用于自身使用,不得用于其他商业用途(如 [转卖]进行直接盈利或[编辑后售卖]进行间接盈利)。
2、本站所有内容均由合作方或网友上传,本站不对文档的完整性、权威性及其观点立场正确性做任何保证或承诺!文档内容仅供研究参考,付费前请自行鉴别。
3、如文档内容存在违规,或者侵犯商业秘密、侵犯著作权等,请点击“违规举报”。

碎片内容

合成废锅外管更换焊接分析

您可能关注的文档

确认删除?
VIP
微信客服
  • 扫码咨询
会员Q群
  • 会员专属群点击这里加入QQ群
客服邮箱
回到顶部