电脑桌面
添加小米粒文库到电脑桌面
安装后可以在桌面快捷访问

安全质量保障体系

安全质量保障体系_第1页
1/9
安全质量保障体系_第2页
2/9
安全质量保障体系_第3页
3/9
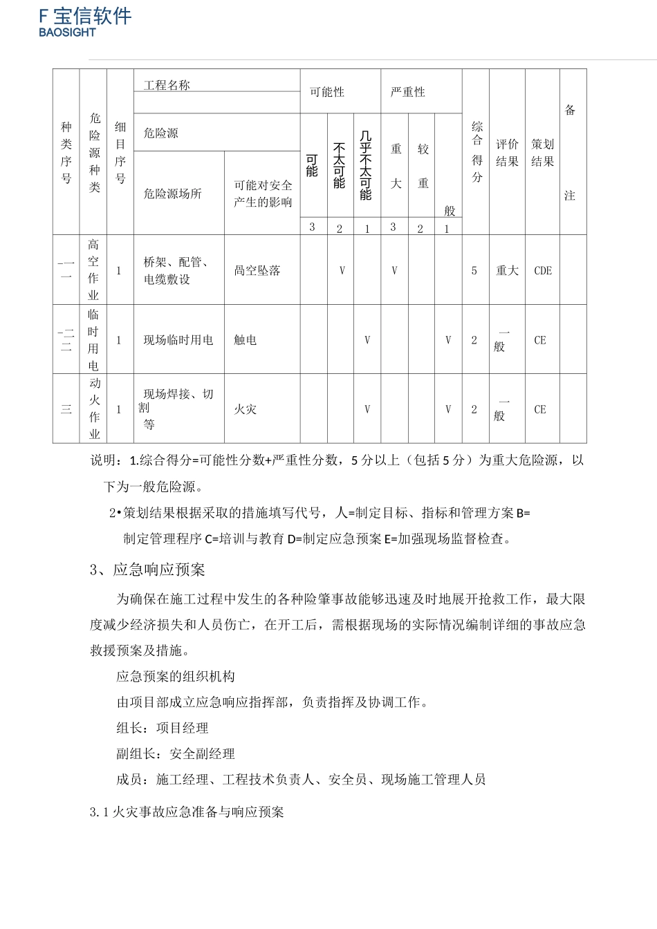
F 宝信软件BAOSIGHT安全质量保障体系一、安全保证措施为保证本工程顺利进行及施工人员的安全,我们宝信软件在施工安装过程中,遵照建筑施工安装的安全规程、甲方及青海格尔木市的安全、保卫工作要求,并满足国家有关安全的法律和法规要求;接受甲方的安全教育,现场采取防护和隔离措施;在现场设专职安全、保卫人员,负责现场的安全、保卫工作。执行“工程施工适用规范、标准库”中的相关标准及“工程管理相关管理文件”中的相关文件的规定。1、安全管理制度1.1 安全生产责任制项目经理部设立安全委员会,建立、健全各部门的安全生产责任制,责任落实到人。由工程部负责安全施工的具体管理工作,各专业项目部,均配持证上岗的安全员负责现场安全生产施工。1.2 安全教育1.2.1 施工人员进入现场前必须进行必要的安全教育;工人变换工种,须进行新工种的安全技术教育,保证执行生产厂的有关规定。1.2.2 对参加施工的职工每周进行一次安全教育,提高职工安全意识。坚持“安全为了生产、生产必须安全”、“安全第一的思想”,做到不违章作业、不违章生产。1.2.3 工人应掌握本工程操作技能,熟悉本工程安全技术操作规程。1.3 安全检查认真进行安全检查,项目经理部每月进行一次全面的安全大检查,对重点和危险部位跟踪检查。安全检查有记录,对查出的问题能立即改的要立即改,做到定人、定时间、定措施;危险性较大的下发整改通知单;危及职工生命安全的下发停工令,整改合格后方准复工。F 宝信软件BAOSIGHTF 宝信软件BAOSIGHT种类序号危险源种类细目序号工程名称可能性严重性综合得分评价结果策划结果备注危险源可能不太可能几乎不太可能重大较重般危险源场所可能对安全产生的影响321321-一一高空作业1桥架、配管、电缆敷设咼空坠落VV5重大CDE-二二临时用电1现场临时用电触电VV2一般CE三动火作业1现场焊接、切割等火灾VV2一般CE说明:1.综合得分=可能性分数+严重性分数,5 分以上(包括 5 分)为重大危险源,以下为一般危险源。2•策划结果根据采取的措施填写代号,人=制定目标、指标和管理方案 B=制定管理程序 C=培训与教育 D=制定应急预案 E=加强现场监督检查。3、应急响应预案为确保在施工过程中发生的各种险肇事故能够迅速及时地展开抢救工作,最大限度减少经济损失和人员伤亡,在开工后,需根据现场的实际情况编制详细的事故应急救援预案及措施。应急预案的组织机构由项目部成立应急响应指挥部,负责指挥及协调工作。组长:项目经理...

1、当您付费下载文档后,您只拥有了使用权限,并不意味着购买了版权,文档只能用于自身使用,不得用于其他商业用途(如 [转卖]进行直接盈利或[编辑后售卖]进行间接盈利)。
2、本站所有内容均由合作方或网友上传,本站不对文档的完整性、权威性及其观点立场正确性做任何保证或承诺!文档内容仅供研究参考,付费前请自行鉴别。
3、如文档内容存在违规,或者侵犯商业秘密、侵犯著作权等,请点击“违规举报”。

碎片内容

安全质量保障体系

您可能关注的文档

确认删除?
VIP
微信客服
  • 扫码咨询
会员Q群
  • 会员专属群点击这里加入QQ群
客服邮箱
回到顶部