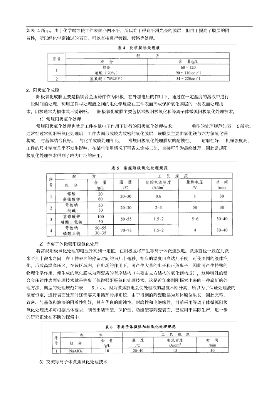
电脑桌面
添加小米粒文库到电脑桌面
安装后可以在桌面快捷访问

镁合金的表面处理

镁合金的表面处理_第1页
1/11
镁合金的表面处理_第2页
2/11
镁合金的表面处理_第3页
3/11
镁合金汪铸件的表面处理清华大学机械丁程系曾大本张鹏摘要: 按照表面成膜过程中有无外加电压作用,将现有镁合金压铸件的表面处理技术归纳为化学成膜技术和阳极氧化成膜技术二大类。分别介绍了化学成膜技术中的铬化处理、磷化处理、锌置换处理、化学腐蚀处理等 4 类表面处理技术和阳极氧化成膜技术中的常规阳极氧化、等离子体微弧阳极氧化等2 类表面处理技术,同时还简要地介绍了作者新近开发的镁合金压铸件交流等离子体微弧氧化处理技术,论述了上述各种技术的特点,总结了在各种表面处理过程中获得高质量膜层应该注意的关键问题,并明确了镁合金压铸件表面处理技术今后的发展方向。关键词: 镁合金压铸件表面处理关键问题发展方向ABSTRACT : The existing surface treatment technology of magnesium alloy die casting were divided into two groups such as chemical coating and anode coating according to whether the voltage being exerted during coating。 The four types of surface treatment technology such as chromate treatment, phosphate treatment, zinc displacement treatment and chemical corrosion treatment in chemical coating and two types such as conventional anode coating and plasma microarc anode coating in anode coating were introduced together with the alternating current plasma microarc oxidization coating which was developed by the author recently The characteristics of these kinds of technology were discussed . The critical problems for good coat in the process of these kinds of surface treatment were summarized。 The development directiOn of surface treatment technology of magnesium alloy die casting was determined。Key Works:Magnesium Alloy Casting,surface Treatmcnt,CriticaI PrOblem Development Direction 能源危机与环境污染问题的日益突出,使得符合“综合性能优良、可近终形加工、可回收”材料发展方向的镁合金脱颖而出,成为本世纪最受亲睐的一种应用材料。在目前和今后相当长的一段时期内,高效、节能的镁合金压铸件仍将是镁合金的主要应用产品。由于镁的负电性强( -2.36V SCE )...

1、当您付费下载文档后,您只拥有了使用权限,并不意味着购买了版权,文档只能用于自身使用,不得用于其他商业用途(如 [转卖]进行直接盈利或[编辑后售卖]进行间接盈利)。
2、本站所有内容均由合作方或网友上传,本站不对文档的完整性、权威性及其观点立场正确性做任何保证或承诺!文档内容仅供研究参考,付费前请自行鉴别。
3、如文档内容存在违规,或者侵犯商业秘密、侵犯著作权等,请点击“违规举报”。

碎片内容

镁合金的表面处理

您可能关注的文档

确认删除?
VIP
微信客服
  • 扫码咨询
会员Q群
  • 会员专属群点击这里加入QQ群
客服邮箱
回到顶部